
-
- 开关电源安规学习
- 摘要:1 安全标准对器具的总体要求产品的设计和结构必须能够保证在正常使用和可能的失败条件下,不会对使用者产生触电和其它危险,及不会对周围环境产生危害,如火灾等.2 安全的基本准则产品在设计和生产中应避免以下危险的发 ...
-
- 【收藏】电源12种拓扑结构“开关管”与“整流管”应力计算!
- 摘要:1、BUCK电路输入输出电压关系开关管电压二极管反向电压2、BOOST电路输入输出电压关系开关管电压二极管反向电压3、BUCK BOOST电路输入输出电压关系开关管电压二极管反向电压4、SEPIC电路输入输出电压关系开关管电压二 ...
-
- 快速环路调试之简法
- 摘要:快速环路调试之简法在工程实际应用中,下图所示有源补偿网络最常见:有源补偿网络(一)的简图如下所示:以上均属于有源超前-滞后补偿网络,其传递函数、零点和极点的推导公式详见徐德鸿教授所著《电子电子系统建模 ...
-
- 详解MOS管发热的可能性原因
- 摘要:详解MOS管发热的可能性原因做电源设计,或者做驱动方面的电路,难免要用到场效应管,也就是人们常说的MOS管。MOS管有很多种类,也有很多作用。做电源或者驱动的使用,当然就是用它的开关作用。无论N型或者P型MOS管, ...
-
- 开关电源运行中的电网干扰及其抑制
- 摘要:开关电源运行中的电网干扰及其抑制开关电源对电网的干扰电压是在电网和开关电源之间加入LISN的50Ω的电阻上测得的。德国标准VDE和美国标准FCC都对开关电源对电网传导干扰的的极限进行了规定。标准又分为A类和B类。其 ...
-
- PCB元件放置区域的限制
- 摘要:PCB元件放置区域的限制说说布板的限制吧,我曾经犯过一个错误,如图,我把EMC的Chock放置在很下边,高度不够,整个PCB板高度不够。模具是开过的,最后只能重新画PCB板。以后各位兄弟一定要让机构工程师检查PCB板高度 ...
-
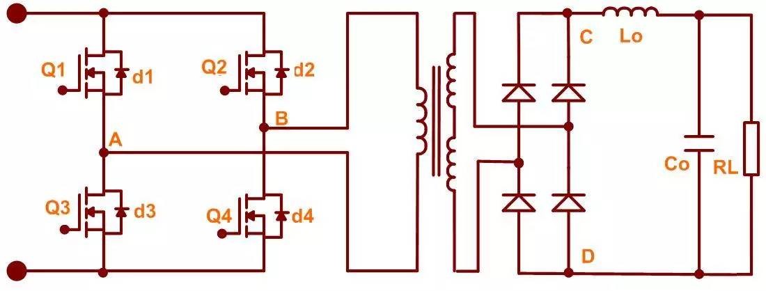
- 移相全桥基础分析
- 摘要:功率变压器模型基础的拓扑结构为:其控制方法在网上一篇文章《脉宽调制DC/DC全桥变换器的软开关技术》划分为9类,不过可综合成下面四种组态:1.两臂固定导通时间 Ton=D×Ts/2;基础的拓扑结构为:2.Q1Q3向前导通 ...
-
- 关于开关电源的EMI小谈
- 摘要:1、关于开关电源的的EMI在开关电源中,EMI滤波器对共模和差模传导噪声的抑制起着显著的作用。高频开关电源由于其在体积、重量、功率密度、效率等方面的诸多优点,已经被广泛地应用于工业、国防、家电产品等各个领域 ...
-
-
- 电源工程师注意:胆电容的三大罪状
- 摘要:引言看到某某的电容爆炸了,我也想就一些问题给予一些补充,因为这玩意是很危险的,先上图一张。这是在网上收集到的恐怖的一幕,钽电容爆炸了,它会发明火,所以很多厂家都不用了。罪状一.固钽因“不断击穿”又“不 ...
-
- 一些模块散热办法
- 摘要:引言我们模块的使用电子元器件,不同的表面可能有非常不同的温度。MOS管的一边比另一面热很多。我们的设计准则一般是,所有的电子元器件不能超过制造商说明书中的90%,为了寿命的考虑,实际的设计一般准备往往还要降 ...
-
- 开关电源变压器屏蔽层抑制共模EMI的研究
- 摘要:开关电源变压器屏蔽层抑制共模EMI的研究摘要: 以反激式开关电源为例,在分析其高频变压器形成共模传导EMI 机理的基础上,探讨了在变压器设计中设置屏蔽层以抑制共模传导EMI 的原理。给出了具体的设计方法,并应用于 ...
-
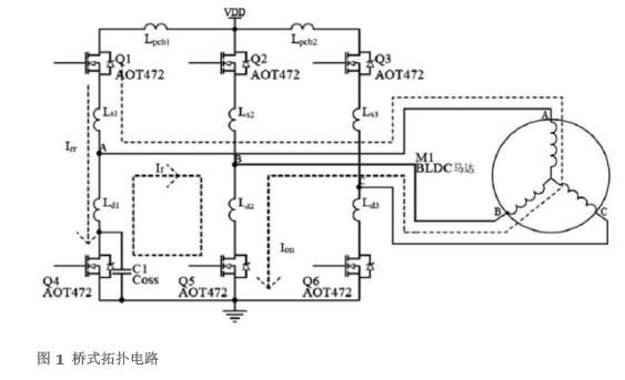
- MOSFET半桥驱动电路设计要领
- 摘要:1 引言 MOSFET凭开关速度快、导通电阻低等优点在开关电源及电机驱动等应用中得到了广泛应用。要想使MOSFET在应用中充分发挥其性能,就必须设计一个适合应用的最优驱动电路和参数。在应用中MOSFET一般工作在桥式拓扑 ...
-
- 【多图】浅析开关电源11种拓扑结构的特点!
- 摘要:1、基本名词常见的基本拓扑结构■Buck降压■Boost升压■Buck-Boost降压-升压■Flyback反激■Forward正激■Two-Transistor Forward双晶体管正激■Push-Pull推挽■Half Bridge半桥■Full Bridge全桥■SEPIC■C’uk基本 ...
-
- 继电器触点保护和触点的事项
- 摘要:继电器触点保护和触点的事项看到一张网上的图描述触点的接通时间的过程分析的,非常不错,先放在这里。我们知道其实继电器的触点保护要比Mosfet更加残酷,一般继电器的负载要比Mosfet大很多。常见的直流大的负荷直流 ...

扫码打开小程序

扫码安装APP