欢迎您,请 登录 或 注册

当前位置:首页 医疗器械维修 基础 电子 查看内容

移相全桥基础分析

2017-7-14 15:16 阅读: 280 评论: 0 编辑: ygzx1
[导读]功率变压器模型基础的拓扑结构为:其控制方法在网上一篇文章《脉宽调制DC/DC全桥变换器的软开关技术》划分为9类,不过可综合成下面四种组态:1.两臂固定导通时间 Ton=D×Ts/2;基础的拓扑结构为:2.Q1Q3向前导通 ...
功率变压器模型 
基础的拓扑结构为:
其控制方法在网上一篇文章《脉宽调制DC/DC全桥变换器的软开关技术》划分为9类,不过可综合成下面四种组态:
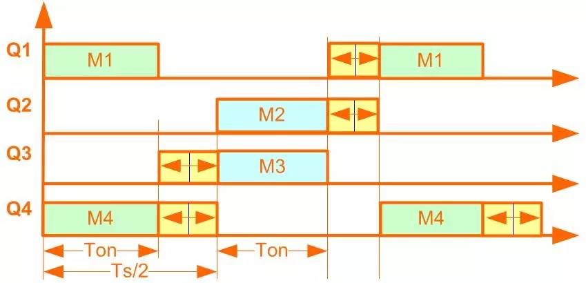
1.两臂固定导通时间
    Ton=D×Ts/2;
基础的拓扑结构为:2.Q1&Q3向前导通
    Ton=(D×Ts/2+Tadd)~Ts/2,可调节;
    【可细分为Ton=Ts/2和Ton<Ts/2】
3.Q2&Q4向后导通
    Ton=(D×Ts/2+Tadd)~Ts/2,可调节;
    【可细分为Ton=Ts/2和Ton<Ts/2】
4.Q2&Q4向后导通并且Q1&Q3向前导通;
    Ton=(D×Ts/2+Tadd)~Ts/2,可调节;
    【可细分为Ton1<Ts/2&和Ton2<Ts/2;
                  Ton1=Ts/2&和Ton2<Ts/2;
                  Ton1<Ts/2&和Ton2=Ts/2;
                  Ton1=Ts/2&和Ton2=Ts/2】
定义工作状态:
1.  +1状态:
Q1, Q4同时导通,或d1,d4同时导通 。a, b两点间电压Vab = + Vin。
2.   -1状态:
Q3,Q2同时导通,或d3, d2同时导通。a, b两点间电压Vab = - Vin。
3.   0状态:
(Q1,Q4)&(d1,d4)不同时导通,并且(Q3,Q2)&(d3, d2)不同时导通。a, b两点间电压Vab = 0。
三种切换方式
1.  +1 => -1 ^  -1  => +1
分析过程:
初始时刻:Q1、Q4导通,向副边传输能量。
下一时刻,Q1、Q4同时关断。因为有C1,C4,Q1,Q4电压缓升,是零电压关断。
在变压器原边漏感Lt的影响下,原边电流方向不变,该电流给C1,C4充电,C2,C3放电。
C1,C4 充电至vin,C2,C3放电至0后,二极管D2,D3导通(Vab = -Vin)。以上是暂态过程,实际持续的时间很短,但是由于存在一段时间(Doff),因此此时随着Ip的下降至零,开关管及其反并二极管都在关断状态, 电容和漏感发生谐振,导致C2,C3在Q2,Q3开通的时候电压并不为零,因此电容的能量完全消耗在开关管上,这样无法实现软开关。
因此+1=>-1时是无法实现软开关的。
2.  +1 =>  0 ^   -1 => 0
超前臂为Q1和Q3,Q1关断时C1电压为0,因此实现了零电压关断。
Q1关闭以后,由于副边电流不变,Ip也不变,导致C1成线性电压充电,C3线性电压放电。C3电压放完后,D3导通,由此Q3可顺利实现零电压开通。Q3开通后,Vab=0,这就是所谓的+1=>0的过程。
零状态存在两种模式:
1.Ip为很恒定电流(恒流模式)
2.Ip为零(复位模式)
3.   0  => +1^    0 => -1
漏感中仍存在电流
Q4关断时,电流从Q4网络充至C2和C4,C2的压降下降,C4的压降增加。当C2电压为零时,D2开通,Q2了顺利实现零电压开通。这种方式成为0=>+1的过程。
但是漏感过小导致了C4的电压并不能一定增加到Vin,因此可能需要增加辅助网络。
漏感已无电流
Q4零电流关断,Q2也是零电流开通。

最新评论

扫码打开小程序

扫码安装APP

返回顶部