欢迎您,请 登录 或 注册

当前位置:首页 医疗器械维修 基础 电子 查看内容

【收藏】电源12种拓扑结构“开关管”与“整流管”应力计算!

2017-7-14 15:16 阅读: 400 评论: 0 编辑: ygzx1
[导读]1、BUCK电路输入输出电压关系开关管电压二极管反向电压2、BOOST电路输入输出电压关系开关管电压二极管反向电压3、BUCK BOOST电路输入输出电压关系开关管电压二极管反向电压4、SEPIC电路输入输出电压关系开关管电压二 ...
1、BUCK电路
输入输出电压关系
开关管电压
二极管反向电压
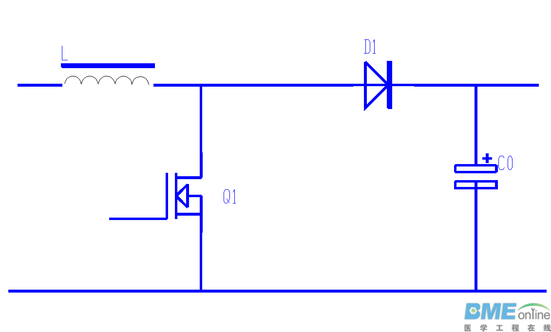
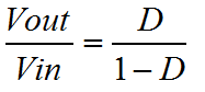
2、BOOST电路 
输入输出电压关系
开关管电压
二极管反向电压
3、BUCK BOOST电路
输入输出电压关系
开关管电压
二极管反向电压
4、SEPIC电路
输入输出电压关系
开关管电压
二极管反向电压
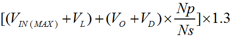
5、FLYBACK电路 
输入输出电压关系
开关管电压
二极管反向电压
6、FORWARD电路
输入输出电压关系
开关管电压
二极管反向电压
7、2 SWITCH FORWARD电路
输入输出电压关系
开关管电压
二极管反向电压
8、ACTIVE CLAMP FORWARD电路
输入输出电压关系
开关管电压
二极管反向电压
9、HALF BRIDGE电路
输入输出电压关系
开关管电压
二极管反向电压

最新评论