
-
- 史上最牛反激设计笔记!
- 摘要:1引言开关电源的设计是一份非常耗时费力的苦差事,需要不断地修正多个设计变量,直到性能达到设计目标为止。本文step-by-step 介绍反激变换器的设计步骤,并以一个6.5W 隔离双路输出的反激变换器设计为例,主控芯片 ...
-
-
- 电源设计过程中确保正确使用冷却风扇的技巧
- 摘要:电源设计过程中确保正确使用冷却风扇的技巧因为更小的散热片和更高的功率密度,使现代电源的热管理变得越来越重要,现在的数据表都给出了必要的信息,设计师应据此确保器件以最大工作温度工作时,电源工作温度不会太 ...
-
- 开关电源的频域分析与综合设计(连载二:电源系统控制原理)
- 摘要:连载二:电源系统控制原理开关电源的频域分析与综合设计 (连载一:概述、 与环路相关的基本概念 )D=VEA/Vpeak(反馈电压VEA与PWM 输出控制信号的关系, Vpeak为锯齿波峰值)注 : 以电压型顺向式变换器为例, 考虑到 ...
-
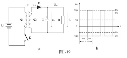
- (连载18)反激式变压器开关电源part1
- 摘要:(连载18)反激式变压器开关电源part1(连载01)开关电源的基本工作原理(连载02)串联式开关电源输出电压滤波电路(连载03)串联式开关电源储能滤波电感的计算(连载04)串联式开关电源储能滤波电容的计算(2)(连载05)反转式串 ...
-
- 【图文并茂】开关电源各个专业术--解释相当清晰明了
- 摘要:纹波与噪声纹波■开关电源的输出并不是真正恒定的,输出存在着周期性的抖动,这些 抖动看上去就和水纹一样,称为纹波。纹波可以是电压或电流纹波。■通常用2个参数来描述纹波:最大纹波电压:纹波的峰峰值。纹波系数 ...
-
- 对耗尽层、结电容、PN结的一些理解
- 摘要:对耗尽层、结电容、PN结的一些理解扩散、漂移:多子的运动称为扩散;少子的运动称为漂移。耗尽层、结电容、PN结:PN结中由于p区和n区的电子空穴发生中和,在结中会形成耗尽区,PN结因此可以叫耗尽层,由于PN结反向不 ...
-
-
- (连载63)开关电源变压器铁芯气隙的选取
- 摘要:(连载63)开关电源变压器铁芯气隙的选取(连载01)开关电源的基本工作原理(连载02)串联式开关电源输出电压滤波电路(连载03)串联式开关电源储能滤波电感的计算(连载04)串联式开关电源储能滤波电容的计算(2)(连载05)反转 ...
-
- 工程师帮你总结4种常用三极管电路
- 摘要:工程师帮你总结4种常用三极管电路三极管开关电路目前在开关电源、电子产品以及照明等领域的应用非常广泛,对于刚刚开始接触电子产品设计的新人工程师来说,掌握几种比较常用的三极管开关电路设计图,对日后的产品研 ...
-
-
- 【下载】LM358的几十个经典电路图
- 摘要:LM358的几十个经典电路图LM358内部包括有2个独立的、高增益、内部频率补偿的双运算放大器, 适合于电源电压范围很宽的单电源使用,也适用于双电源工作模式,在推荐的工作条件下,电源电流与电源电压无关。它的使用范 ...
-
- (连载44)整流输出全桥式变压器开关电源
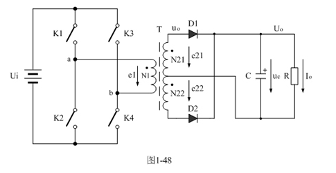
- 摘要:(连载44)整流输出全桥式变压器开关电源(连载01)开关电源的基本工作原理(连载02)串联式开关电源输出电压滤波电路(连载03)串联式开关电源储能滤波电感的计算(连载04)串联式开关电源储能滤波电容的计算(2)(连载05)反转 ...
-
- 【收藏了】开关电源关键元件的各个参数中英文对照表!
- 摘要:肖特基二极管SymbolParameter中文翻译VRRMPeak repetitive reverse voltage反向重复峰值电压VRWMWorking peak reverse voltage反向工作峰值电压VRDC Blocking Voltage反向直流电压VR(RMS)RMS Reverse Voltage反向电 ...
-
- 开关电源设计经典100问
- 摘要:开关电源设计经典100问A9:一般来讲,“嚓”的一声是由磁性器件的磁性和线圈发出的,也可能是由变压器和电感产生的;“磁磁磁”的声音是由变压器发出的,尤其是在反激变压器里,由于变压器有储能的缘故。解决方案有 ...

扫码打开小程序

扫码安装APP