欢迎您,请 登录 或 注册

当前位置:首页 医疗器械维修 基础 电子 查看内容

【中文释意】学会在各种二极管的datasheet中获取各种有效信息!

2017-7-14 21:59 阅读: 3403 评论: 0 编辑: ygzx1
[导读]一,二极管的分类 ●二极管按其用途可分为:★普通二极管和特殊二极管。●普通二极管:★整流二极管、快速二极管、稳压二极管、检波二极管、开关二极管等。●特殊二极管:★光二极管、变容二极管、隧道二极管、触发 ...
一,二极管的分类    
●二极管按其用途可分为:
★普通二极管和特殊二极管。
●普通二极管:
★整流二极管、快速二极管、稳压二极管、检波二极管、开关二极管等。
●特殊二极管:
★光二极管、变容二极管、隧道二极管、触发二极管等。
★本文,主要介绍整流二极管、快速二极管和稳压二极管。
二,规格书的认识
●整流二极管和快速二极管
★整流二极管结构主要是平面接触型,其特点是允许通过的电流比较大,反向击穿电压比较高,但PN结电容比较大,一般广泛应用于处理频率不高的电路中。例如整流电路、箝位电路、保护电路等。整流二极管在使用中主要考虑的问题是:最大整流电流和最高反向工作电压应大于实际工作中的值。
★快速二极管的工作原理与普通二极管是相同的,但由于普通二极管工作在开关状态下的反向恢复时间较长,一般大于500nS,不能适应高频开关电路的要求。快速二极管主要应用于高频整流电路、高频开关电源、高频阻容吸收电路、逆变电路等,其反向恢复时间可达10nS。快速二极管主要包括快速恢复二极管(简称FRD)和肖特基二极管(简称SBD) 。
★整流二极管和快速二极管的常用规格比较如下:
●快速二极管
★快恢复二极管(简称FRD)是一种具有开关特性好、反向恢复时间短等特点的半导体二极管,主要应用于开关电源、PWM脉宽调制器、变频器等电子电路中,作为高频整流二极管、续流二极管或阻尼二极管使用。
★快恢复二极管在制造上采用掺金、单纯的扩散等工艺,可获得较高的开关速度,同时也能得到较高的耐压。快恢复二极管的内部结构与普通PN结二极管不同,它属于PIN结型二极管,即在P型硅材料与N型硅材料中间增加了基区I,构成PIN硅片。因基区很薄,反向恢复电荷很小,所以快恢复二极管的反向恢复时间较短,正向压降较低,反向击穿电压(耐压值)较高。
★肖特基(Schottky)二极管也称肖特基势垒二极管(简称SBD),是由金属与半导体接触形成的势垒层为基础制成的二极管,其主要特点是正向导通压降小(约0.45V),反向恢复时间短和开关损耗小,是一种低功耗、超高速半导体器件,广泛应用于开关电源、变频器、驱动器等电路,作高频、低压、大电流整流二极管、续流二极管、保护二极管使用,或在微波通信等电路中作整流二极管、小信号检波二极管使用。
★肖特基二极管在结构原理上与PN结二极管有很大区别,它的内部是由阳极金属(用钼或铝等材料制成的阻挡层)、二氧化硅(SiO2)电场消除材料、N-外延层(砷材料)、N型硅基片、N+阴极层及阴极金属等构成。在N型基片和阳极金属之间形成肖特基势垒。当在势垒两端加上正向偏压(阳极金属接电源正极,N型基片接电源负极)时,势垒层变窄,其内阻变小;反之,势垒两端加上反向偏压时,势垒层则变宽,其内阻变大。
●整流二极管和快速二极管的规格
★整流二极管和快速二极管的伏安特性曲线如下。
●整流二极管和快速二极管的规格
★以1N4001~1N4007为例介绍二极管的常见规格
★最大差异点:Trr、Irr和Qrr(反向恢复电荷)
●稳压二极管
★稳压二极管是利用PN结反向击穿特性所表现出的稳压性能制成的器件。稳压二极管也称齐纳二极管或反向击穿二极管,在电路中起稳定电压作用。它是利用二极管被反向击穿后,在一定反向电流范围内反向电压不随反向电流变化这一特点进行稳压的。稳压二极管通常由硅半导体材料采用合金法或扩散法制成。它既具有普通二极管的单向导电特性,又可工作于反向击穿状态。在反向电压较低时,稳压二极管截止;当反向电压达到一定数值时,反向电流突然增大,稳压二极管进入击穿区,此时即使反向电流在很大范围内变化时,稳压二极管两端的反向电压也能保持基本不变。但若反向电流增大到一定数值后,稳压二极管则会被彻底击穿而损坏。
★稳压二极管的伏安特性曲线如下。
★稳压二极管的通用规格
★稳压二极管的具体规格
★系列稳压二极管的电流特性比较
★稳压二极管的温度特性和Derating
三,常见的零件封装
●Axial
●SMD
●TO
●Bridge
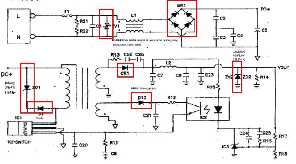
四,在开关电源中的应用
●范例1
●范例2

最新评论

扫码打开小程序

扫码安装APP

返回顶部