欢迎您,请 登录 或 注册

当前位置:首页 医疗器械维修 基础 电子 查看内容

【图文并茂】开关电源各个专业术--解释相当清晰明了

2017-7-14 21:59 阅读: 4098 评论: 0 编辑: ygzx1
[导读]纹波与噪声纹波■开关电源的输出并不是真正恒定的,输出存在着周期性的抖动,这些 抖动看上去就和水纹一样,称为纹波。纹波可以是电压或电流纹波。■通常用2个参数来描述纹波:最大纹波电压:纹波的峰峰值。纹波系数 ...
纹波与噪声
 
纹波
■开关电源的输出并不是真正恒定的,输出存在着周期性的抖动,这些 抖动看上去就和水纹一样,称为纹波。 
纹波可以是电压或电流纹波。
■通常用2个参数来描述纹波: 
最大纹波电压:纹波的峰峰值。 
纹波系数:交流分量的有效值与直流分量之比。
纹波产生的原因
■开关电源的纹波来自2个地方:
低频纹波:来自AC输入的周期,电源对输入的抑制比不是完美的,当输入 变化,输出也会变化。
高频纹波:来自开关切换的周期,开关电源不是线性连续输出能量,而是 将能量组成一个个包来传输,因此会存在和开关周期相对应的纹波。
■如果是线性电源,是没有开关纹波的,只有低频纹波。
纹波的影响
■最大纹波会决定输出的峰值,本来输出是稳定的某个电压或电流,由 于纹波的影响,使得输出的峰值比平均值高,这可能会损坏负载。 
比如,对LED来说,过高的电流会减少LED的寿命。 
■过大的纹波系数会使得输出的能量不均衡平滑,从而偏离了直流输出 这个要求。
比如,对LED来说,过大的纹波系数会使得LED亮度变化,造成闪烁。 
■如果开关电源用来驱动电池,LED灯这种负载,低频纹波的影响更大, 如果是驱动IC这种高速型负载,高频纹波的影响更大。
纹波与噪声
■纹波是由于AC周期或开关周期引起的输出抖动,而噪声是随机耦合到 输出上的高频信号,是不一样的。
调整率
 
调整率
■电源在使用时,有两个明显变化的外部条件:输入和负载。好的电源 应该在输入和负载发生变化时,依然能维持恒压或恒流。 
■将输入或负载变化时,输出偏离额定输出的程度称为调整率,比如输 入在最大最小值之间变化,测量输出的偏差比率,为一个百分比,比 如5%,就称为调整率为±5% 。 
■注意区分调整率和纹波,纹波是输出的动态特征,而调整率是让电源 工作在极限外部条件下,输出的极限偏差。
调整率类型
■输入调整率 
其他条件不变,调节输入时,输出的偏差,对于AC电源来说,是以AC线的 有效电压作为变化区间,比如以180~264作为上下限来变化。 
有时还会调节AC的频率,来看输出是否有偏差,比如从47~63Hz区间。 
■负载调整率 
其他条件不变,调节负载时,输出的偏差。 
■综合调整率
同时调节输入和负载,找出最差的偏差。
恒流 
LED恒流驱动
■为什么照明用LED都是电流驱动?
LED是二极管,而二极管的PN结的正向导通阻抗是负温度系数,随着温度 的升高,二极管正向导通阻抗降低。 
如果用恒压源驱动LED,随着LED工作,温度开始升高,温度升高后,正 向导通阻抗降低,由于I=U/R,电流升高,且由于功率P=U*I,功率也增加, LED发热更厉害,进一步刺激温度升高,陷于恶性循环,直到LED损坏。
恒压源驱动时,温度和电路是一对正反馈。
所以照明LED都是恒流驱动,如果是非照明,LED几乎没有温升,此时可 以用恒压驱动。
恒流精度
■恒流精度和其他电影的恒压效果一样,体现在几个方面。 
当负载发生变化时,电源输出的电流的恒定程度。 
在实际应用时,多个不同的LED串不可能阻抗特性完全相同,将这些不同的负载 接到电源上后,电流的误差就定义为恒流精度。 
不光是多负载,同一个LED,温度不同时,阻抗特性也不同,不同温度下电流也 是有误差的,但这和前面的条件本质还是一样,都是负载变化。 
因此在测试恒流精度时,需要使用电子负载,让负载在合理的范围内变化,测量 电压的电流误差。
当电源内部元件参数变化时,电源输出的电流的恒定程度。 
这并不是标准的恒流精度的定义,但目前很多电源都是有这个要求,其中一个重 要的指标是储能元件,比如电感,或变压器,感值存在误差时,电源输出电流的 恒定度。 
考虑到成本因素,储能元件在加工时偏差是很大的,所以,电源应当设计成对储 能元件的感值不敏感。
锂电池恒流驱动
■便携式设备所用的锂电池,在不同电量的情况下,电压是不同的,以 手机所用的锂电池为例,电池在满能量时约4.2V,低能量时约2.5V。 
■如果使用恒压源对电池充电,当电池电量较低时,充电电流会极大, 相当于电压源接到电容上,会损坏电池。 
损坏的原因是大电流带来的大发热。 
■为了限制大电流,目前的充电器都是使用恒流-恒压充电,当电池电压 低时,使用恒流输出。
冲击与浪涌
冲击电流
■如果负载为一个容性负载,将一个电压源直接加到负载上时,会产生 一个非常大的电流,这个电流就称为冲击电流。 
过大的冲击电流会使得交流线上的保护电路识别为短路,会导致空气开关 跳闸,熔断保险丝等问题。 
■对于AC电源来说,将电源接到AC线上的一瞬间,AC电源本身就是一 个容性负载,假如此时电源的负载处在满负荷状态,且AC线正处在峰 值电压处,会产生最大的冲击电流。
浪涌(电压)
■闪电,雷击等会在电网上制造时间非常短的高电压脉冲或者高能量脉 冲。 
这种过压通常是由专门的保护器进行保护,比如浪涌放电器。 
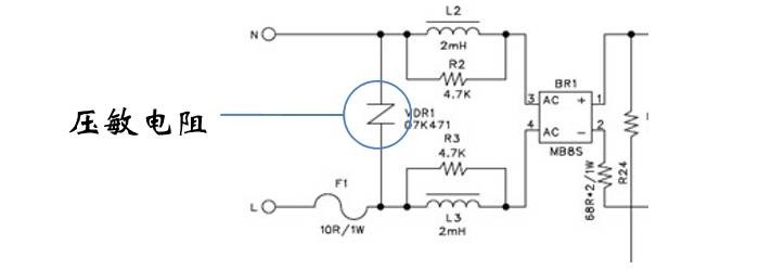
■大功率设备断开或接入电网时,会使得电网电压上升或跌落。为了保 护电源,有时会使用一个压敏电阻接在输入端。 
压敏电阻的组织和其上的电压有关,当电压变高时,阻值降低。 
为什么压敏电阻不能包含雷击等产生的脉冲,因为这种浪涌有可能是同时 出现在L线和N线上的。

最新评论

扫码打开小程序

扫码安装APP

返回顶部