欢迎您,请 登录 或 注册

当前位置:首页 医疗器械维修 基础 电子 查看内容

(连载44)整流输出全桥式变压器开关电源

2017-7-14 21:58 阅读: 2271 评论: 0 编辑: ygzx1
[导读](连载44)整流输出全桥式变压器开关电源(连载01)开关电源的基本工作原理(连载02)串联式开关电源输出电压滤波电路(连载03)串联式开关电源储能滤波电感的计算(连载04)串联式开关电源储能滤波电容的计算(2)(连载05)反转 ...
(连载44)整流输出全桥式变压器开关电源
(连载01)开关电源的基本工作原理
(连载02)串联式开关电源输出电压滤波电路
(连载03)串联式开关电源储能滤波电感的计算
(连载04)串联式开关电源储能滤波电容的计算(2)
(连载05)反转式串联开关电源
(连载06)反转式串联开关电源储能电感的计算
(连载07)反转式串联开关电源储能滤波电容的计算
(连载08)并联式开关电源的工作原理
(连载09)并联式开关电源输出电压滤波电路
(连载10)并联开关电源储能电感的计算
(连载11)单激式变压器开关电源
(连载12)单激式变压器开关电源工作原理
(连载13)正激式变压器开关电源
(连载14)正激式变压器开关电源的优缺点
(连载15)正激式变压器开关电源电路参数的计算
(连载16)正激式开关电源变压器参数的计算
(连载17)正激式开关电源变压器初、次级线圈匝数比的计算
(连载18)反激式变压器开关电源part1
(连载19)反激式变压器开关电源part2
(连载20)开关电源电路的过渡过程part1
(连载21)开关电源电路的过渡过程part2
(连载22)反激式变压器开关电源电路参数计算
(连载23)反激式开关电源变压器参数的计算
(连载24)反激式开关电源变压器初级线圈电感量的计算
(连载25)反激式变压器开关电源的优缺点
(连载26)双激式变压器开关电源part1
(连载27)双激式变压器开关电源part2
(连载28)整流输出推挽式变压器开关电源
(连载29)推挽式变压器开关电源储能滤波电感、电容参数的计算
(连载30)推挽式变压器开关电源储能滤波电容参数的计算
(连载31)推挽式开关电源变压器参数的计算
(连载32)推挽式开关电源的优缺点
(连载33)半桥式变压器开关电源
(连载34)交流输出半桥式变压器开关电源part1
(连载35)交流输出半桥式变压器开关电源part2
(连载36)交流输出单电容半桥式变压器开关电源part1
(连载37)交流输出单电容半桥式变压器开关电源part2
(连载38)单电容半桥式变压器开关电源输出电压
(连载39)整流输出半桥式变压器开关电源
(连载40)半桥式开关电源储能滤波电感、电容参数的计算
(连载41)半桥式开关电源变压器参数的计算
(连载42)半桥式变压器开关电源的优缺点
(连载43)全桥式变压器开关电源
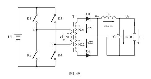
1-8-3-2.整流输出全桥式变压器开关电源
图1-48是全波整流输出全桥式变压器开关电源工作原理图;图1-49是输出电压可调的全桥式变压器开关电源工作原理图。
整流输出全桥式变压器开关电源的工作原理与整流输出推挽式变压器开关电源以及整流输出半桥式变压器开关电源的工作原理是非常接近的,只是变压器的激励方式与工作电源的接入方式有点不同。关于图1-48和图1-49等开关电源的详细工作原理,以及变压器、储能滤波原器件参数的计算,请自己参考前面有关章节内容的分析,这里不再准备赘述。
1-8-3-3.全桥式开关电源储能滤波电感、电容参数的计算
全桥式开关电源储能滤波电感、电容参数的计算主要是针对如图1-49输出电压可调的全桥式变压器开关电源中的储能滤波电感、电容参数选择进行计算。实际上,图1-49输出电压可调的全桥式变压器开关电源中的储能滤波电感、电容参数选择方法,与图1-33输出电压可调的推挽式变压器开关电源的储能滤波电感、电容参数选择方法是基本相同的,因此,这里只列出计算储能滤波电感、电容参数的公式,对于详细分析请参考《1-8-1-3.推挽式变压器开关电源储能滤波电感、电容参数的计算》章节的内容。
A)全桥式开关电源储能滤波电感参数的计算
根据前面分析,以及由图1-35可以看出,输出电压可调的推挽式变压器开关电源的两个控制开关K1、K2的占空比必须小于0.5,开关电源电源才能正常工作;当要求输出电压可调范围为最大时,占空比最好取值为0.25。此分析结果对于全桥式开关电源同样有效。
当两个控制开关K1、K2的占空比取值均为0.25时,输出电压可调的推挽式变压器开关电源中的储能滤波电感L以及输出电压Uo的计算由(1-144)和(1-145)式决定,即:
L ≥nUiT/12Io =nUi/12FIo D为0.25时 (1-144)
Uo =2nUi/3 D为0.25时 (1-145)
上面(1-144)和(1-145)式既是计算输出电压可调的推挽式变压器开关电源储能滤波电感和滤波输出电压的表达式(D为0.25时),也是计算输出电压可调的全桥式变压器开关电源储能滤波电感和滤波输出电压的表达式(D为0.25时)。式中:Ui为全桥式变压器开关电源输入电压,Uo为全桥式变压器开关电源的输出电压,T为控制开关的工作周期,F为控制开关的工作频率,n为开关电源次级线圈N2绕组与初级线圈N1绕组的匝数比。
上面(1-144)和(1-145)式的计算结果,只给出了计算输出电压可调的全桥式变压器开关电源储能滤波电感L的中间值,或平均值,对于极端情况可以在平均值的计算结果上再乘以一个大于1的系数。
B)全桥式开关电源储能滤波电容参数的计算
根据前面分析,以及由图1-35可以看出,当两个控制开关K1、K2的占空比取值均为0.25时,输出电压可调的推挽式变压器开关电源中的储能滤波电容C参数的计算由(1-149)式决定,即:
C >Io*T/ 8ΔUP-P D为0.25时 (1-149)
(1-149)式中:Io是流过负载的电流,T为控制开关K1和K2的工作周期,ΔUP-P为输出电压的波纹电压。波纹电压ΔUP-P一般都取峰-峰值,所以波纹电压正好等于电容器充电或放电时的电压增量,即:ΔUP-P = 2ΔUc 。(1-149)式,虽然是计算输出电压可调的推挽式变压器开关电源储能滤波电容的公式(D = 0.25时),但对于输出电压可调的全桥式变压器开关电源中的储能滤波电容的计算同样有效。
同理,(1-149)式的计算结果,只给出了计算全桥式变压器开关电源储能滤波电容C的中间值,或平均值,即控制开关工作于占空比D为0.25时的情况,对于极端情况可以在平均值的计算结果上再乘以一个大于1的系数。
本文章在网上摘抄整理,总共83连载,供大家学习使用。如涉及版权请告知,我们将在24小时内删除。

最新评论

扫码打开小程序

扫码安装APP

返回顶部