
-
- 开关电源冷热地说明和零线-PE线说明
- 摘要:引言对于高压的静电的消除关于零线是不是大地线的说明:1. 结构的区别:零线(N): 从变压器中性点接地后引出主干线。地线(PE):从变压器中性点接地后引出主干线,根据标准,每间隔20-30米重复接地。2、原理的区 ...
-
- 一次弄懂:集肤效应、邻近效应、边缘效应、涡流损耗
- 摘要:1.集肤效应1.1集肤效应的原理图1.1表示了集肤效应的产生过程。图中给出的是载流导体纵向的剖面图,当导体流过电流(如图中箭头方向)时,由右手螺旋法则可知,产生的感应磁动势为逆时针方向,产生进入和离开剖面的磁 ...
-
- (连载34)交流输出半桥式变压器开关电源part1
- 摘要:(连载34)交流输出半桥式变压器开关电源part1(连载01)开关电源的基本工作原理(连载02)串联式开关电源输出电压滤波电路(连载03)串联式开关电源储能滤波电感的计算(连载04)串联式开关电源储能滤波电容的计算(2)(连载05) ...
-
- (连载41)半桥式开关电源变压器参数的计算
- 摘要:(连载41)半桥式开关电源变压器参数的计算(连载01)开关电源的基本工作原理(连载02)串联式开关电源输出电压滤波电路(连载03)串联式开关电源储能滤波电感的计算(连载04)串联式开关电源储能滤波电容的计算(2)(连载05)反 ...
-
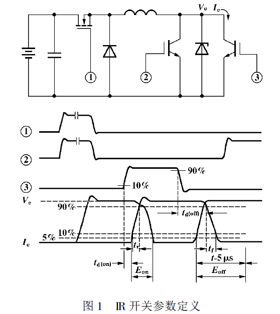
- PWM方式开关电源中IGBT的损耗分析
- 摘要:1引言在任何装置中使用IGBT 都会遇到IGBT 的选择及热设计问题。当电压应力和电流应力这2 个直观参数确定之后, 最终需要根据IGBT 在应用条件下的损耗及热循环能力来选定IGBT。通常由于使用条件不同, 通过IGBT 数据手 ...
-
- 6个步骤轻松计算隔离驱动变压器!
- 摘要:1 引言因为电子设备的电路变得更为复杂,故要求成熟的电气工程设计参数具有更加临界的数值。在设计电路的每一个阶段,精确的工程计算是基本的要求。同时,在其零部件设计时,这一点也是同样重要的。所以,必须精心地 ...
-
- 太实用了|开关电源中各元器件的命名与用途!
- 摘要:引言开关电源的设计对于电源工程师来说是再熟悉不过的了,但设计开关电源并不如想象的那么简单,尤其对刚入行的新手 来讲。其外围电路非常复杂,使用的元器件种类也比较繁多,性能各异。要想设计出性能高的开关电源 ...
-
-
- 图文并茂解析变压器各种绕线工艺!(包含各种拓扑)
- 摘要:一、传统变压器篇单路输出 Flyback 及常见的变压器绕组结构红色:初级绕组紫色:辅助绕组黄色:次级绕组特点:辅助绕组位夹在初级、次级中间缺点:1, 临近效应很强,绕组交流损耗大2, 初、次级间的漏感较大,吸收回 ...
-
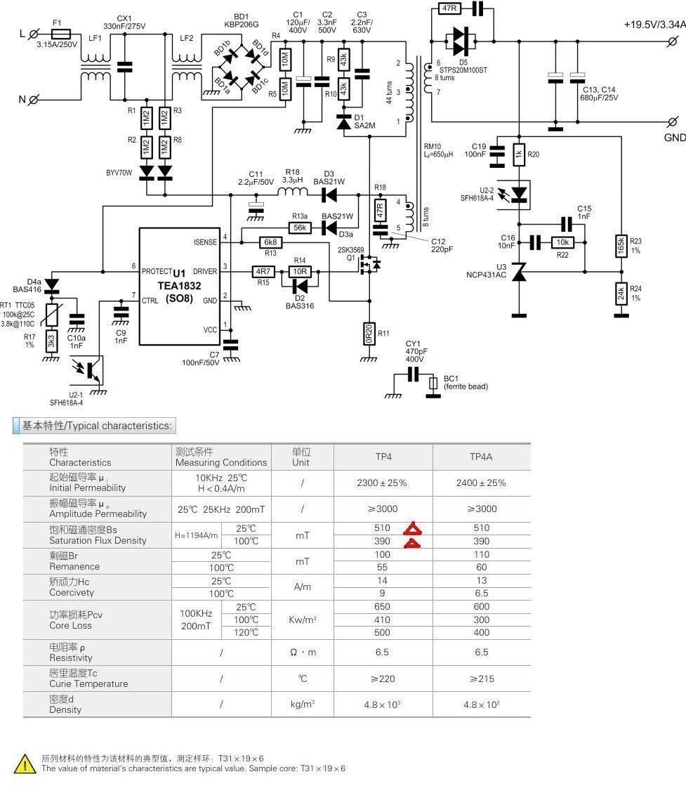
- 20年资深工程师,从7个方面分析开关电源的设计细节!
- 摘要:1、电源设计项目前期各个参数注意细节借鉴下NXP的这个TEA1832图纸做个说明。分析里面的电路参数设计与优化并做到认证至量产。 在所有的元器件中尽量选择公司仓库里面的元件,和量大的元件,方便后续降成本拿价格。贴 ...
-
- 【精辟】EMI与Y电容
- 摘要:摘要本文首先介绍了关于EMI 常规知识以及在开关电源中使用的各种缓冲吸引电路。然后介绍了在EMI中和传导相关的共模及差模电流产生的原理,静点动点的概念,并详细的说明了在变压器的结构中使用补偿设计的方法。最后 ...
-
- 电源工程师必看:各种滤波器合集!
- 摘要:常见低通滤波电路L 一阶滤波C 一阶滤波CL 二阶滤波RC 二阶滤波LC 二阶滤波RCR T型三阶滤波LCL T型三阶滤波CRC π三阶滤波CLC π三阶滤波开关电源 单级低通滤波回路DLC 型二阶滤波器开关电源 双级串联式低通滤波回路C ...
-
- 同步整流在轻载下的详细分析
- 摘要:引言随着计算机 、 通讯和网络技术 的迅猛发展 , 低 压大电流 DC/ DC变换器成为 目前一个重要的研 究课题。传统的二极管或 肖特基二极管整流方式 ,由于正向导通压降大,整流损耗成为变换器的主 要损耗 。功率 MOS ...
-
- 100条反激、正激、各种双端拓扑计算公式列表(附下载)
- 摘要:一、正激式开关电源高频变压器:100条反激、正激、各种双端拓扑计算公式列表.pdf下载方法:请看文章底部第一条留言!二、双端开关电源高频变压器设计步骤:三、反激式开关电源高频变压器设计步骤:100条反激、正激、 ...
-
- 多路输出开关电源的设计及应用原则
- 摘要:1、引言对现代电子系统,即便是最简单的由单片机和单一I/O接口电路所组成的电子系统来讲,其电源电压一般也要由+5V,±15V或±12V等多路组成,而对较复杂的电子系统来讲,实际用到的电源电压就更多了。目前主要由下 ...

扫码打开小程序

扫码安装APP