欢迎您,请 登录 或 注册

当前位置:首页 医疗器械维修 基础 电子 查看内容

多路输出开关电源的设计及应用原则

2017-7-14 21:33 阅读: 1175 评论: 0 编辑: ygzx1
[导读]1、引言对现代电子系统,即便是最简单的由单片机和单一I/O接口电路所组成的电子系统来讲,其电源电压一般也要由+5V,±15V或±12V等多路组成,而对较复杂的电子系统来讲,实际用到的电源电压就更多了。目前主要由下 ...
1、引言
对现代电子系统,即便是最简单的由单片机和单一I/O接口电路所组成的电子系统来讲,其电源电压一般也要由+5V,±15V或±12V等多路组成,而对较复杂的电子系统来讲,实际用到的电源电压就更多了。目前主要由下述诸多电压组合而成:+3.3V,+5V,±15V,±12V,-5V,±9V,+18V,+24V、+27V、±60V、+135V、+300V、-200V、+600V、+1800V、+3000V、+5000V(包括一个系统中需求多个上述相同电压供电电源)等。不同的电子系统,不仅对上述各种电压组合有严格的要求,而且对这些电源电压的诸多电特性也有较严格的要求,如电压精度,电压的负载能力(输出电流),电压的纹波和噪声,起动延迟,上升时间,恢复时间,电压过冲,断电延迟时间,跨步负载响应,跨步线性响应,交叉调整率,交叉干扰等。
2、多路输出电源
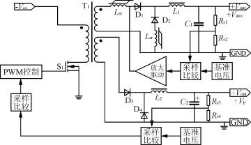
对于电源应用者来讲,一般都希望其所选择的电源产品为“傻瓜型”的,即所选择的电源电压只要负载不超过电源最大值,无论系统的各路负载特性如何变化,而各路电源电压依然精确无误。仅就这一点来讲,目前绝大多数的多路输出电源是不尽人意的。为了更进一步说明多路输出电源的特性,首先从图1所示多路输出开关电源框图讲起。
从图1可以看到,真正形成闭环控制的只有主电路Vp,其它Vaux1、Vaux2等辅电路都处在失控之中。从控制理论可知,只有Vp无论输入、输出如何变动(包括电压变动,负载变动等),在闭环的反馈控制作用下都能保证相当高的精度(一般优于0.5%),也就是说Vp在很大程度上只取决于基准电压和采样比例。对Vaux1,Vaux2而言,其精度主要依赖以下几个方面:
1)T1主变器的匝比,这里主要取决于Np1:Np2或Np1:Np3
2)辅助电路的负载情况。
3)主电路的负载情况。
注:如果以上3点设定后,输入电压的变动对辅电路的影响已经很有限了。
图1多路输出开关电源框图
图2 测试仪表及设备连接
图3辅助电路加一个线性稳压调节器
在以上3点中,作为一个具体的开关电源变换器,主变压器匝比已经设定,所以影响辅助电路输出电压精度最大的因素为主电路和辅电路的负载情况。在开关电源产品中,有专门的技术指标说明和规范电源的这一特性,即就是交叉负载调整率。为了更好地讲述这一问题,先将交叉负载调整率的测量和计算方法讲述如下。
2.1电源变换器多路输出交叉负载调整率测量与计算步骤
1)测试仪表及设备连接如图2所示。
2)调节被测电源变换器的输入电压为标称值,合上开关S1、S2…Sn,调节被测电源变换器各路输出电流为额定值,测量第j路的输出电压Uj,用同样的方法测量其它各路输出电压。
3)调节第j路以外的各路输出负载电流为最小值,测量第j路的输出电压ULj。
4)按式(1)计算第j路的交叉负载调整率SIL。
式中:ΔUj为当其它各路负载电流为最小值时,Uj与该路输出电压ULj之差的绝对值;
Uj为各路输出电流为额定值时,第j路的输出电压。
根据上面的测试及计算方法可以将交叉负载调整率理解为:所有其它输出电路负载跨步变(100%-0%时)对该路输出电压精度影响的百分比。
2.2多路输出开关电源
由图1原理所构成的实际开关电源,主控电路仅反馈主输出电压,其它辅助电路完全放开。此时假设主、辅电路的功率比为1:1。从实际测量得主电路交叉负载调整率优于0.2%,而辅电路的交叉负载调整率大于50%。无论开关电源设计者还是应用者对大于50%的交叉负载调整率都将是不能接受的。如何降低辅电路交叉负载调整率,最直接的想法就是给辅助电路加一个线性稳压调节器(包括三端稳压器,低压差三端稳压器)如图3所示。
从图3可知,由于引入了线性稳压调节器V,所以在辅路上附加了一部分功率损耗,功率损耗为P=(Vaux′-Vaux1)Iaux,而要使辅电路的交叉负载调整率小,就必须有意识地增大线性调整器的电压差(Vaux′-Vaux1),即就是要有意识增大Vaux′,其带来的缺点就是增加了电源的功率损耗,降低了电源的效率。
以图1及图3原理为基础设计和应用电源时,应注意的原则为:
1)主电路实际使用的电流最小应为最大满输出电流的30%;
2)主电路电压精度应优于0.5%;
3)辅电路功率最好小于主电路功率的50%;
4)辅电路交叉负载调整率不大于10%。
2.3改进型多路输出开关电源
在很多应用场合中,要求2路输出的功率基本相当,比如±12V/0.5A,±15V/1A。我们通过多年的实践,设计了如图4所示的电路,能较好地达到提高交叉负载调整率的目的。
图4电路设计思想的核心有以下2点。
1)将正负2路输出滤波电感L1、L2绕制在同一磁芯上,采用双线并绕的方法,从而保证L1、L2电感量完全相同。并注意实际接入线路时的相位(差模方法)关系,这种滤波电感的连接方法使2路输出电流的变化量相互感应,在一定程度上较大地改善了2路输出的交叉负载调整率。
2)从图4可以看到,采样比较器Rs1、Rs2不像图1那样接到主电路Vp上,而是直接跨接到正负电源的输出端上,并且逻辑“地”不是电源的输出地,而是以负电压输出端作为采样比较和基准电压的逻辑“地”电位。这样采样误差将同时反映出正、负2路输出的电压精度变化,对正、负2路同样都存在有反馈作用,能在很大程度上改进2路输出的交叉负载调整率。以±15V/1A电源为例,采用图4的电路设计,实测得的2路交叉负载调整率优于2%。
图4改进型2路输出电路
图5路电源设计方案
以图4原理为基础设计和应用电源时,应注意的原则为:
1)2路最好为对称输出(功率对称,电压对称),无明显的主、辅电路之分,比如我们常用到的±12V,±15V等都属于此类;
2)2路输出电压精度要求都不是太高,1%左右;
3)2路输出交叉调整率要求相对较高,2%左右。
下面介绍一种通用性极强的3路电源设计方案,如图5所示。
从图5可以看到,主+5V输出与辅路±Vout(可以是±15V或±12V)输出电路不但反馈相互独立,而且其PWM(脉宽调制器),功率变换和变压器都是相互独立的。可以将此3路电源看成是由相互独立的1个+5V电源和1个±Vout电源共同组合而成。为了进一步减少二者之间的相互干扰和降低各自输出电压纹波的峰-峰值,应当进一步减小各独立电源的输入反射纹波(一般纹波峰-峰值应小于50mV,纹波有效值应小于10mV)和采用同步工作方式。
2.4高频磁放大器稳压
在多路输出电源中,输出电路经常采用高频磁放大稳压器,它以低成本、高效率、高稳压精度和高可靠性,而在多路输出的稳压电源中得到了广泛应用。
磁放大器能使开关电源得到精确的控制,从而提高了其稳定性。磁放大器磁芯可以用坡莫合金,铁氧体或非晶,纳米晶(又称超微晶)材料制作。非晶、纳米晶软磁材料因具有高磁导率,高矩形比和理想的高温稳定性,将其应用于磁放大器中,能提供无与伦比的输出调节精确性,并能取得更高的工作效率,因而倍受青睐。非晶、纳米晶磁芯除上述特点外还具备以下优点:
1)饱和磁导率低;
2)矫顽力低;
3)复原电流小;
4)磁芯损耗少;
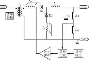
磁放大输出稳压器没有采用晶闸管或半导体功率开关管等调压器件,而是在整流管输出端串联了一个可饱和扼流圈(如图6所示),所以它的损耗小。
由图6可知,磁放大稳压器的关键是可控饱和电感Lsr和复位电路。可控饱和电感是由具有矩形B睭回线的磁芯及其上的绕组组成,该绕组兼起工作绕组和控制绕组的作用。复位(RESET)是指磁通到达饱和后的去磁过程,使磁通或磁密回到起始的工作点,称为磁通复位。由于磁放大稳压器所用的磁芯材料的特点(良好的矩形B睭回线及高的磁导率),使得磁芯未饱和时的可控饱和电感对输入脉冲呈现高阻抗,相当于开路,磁芯饱和时可控饱和电感的阻抗接近于0,相当于短路。
目前开关电源工作频率已提到几百kHz以上,磁放大器在开关电源中的广泛应用对软磁材料提出了更高的要求。在如此高的频率下,坡莫合金由于电阻率太低(约60μΩ·cm)导致涡流损耗太大,造成温升高,效率降低,采用超薄带和极薄带虽能有所改善,但成本将大幅度上升;铁氧体具有很高的电阻率(大于105μΩ·cm),但其Bs过低,居里点也太低。由于工作环境恶劣,对材料的应力敏感性、热稳定性等都有严格要求,上述材料是很难满足要求的。
图6磁放大输出稳压电路
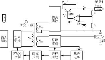
图7辅路带磁放大器的典型应用电路
图8完全利用磁放大器的稳压电路
非晶合金的出现大大丰富了软磁材料。其中的钴基非晶合金具有中等的饱和磁感应强度,超微合金具有较高的饱和磁感应强度,它们都具有极低的饱和磁致伸缩系数和磁晶各向异性。钴基非晶和超微晶在保持高方形比的同时可以具有很低的高频损耗,用于高频磁放大器中,可大大提高电源效率,大幅度减小重量、体积,是理想的高频磁放大器铁芯材料。
3、高频磁放大输出稳压器典型应用电路
图7所示的多路输出电源,其主路为闭环反馈PWM控制方式,辅路为磁放大式稳压电源。由于辅路磁放大输入电压波形受控于变压器主、辅绕组比,以及主路的工作状态(主路输出电压的高低和主路负载的高低等),所以辅路的交叉负载调整率仍然不能够达到理想的状态。
图8所示是一种完全利用磁放大器稳压技术设计的多路输出稳压电源。此电源前级为双变压器自激功率变换电路,后级多路输出均为磁放大器稳压电路。并且各路之间无关,前后级之间无反馈,无脉宽调制器(PWM)。
此电路的优点如下:
1)电路结构简单,使用元器件数量少,除了两只功率管以外,其它元器件均是永久性或半永久性的,可靠性极高,制作也很方便;
2)电路中没有隔离反馈放大器,因此调整极其容易,而且一旦调整好后就无须维护,前级变换功率取决于后级总输出功率;
3)各路的输出特性相互独立,独自调整稳压,无主、辅路之分,所以,各输出电路的负载调整率的交叉负载调整率都非常理想,小于0.5%;
4)磁放大器在功率开通瞬间,处于“开路”状态,功率管在此刻的导通电流趋近于零,因而,损耗减到了最低限度,这有利于变换器的高频化和高效率;
5)由于前级功率变换器为不调宽的纯正方波,以及后级接了磁放大器,这样可以大幅度地降低输出纹波的峰-峰值,普通PWM型电源的输出纹波大约为输出电压标称值的1%左右,而采取带磁放大器的整流电路,纹波的峰-峰值可比较容易地降低到0.1%左右。
上述磁放大型稳压电源的综合电特性都是其它PWM隔离负反馈多路电源所无法比似的。尤其对多路电源实际应用来讲,可以对电源内部特性和电子系统的负载特性不予考虑,拿来就能使用,用上就无问题。但是,现代磁放大型稳压电源还存在如下一些问题,有待解决。
1)电路形式需进一步完善(尤其是电源前级功率变换电路),应加入过、欠压保护,过流、短路保护,电源使能端。
2)进一步提高工作频率,以便减小体积。
3)进一步提高效率,减小磁损。
4、结语
综合上述,对多路电源应用者而言,可以根据电子系统用电情况,更切实际地提出所用电源的特性参数。对多路电源设计者而言,可以更多更系统地了解现今多路电源设计方法,减少新产品的开发周期,做到事半功倍。

最新评论

扫码打开小程序

扫码安装APP

返回顶部