欢迎您,请 登录 或 注册

当前位置:首页 医疗器械维修 基础 电子 查看内容

太实用了|开关电源中各元器件的命名与用途!

2017-7-14 21:34 阅读: 6221 评论: 0 编辑: ygzx1
[导读]引言开关电源的设计对于电源工程师来说是再熟悉不过的了,但设计开关电源并不如想象的那么简单,尤其对刚入行的新手 来讲。其外围电路非常复杂,使用的元器件种类也比较繁多,性能各异。要想设计出性能高的开关电源 ...
引言
开关电源的设计对于电源工程师来说是再熟悉不过的了,但设计开关电源并不如想象的那么简单,尤其对刚入行的新手 来讲。其外围电路非常复杂,使用的元器件种类也比较繁多,性能各异。要想设计出性能高的开关电源就必须弄懂、弄通开关电源中各元器件的类型及主要功能。开关电源的外围电路中使用的元器件大致可分为通用元器件、特种元器件两大类。
电阻器的名称及作用
1:取样电阻
构成输出电压的取样电路,将取样电压送至反馈电路;如下图的电阻R3、R4。
2:均压电阻
在开关电源的对称直流输入电路中起到均压作用,亦称平衡电阻;
如下图中的电阻R1、R2。
3:分压电阻
构成电阻分压器;
4:泄放电阻
断电时可将电磁干扰(EMI)滤波器中电容器存储的电荷泄放掉;
如下图中的电阻R1.
5:限流电阻
起限流保护作用,如用作稳压管、光耦合器及输入滤波电容的限流电阻;
6:电流检测电阻
与过电流保护电路配套使用,用于限制开关电源的输出电流极限;
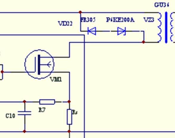
如下图的电阻R5。
7:分流电阻
给电流提供旁路;
8:负载电阻
开关电源的负载电阻(含等效负载电阻);
如下图中的R6,(有的工程师称为假负载或死负载)
9:最小负载电阻
为维持开关电源正常工作所需要的最小负载电阻,可避免因负载开路而导致输出电压过高,因为电源IC都有个最小占空比,所以在电源次级输出端必须接一个负载电阻。
10:假负载
有的也把负载电阻(上面图中的R6)称为假负载。在测试开关电源性能指标时临时接的负载(如电阻丝、水泥电阻);
如下图所示
11:滤波电阻
用作LC型滤波器、RC型滤波器、π型滤波器中的滤波电阻;
12:偏置电阻
给开关电源的控制端提供偏压,或用来稳定晶体管的工作点;
13:保护电阻
常用于RC型吸收回路或VD、R、C型钳位保护电路中;
14:频率补偿电阻
例如构成误差放大器的RC型频率补偿网络;
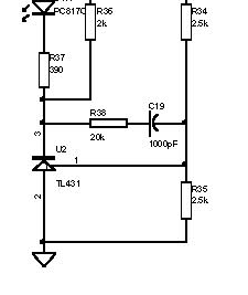
如下图中的R38。
15:阻尼电阻
防止电路中出现谐振。
电容器在开关电源中的名称及作用
1:滤波电容
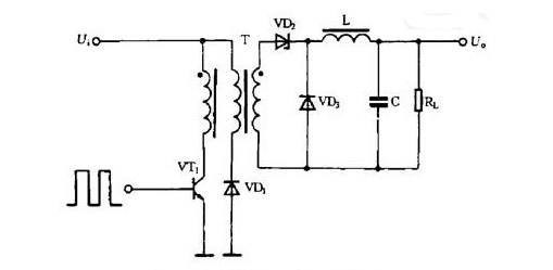
构成输入滤波器、输出滤波器等;
如下图中的C5、C6。
2:耦合电容
亦称隔直电容,其作用时隔断直流信号,只让交流信号通过;
如下图的C3。
3:退藕电容
例如电源退藕电容,可防止产生自激振荡;
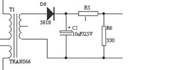
4:软启动电容
构成软启动电路,在软启动过程中使输出电压和输出电流缓慢地建立起来;
5:补偿电容
构成RC型频率补偿网络;
如下图的C19。
6:加速电容
用于提高晶体管的开关速度;
7:振荡电容
可构成RC型、LC型振荡器;
8:微分电容
构成微分电路,获得尖脉冲;
9:自举电容
用于提升输入级的电源电压,亦可构成电压前馈电路;
10:延时电容
与电阻构成RC型延时电路;
11:储能电容
例如极性反转式DC/DC变换器中的泵电容;
12:移相电容
构成移相电路;
13:倍压电容
与二极管构成倍压整流电路;
如下图中的电容器。
14:消噪电容
用于滤除电路中的噪声干扰;
15:中和电容
消除放大器的自激振荡;
16:抑制干扰的电容器
在EMI滤波器中,可分别滤除串模和共模干扰;
17:安全电容
含X电容和Y电容;
如下图中的X和Y电容。
18:X电容
能滤除由一次绕组、二次绕组耦合电容器产生的共模干扰,可为从一次侧耦合到二次侧的干扰电流提供回流路径,防止该电流通过二次侧耦合到大地;
如上图中的CX1和CX2电容。
19:Y电容
能滤除电网之间串模干扰,常用于EMI滤波器中。
如上图中的CY1和CY2电容。
电感器在开关电源中的名称及作用
1:滤波电感
构成LC型滤波器;
如下图的L。
2:储能电感
常用于降压式或升压式DC/DC变换器电路中;
如下图中的L。
3:振荡电感
构成LC型振荡器;
4:共模电感
亦称共模扼流圈,常用于EMI滤波器中,对共模干扰起到抑制作用;
如下图中的L1。
5:串模电感
亦称串模扼流圈,它采用单绕组结构,一般串联在开关电源的输入电路中;
如下图中的L2。
变压器在开关电源中的名称及作用
1:工频变压器
对交流电源进行变压与隔离,再经过整流滤波后给DC/DC变换器(即开关稳压器)供电;
2:高频变压器
对高频电源进行储能、变压和隔离,适用于无工频变压器的开关电源中;
如下图中的T1。

最新评论

扫码打开小程序

扫码安装APP

返回顶部