
-
- 详解PCB抄板过程中反推原理图的方法
- 摘要:在PCB反向技术研究中,反推原理图是指依据PCB文件图反推出或者直接根据产品实物描绘出PCB电路图,旨在说明线路板原理及工作情况。并且,这个电路图也被用来分析产品本身的功能特征。而在正向设计中,一般产品的研发 ...
-
- 估算表面贴装半导体的温升
- 摘要:过去估算半导体温升十分简单。您只需计算出组件的功耗,然后采用冷却电路电模拟即可确定所需散热片的类型。现在出于对尺寸和成本因素的考虑,人们渴望能够去除散热片,这就使得这一问题复杂化了。贴装在散热增强型封 ...
-
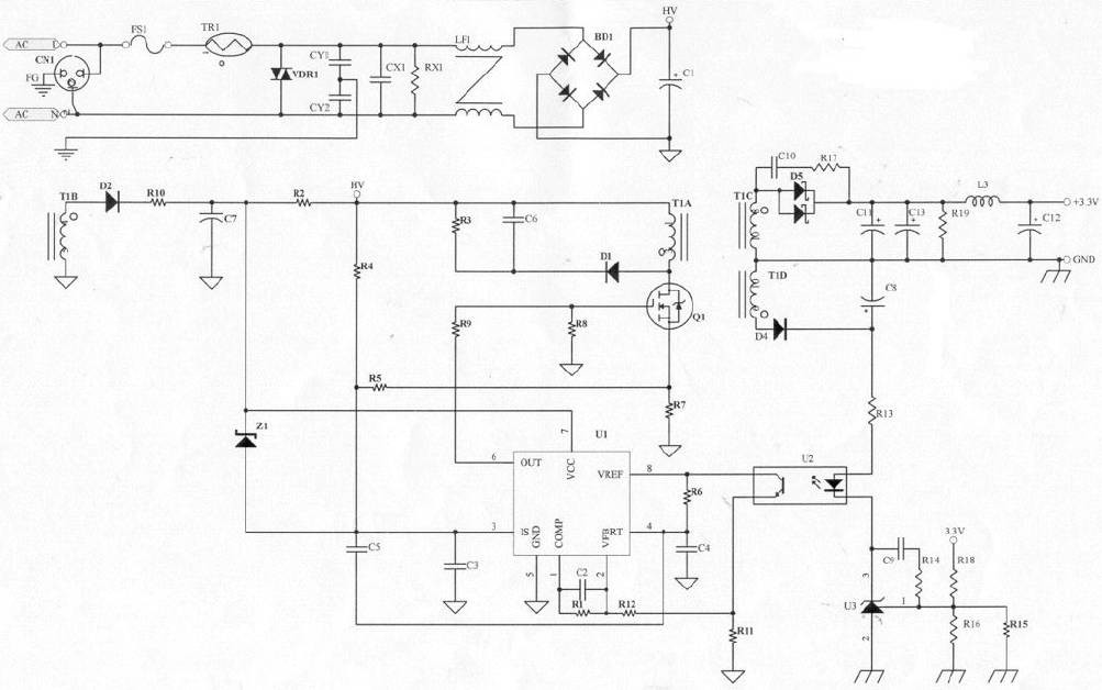
- 电源设计实例--手把手教你到每一个元器件
- 摘要:电源设计全过程本次讲解电源以一个13.2W电源为例输入:AC90~264V输出:3.3V/4A原理图变压器是整个电源供应器的重要核心,所以变压器的计算及验证是很重要的。决定变压器的材质及尺寸:依据变压器计算公式获取本文原版 ...
-
-
- 非线性光耦与线性光耦的不同
- 摘要:在电路中光耦的电路非常常见,光耦在电路中的作用是进行隔离并对光电进行转换,光耦的种类当中,包括线性光耦与非线性光耦。虽然都是光耦,但是这两种光耦的区别在哪?如何来进行区分呢?本文就将为大家介绍线性光耦 ...
-
- 解读四类磁粉芯软磁材料特性
- 摘要:引言磁粉芯材料作为一种比较新的软磁材料,在最近几年越发的受到人们的关注。所谓的磁粉芯教材,指的是一种由颗粒直径很小的铁磁性粉粒与绝缘介质混合压制而成的磁芯。这种磁芯一般是环形,也有压制成E形的。常用磁 ...
-
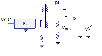
- 献给新手:整流二极管怎么装比较好
- 摘要:下图所示整流电路.使月中整流桥出现破裂.滤波电容冒烟。进一步检查发现整流桥发热较严重,由于其引脚被剪短后紧阽印板安装.其周边印板已呈现焦黄色。 原因 下图电路中,交流正半周时D1、D3导通;负半月时D2、D4导 ...
-
- 电源变压器你需要知道的特性参数
- 摘要:1、工作频率变压器铁芯损耗与频率关系很大,故应根据使用频率来设计和使用,这种频率称工作频率。2、额定功率在规定的频率和电压下,变压器能长期工作,而不超过规定温升的输出功率。3、额定电压指在变压器的线圈上 ...
-
- 阻容降压知识点尽在此文
- 摘要:一 阻容降压的基本概念1、什么是阻容降压?阻容降压是一种利用电容在一定频率的交流信号下产生的容抗来限制最大工作电流的电路。电容器实际上起到一个限制电流和动态分配电容器和负载两端电压的角色。2、阻容降压电 ...
-
- 手机开关电源充电器原理介绍
- 摘要:手机开关电源充电器原理介绍 锂离子电池的工作机理是:电池充电时,正极材料中的锂形成离子溶出,嵌入到负极改性石墨层中;电池放电时,锂离子从石墨层中脱嵌,穿过隔离膜回填到正极钴氧化锂的层状结构中。随充放电的 ...
-
- 【图文并茂】超实用--开关电源原边反馈技术
- 摘要:概要●PSR简介●PSR的输出检测方法●PSR特有的问题需要文档→超实用--开关电源原边反馈技术.ppt的朋友请加小编个人微信:gcj5055免费索取原边反馈(PSR)简介●在小功率消费类电子应用中,反激式电源是主流,因为反 ...
-
- 开关电源生产测试技巧
- 摘要:在生产过中被测的产品难免会有元件插错插反或焊接不好短路等原因造成的产品不良品。如果出现这样的不良品直接通电将会构成强大的电流回路轻者会烧毁被测产品保险丝重则被测产品元件大量烧毁如开关功率元件烧毁短路。 ...
-
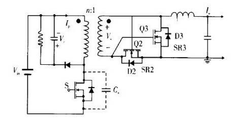
- 正激变换器中同步整流驱动分析
- 摘要:概要计算机、通信交换机等数据处理设备在电路密度和处理器速度不断提高的同时,电源系统也向低压、大电流和更加高效、低耗、小型化方向发展。如今IC 电压已经从5 V 降为3. 3 V 甚至1. 8 V ,今后还会更低。在DC2DC 变 ...
-
- PADSLAYOUT快捷键
- 摘要:【电源相关招聘】05/17更新一、原理图库P/P:画元器件引脚P/A:画弧线P/L:画直线P/A:画矩形T/C:创建一个新的元器件T/R:删除元器件T/E:重命名元器件T/W:为元器件创建一新子件T/T:删除元器件的一个子件二、 原理图Ctrl ...
-
- 降低外部电源单元的功耗
- 摘要:降低外部电源单元的功耗绿色”电源挟着充分优势在功率电子行业中普及使用。电子设备的日益增多为全国供电网带来了不断增长的压力。此外,节省能源的需求刻不容缓。政府机构和公共事业企业正在制定一系列规范,积极鼓 ...

扫码打开小程序

扫码安装APP