欢迎您,请 登录 或 注册

当前位置:首页 医疗器械维修 基础 电子 查看内容

正激变换器中同步整流驱动分析

2017-7-14 16:33 阅读: 573 评论: 0 编辑: ygzx1
[导读]概要计算机、通信交换机等数据处理设备在电路密度和处理器速度不断提高的同时,电源系统也向低压、大电流和更加高效、低耗、小型化方向发展。如今IC 电压已经从5 V 降为3. 3 V 甚至1. 8 V ,今后还会更低。在DC2DC 变 ...
概要
计算机、通信交换机等数据处理设备在电路密度和处理器速度不断提高的同时,电源系统也向低压、大电流和更加高效、低耗、小型化方向发展。如今IC 电压已经从5 V 降为3. 3 V 甚至1. 8 V ,今后还会更低。在DC2DC 变换器中,整流部分的功耗占整个输出功率的比重不断增大,已成为制约整机效率提高的障碍。传统整流电路一般采用功率二极管整流,由于二极管的通态压降较高,因此在低压、大电流时损耗很大。这就使得同步整流技术得到了普遍关注并获得大量应用 。同步整流技术就是用低导通电阻MOSFET 代替传统的肖特基整流二极管,由于MOSFET 的正向压降很小,所以大大降低了整流部分损耗。同时对MOSFET 给出开关时序随电路拓扑工作要求作相应变化的门极驱动信号。由于门极驱动信号与MOSFET开关动作接近同步,所以称为同步整流(SynchrONous Rectification ,简称SR) 。
正激变换器中的同步整流 
自驱动同步整流是指直接从变压器副边绕组或副边电路的某一点上获取电压驱动信号,来驱动同步整流管。外驱动同步整流是指通过附加的逻辑和驱动电路,产生随主变压器副边电压作相应时序变化的驱动信号,驱动SR 管。这种驱动方法能提供高质量的驱动波形,但需要一套复杂的驱动控制电路。相比较来说,自驱动同步整流的电路结构简单,所需元件数量较少;同时自驱动同步整流续流二极管靠复位电压驱动,所以工作特性依赖于功率变压器的复位方式。理想情况是变压器复位时间与主开关管关断时间相等,这样,输出电流将在整个关断期间内通过同步整流管续流。由于漏源极间PN 结的存在,使MOSFET 漏源极之间存在一个集成的反向并联体二极管。电路拓扑要求整流管有反向阻断功能,因此MOSFET 作为整流管使用时,流过电流的方向必须是从源极到漏极,而不是通常的从漏极到源极。实际应用中,2 只SR 管的驱动信号之间应保证足够的死区时间。因为在2 个SR 管换流期间,如果一只整流管已处于导通态,而另外一只还没有关断,就会造成短路,导致较大的短路电流,可能会烧毁MOS 管。但死区时间也不能过长,因为在死区时间内,负载电流从SR 管的体二极管流过,完成MOSFET 作为整流管的功能,如果死区时间过长,电路虽然仍能正常工作,但会增加损耗。因此,从减小损耗的角度考虑,死区时间应设置得足够小。
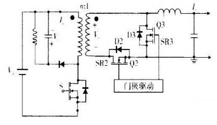
图1  RCD 箝位自驱动同步整流正激变换器
1. 1  RCD 箝位自驱动同步整流正激变换器
图1 为输出端采用自驱动同步整流的正激变换器电路。同步整流管包括SR2 (Q2 和D2) 和SR3 (Q3 和D3) ,它们直接被变压器副边电压驱动,不需要专门的驱动器或控制电路来提供门极驱动信号。这种自驱动电路是同步整流中较简单的形式,因为SR3 的门极驱动信号来自变压器磁芯复位电压,所以它的工作特性取决于变压器磁芯复位方式。
图2  RCD 箝位自驱动同步整流正激变换器波形图
(a) 主开关管门极驱动信号 (b) 主开关管漏源极电压 (c) 流过同步整流管SR2 的电流 (d) 流过同步整流管SR3 的电流图1 电路中原边主开关管的门极驱动信号、漏源极电压波形与副边SRs 管的电流波形分别如图2 所示。从图2 (c) 波形中可以看出,在变压器磁芯复位结束时,变压器的磁化电流I2m 开始流过SR2 的体二极管D2 。磁化电流I2m 的大小与变压器的匝比、复位电压和主开关管两端的总电容量的平方根三者的乘积成正比,与变压器磁化电感的平方根成反比。其中从主开关管两端看过去的总电容量是主开关管输出电容、变压器绕组电容、箝位二极管跨接电容、SR3 的反射输入电容、SR2 的反射输出电容的总和。同样,从图2 ( d) 波形中可以看出, 在变压器复位完成之后,原来SR3 的晶体管Q3 上流过的负载电流Io 减去磁化电流I2m 后换流到体二极管D3 。由于SR2 和SR3 的体二极管的正向压降相对较高,所以体二极管的导通以及死区时间( Tdead) 的延续就降低了同步整流的效率。减少这种损耗的方法是给SR2 与SR3 并联肖特基二极管或减少D2 和D3 的导通时间。D2 的导通时间可以通过采用新的变压器复位方式使死区时间最小化来缩短;D3 的导通时间可以通过使用外部门极驱动信号驱动Q3 或采用其他复位方式使死区时间最小化来缩短。由于负载电流Io 比磁化电流I2m 大很多,所以在死区时间内,由D3 导通造成的损耗比D2导通造成的损耗大很多。例如,对于设计良好的变换器,在输出电流为15~20 A 时, I2m 通常小于2 A ,D2 的导通损耗对输出效率的影响相对来说较小。
SR2 和SR3 的体二极管的导通损耗也与换向时间Toncom和Toffcom有关,如图2 (c) 、图2 (d) 所示。SR2 的体二极管D2 仅在死区期间和主开关管关断后一个极短的时间内导通。当死区时间仅由变压器的复位电压决定时,主开关管关断后D2 的转换时间依赖于副边电压的跌落时间和输出电流从二极管D2 到晶体管Q3 的换向时间( Toffcom) 。变压器副边电感决定换向时间Toffcom ,也决定主开关管开通后,从二极管D3 到晶体管Q2换流所需的换向时间( Toncom) 。副边电感包括变压器的漏电感、SRs 的封装(寄生或杂散) 电感和副边交互电感。与D3 在Toncom期间产生的导通损耗对SR3 总体损耗的影响相比,D2 在Toffcom期间产生的导通损耗对SR2的总体损耗的影响要大得多。为了减少换向时间,副边的电感量应该尽量小,尤其要注意的是减小变压器的漏电感,这对于减少SRs 的门极驱动电压损失特别重要。SRs 体二极管的导通,不仅增加导通损耗,而且也带来在体二极管关断期间,出现在另一个SR 的体二极管和晶体管之上的由于反向恢复引起的功率损耗。反向恢复引起的功率损耗与恢复电荷Qrr 、频率和副边电压成比例,一般通过给SR2 和SR3 并联肖特基二极管来消除。
1. 2  有源箝位自驱动同步整流正激变换器
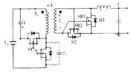
图3  有源箝位自驱动同步整流正激变换器
如图3 所示为有源箝位复位方式的自驱动正激变换器电路[5 ] 。它的主要波形如图4 所示。因为变压器磁芯在几乎整个主开关管关断期间被复位,所以这种复位方式将死区时间减至最小。结果晶体管Q3 的导通时间被最大化,D2 传导磁化电流的时间被最小化。因此相对于RCD 箝位方式,有源箝位复位方式变换器的转换效率有所提高。同时,有源箝位复位方式减小了主开关管上的电压应力。此外,适当调整变压器的磁化电感,可使主开
图4  有源箝位自驱动同步整流正激变换器波形图
(a) 主开关管门极驱动信号 (b) 主开关管漏源极电压 (c) 流过同步整流管SR2 的电流 (d) 流过同步整流管SR3 的电流关管在零电压下开通。与采用RCD 箝位方式的电路相比,有源箝位方式的缺点是需要一个额外的开关管和相应的驱动电路。所以使用肖特基二极管与SR2 并联来提高RCD 箝位电路效率的方法应该比采用有源箝位方法更简单、经济。而在需要着重考虑电压应力和软开关的同步整流应用中,有源箝位方法是一个不错的选择。虽然自驱动同步整流易于实现,但驱动波形质量不如外驱动电路理想,而且不适于在输入电压变化范围较大的情况下使用。对于在图1 和图3 中所示的自驱动同步整流,最大可接受的输入电压范围很大程度依赖于输出电压。因为SR2 的门极驱动电压与输入电压成一定比例,所以输出电压越高, 可接受的输入电压范围就越窄。同样,最小副边电压(如门极驱动电压) 依赖于所需的输出电压和最大占空比。如果输入电压范围较宽并且输出电压相对较高( > 5 V) ,门极驱动电压在上限有可能超过(或接近) 最大允许门极驱动电压。可以用一个单独的绕组给Q2 提供门极驱动信号来消除输出电压对门极驱动电压幅度的影响。同样, 可以通过设置门源极间的电压箝位电路来限定最大门极驱动电压。但是这些调整需要附加元件或一个多绕组的变压器,增加了自驱动方法的复杂性。因此,自驱动SRs 比较适于在较窄的输入电压变化范围和较低输出电压的情况下使用。
1. 3  外驱动同步整流正激变换器
外驱动同步整流正激变换器的电路如图5 所示,它的主要波形如图6 所示。在电路中,晶体管Q2 和Q3 被从主开关管门极驱动获得的信号所驱动,因此,同步整流管的导通时间与变压器的复位方式无关,仅取决于门极驱动信号的时间。从图6 (c) 、图6 (d) 可见,当从控制电路驱动同步整流管时,得到Q3 的最大导通时间,它不影响在死区期间通过二极管D2 的磁化电流的导通时间。在死区时间内,晶体管Q2 是关闭的(对Q2 的门极驱动较低) ,对于外驱动的同步整流管,在死区时间内,二极管D2 的导通与自驱动完全相同。在设置SRs 的理想门极驱动时间情况下,除了在死区时间内D2 不可避免导通以外,应该避免体二极管导通。这就需要非常精确地安排门极驱动时间,即在施加/ 中止一个SR 的门极驱动信号的同时,中止/ 施加另一个SR 门极驱动信号。但是,这种理想的互补驱动实际上是不可能实现的。在意外情况下,短暂的门极驱动信号交叠将同时开通2 个SRs ,这会引起副边短路,造成副边电流增大,不仅会使效率降低,甚至会烧毁变换器。为了避免在实际应用中SRs 同时导通,在2 个门极驱动信号之间一定要加入延迟。但在延迟期间,因为没有门极驱动信号作用于SRs ,SRs 的体二极管导通,这就增加了导通损耗,而且带来反向恢复损耗。因此,控制同步整流驱动的效果很大程度上依赖于门极驱动的时间安排。
图5  外驱动同步整流正激变换器的电路
图6  外驱动同步整流正激变换器主要波形
结语
讨论了正激变换器同步整流的驱动方法,分析了变压器复位机制对自驱动同步整流效果的影响,在一个输出3. 3 V/ 20 A 的正激变换器中,用同步整流取代传统的肖特基二极管整流,实验结果证明效率提高了1 %~2 %。这说明,同步整流取代肖特基二极管整流对提高变换器效率的作用是明显的,但效率的提高是有限的,受到包括输出电压、输出电流、SRs 的通态阻抗、SRs 的正向压降等许多因素的限制。只有把这些限制因素之间的相互作用分析清楚,选择正确的驱动控制方法,才能有效地提高同步整流的效率。

  上一篇:PADSLAYOUT快捷键
  下一篇:开关电源生产测试技巧

最新评论

扫码打开小程序

扫码安装APP

返回顶部