
-
- 好资料:有源钳位正激原理与设计实例
- 摘要:好资料:有源钳位正激原理与设计实例获取本文高清原版文档有源钳位正激原理与设计实例.ZIP方法如下:关注本公众号,然后在公众号回复“钳位”免费获取
-
-
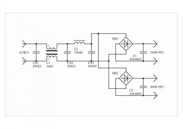
- 老工程师教你优化EMC滤波器
- 摘要:老工程师教你优化EMC滤波器几乎所有的电气设备中都会发现有开关电源的应用。通常要求开关电源的效率应尽可能高,空载下损耗应控制在毫瓦范围内。与之相反的要求则是:产品的综合成本应尽可能低。鉴于符合标准的产品 ...
-
- 【实用】数字万用表各种测量全程图解!!!
- 摘要:摘要 数字万用表可用来测量直流和交流电压、直流和交流电流、电阻、电容、频率、电池、二极管等等。整机电路设计以大规模集成电路双积分A/D转换器为核心,并配以全过程过载保护电路,使之成为一台性能优越的工具仪 ...
-
- (连载67)变压器铁芯脉冲导磁率与平均导磁率的测量
- 摘要:(连载67)变压器铁芯脉冲导磁率与平均导磁率的测量(连载01)开关电源的基本工作原理(连载02)串联式开关电源输出电压滤波电路(连载03)串联式开关电源储能滤波电感的计算(连载04)串联式开关电源储能滤波电容的计算(2)(连 ...
-
- “开关电源”被外行理解成“开关”的尴尬!
- 摘要:“开关电源”被外行理解成“开关”的尴尬!每个人心中都有一个“电源”的样子。我妈以为电源就是家里的电灯泡。我爸以为电源是手机上的电池板。工程师朋友们心中的电源可能就是AC/DC变换器。“电源”这个词有点笼统 ...
-
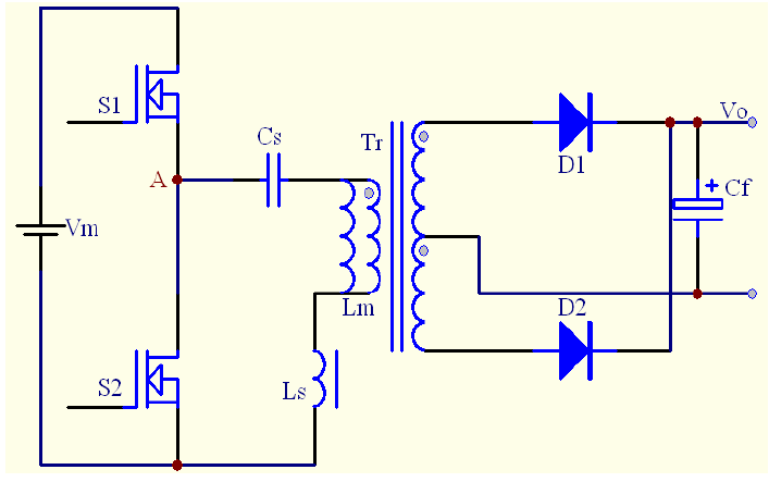
- L6562+L6599实例分析计算LLC电源电路
- 摘要:引言随着开关电源的发展,软开关技术得到了广泛的发展和应用,已研究出了不少高效率的电路拓扑,主要为谐振型的软开关拓扑和PWM型的软开关拓扑。近几年来,随着半导体器件制造技术的发展,开关管的导通电阻,寄生电 ...
-
- 【技术猎奇】电源某元器件莫名发热及问题解决过程
- 摘要:电源桥堆莫名发热及问题解决过程前段时间,一台 稍特殊 的 电源,调试过程中,发现 桥堆 很奇怪的 发热。在这将 问题查找 及 解决过程 分享一下。在迷底没揭开之前,也希望网友们 积极分析 其原因。先大概说一下,这 ...
-
- (连载09)并联式开关电源输出电压滤波电路
- 摘要:(连载09)并联式开关电源输出电压滤波电路1-4-2.并联式开关电源输出电压滤波电路上面已经知道,当并联式开关电源不带输出电压滤波电路时,输出脉冲电压的幅度将非常高。但在应用中,大多数并联式开关电源输出电压还 ...
-
- IGBT是啥?本文带你了解它的前世今生
- 摘要:引言电的发现是人类历史的革命,由它产生的动能每天都在源源不断的释放,人对电的需求不亚于人类世界的氧气,如果没有电,人类的文明还会在黑暗中探索。然而在电力电子里面,最重要的一个元件就是IGBT。没有IGBT就不 ...
-
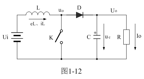
- (连载14)正激式变压器开关电源的优缺点
- 摘要:(连载14)正激式变压器开关电源的优缺点(连载01)开关电源的基本工作原理(连载02)串联式开关电源输出电压滤波电路(连载03)串联式开关电源储能滤波电感的计算(连载04)串联式开关电源储能滤波电容的计算(2)(连载05)反转 ...
-
- 电流检测电路设计技巧
- 摘要:电流检测电路设计技巧用招就要用妙招,今天来教大家几个电流检测电路的巧妙技巧。要知道在电源等设备中通常需要做电流检测或反馈,电流检测通常用串联采样电阻在通过放大器放大电阻上的电压的方法,如果要提高检测精 ...
-
- 基础:各种电源滤波电路解析
- 摘要:引言在整流电路输出的电压是单向脉动性电压,不能 直接给电子电路使用。所以要对输出的电压进行滤波, 消除电压中的交流成分,成为直流电后给电子电路使 用。在滤波电路中,主要使用对交流电有特殊阻抗特性 的器件, ...
-
- (连载07)反转式串联开关电源储能滤波电容的计算
- 摘要:(连载07)反转式串联开关电源储能滤波电容的计算1-3-3.反转式串联开关电源储能滤波电容的计算反转式串联开关电源储能滤波电容参数的计算,与串联式开关电源储能滤波电容的计算方法基本相同。但要注意,即使是在占空 ...
-
- 开关电源32个测试项:测试所需工具、测试方法、波形
- 摘要:摘要1、功率因素和效率测试2、平均效率测试3、输入电流测试4、浪涌电流测试5、电压调整率测试6、负载调整率测试7、输入缓慢变动测试8、纹波及噪声测试9、上升时间测试10、下降时间测试11、开机延迟时间测试12、关机 ...

扫码打开小程序

扫码安装APP