欢迎您,请 登录 或 注册

当前位置:首页 医疗器械维修 基础 电子 查看内容

(连载14)正激式变压器开关电源的优缺点

2017-7-14 21:29 阅读: 847 评论: 0 编辑: ygzx1
[导读](连载14)正激式变压器开关电源的优缺点(连载01)开关电源的基本工作原理(连载02)串联式开关电源输出电压滤波电路(连载03)串联式开关电源储能滤波电感的计算(连载04)串联式开关电源储能滤波电容的计算(2)(连载05)反转 ...
(连载14)正激式变压器开关电源的优缺点
(连载01)开关电源的基本工作原理
(连载02)串联式开关电源输出电压滤波电路
(连载03)串联式开关电源储能滤波电感的计算
(连载04)串联式开关电源储能滤波电容的计算(2)
(连载05)反转式串联开关电源
(连载06)反转式串联开关电源储能电感的计算
(连载07)反转式串联开关电源储能滤波电容的计算
(连载08)并联式开关电源的工作原理
(连载09)并联式开关电源输出电压滤波电路
(连载10)并联开关电源储能电感的计算
(连载11)单激式变压器开关电源
(连载12)单激式变压器开关电源工作原理
(连载13)正激式变压器开关电源
1-6-2.正激式变压器开关电源的优缺点
为了表征各种电压或电流波形的好坏,一般都是拿电压或电流的幅值、平均值、有效值、一次谐波等参量互相进行比较。在开关电源之中,电压或电流的幅值和平均值最直观,因此,我们用电压或电流的幅值与其平均值之比,称为脉动系数S;也有人用电压或电流的有效值与其平均值之比,称为波形系数K。
因此,电压和电流的脉动系数Sv、Si以及波形系数Kv、Ki分别表示为:
Sv = Up/Ua 电压脉动系数 (1-84)
Si = Im/Ia 电流脉动系数 (1-85)
Kv =Ud/Ua 电压波形系数 (1-86)
Ki = Id/Ia 电流波形系数 (1-87)
上面4式中,Sv、Si、Kv、Ki分别表示:电压和电流的脉动系数S,和电压和电流的波形系数K,在一般可以分清楚的情况下一般都只写字母大写S或K。脉动系数S和波形系数K都是表征电压或者电流好坏的指标,S和K的值,显然是越小越好。S和K的值越小,表示输出电压和电流越稳定,电压和电流的纹波也越小。
正激式变压器开关电源正好是在变压器的初级线圈被直流电压激励时,变压器的次级线圈向负载提供功率输出,并且输出电压的幅度是基本稳定的,此时尽管输出功率不停地变化,但输出电压的幅度基本还是不变,这说明正激式变压器开关电源输出电压的瞬态控制特性相对来说比较好;只有在控制开关处于关断期间,功率输出才全部由储能电感和储能电容两者同时提供,此时输出电压虽然受负载电流的影响,但如果储能电容的容量取得比较大,负载电流对输出电压的影响也很小。
另外,由于正激式变压器开关电源一般都是选取变压器输出电压的一周平均值,储能电感在控制开关接通和关断期间都向负载提供电流输出,因此,正激式变压器开关电源的负载能力相对来说比较强,输出电压的纹波比较小。如果要求正激式变压器开关电源输出电压有较大的调整率,在正常负载的情况下,控制开关的占空比最好选取在0.5左右,或稍大于0.5,此时流过储能滤波电感的电流才是连续电流。当流过储能滤波电感的电流为连续电流时,负载能力相对来说比较强。
当控制开关的占空比为0.5时,正激式变压器开关电源输出电压uo的幅值正好等于电压平均值Ua的两倍,流过滤波储能电感电流的最大值Im也正好是平均电流Io(输出电流)的两倍,因此,正激式变压器开关电源的电压和电流的脉动系数S都约等于2,而与反激式变压器开关电源的电压和电流的脉动系数S相比,差不多小一倍,说明正激式变压器开关电源的电压和电流输出特性要比反激式变压器开关电源好很多。
正激式变压器开关电源的缺点也是非常明显的。其中一个是电路比反激式变压器开关电源多用一个大储能滤波电感,以及一个续流二极管。此外,正激式变压器开关电源输出电压受占空比的调制幅度,相对于反激式变压器开关电源来说要低很多,这个从(1-77)和(1-78)式的对比就很明显可以看出来。因此,正激式变压器开关电源要求调控占空比的误差信号幅度比较高,误差信号放大器的增益和动态范围也比较大。
另外,正激式变压器开关电源为了减少变压器的励磁电流,提高工作效率,变压器的伏秒容量一般都取得比较大(伏秒容量等于输入脉冲电压幅度与脉冲宽度的乘积,这里用US来表示),并且为了防止变压器初级线圈产生的反电动势把开关管击穿,正激式变压器开关电源的变压器要比反激式变压器开关电源的变压器多一个反电动势吸收绕组,因此,正激式变压器开关电源的变压器的体积要比反激式变压器开关电源的变压器的体积大。
正激式变压器开关电源还有一个更大的缺点是在控制开关关断时,变压器初级线圈产生的反电动势电压要比反激式变压器开关电源产生的反电动势电压高。因为一般正激式变压器开关电源工作时,控制开关的占空比都取在0.5左右,而反激式变压器开关电源控制开关的占空比都取得比较小。
正激式变压器开关电源在控制开关关断时,变压器初级线圈两端产生的反电动势电压是由流过变压器初级线圈的励磁电流产生的。因此,为了提高工作效率和降低反电动势电压的幅度,尽量减小正激式开关电源变压器初级线圈的励磁电流是值得考虑的。
当控制开关的占空比为0.5时,在控制开关关断时刻,电源变压器初级会产生反电动势,反电动势产生的电流方向与输入电压Ui产生的电流方向相同,因此,控制开关两端的电压正好等于输入电压Ui与反电动势Up-之和,即:
Ukp = Ui+Up- K关断期间 (1-88)
式中Ukp为控制开关关断时刻,控制开关两端的电压;Up-为变压器初级线圈产生反电动势电压的峰值。根据(1-68)式和图1-16-b可知,Up-一般都大于输入电压Ui,因此Ukp大于两倍Ui。
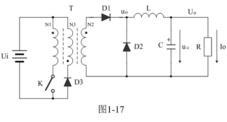
一般正激式变压器开关电源都设置有一个反电动势能量吸收回路,如图1-17中的变压器反馈线圈N3绕组和整流二极管D3,此时,反电动势电压的峰值一般都被限幅到输入电压Ui的值,如果不考虑变压器初、次级线圈的漏感,则(1-88)式可以改写为:
Ukp = 2Ui 带限幅电路 (1-89)
这个电压对于电源开关管来说是很高的。例如电源输入电压为交流220伏,经整流滤波后其最大值就是311伏,根据(1-89)式可求得Uk = 622伏;如果输入电压为交流253伏(±15%),那么,可以求得Ukp = 715伏,这还不算变压器初级线圈漏感产生的反电动势电压。一般图1-17中的变压器反馈线圈N3绕组和整流二极管D3,对变压器初级线圈N1绕组漏感产生的反电动势电压是无法进行吸收的,这一点需要特别注意。为了吸收变压器初级线圈N1绕组漏感产生的反电动势,在变压器初级线圈回路中还要专门设置一个反电动势吸收电路,这一方面内容后面还要更详细介绍。
一般电源开关管的耐压都在650伏左右,因此,正激式变压器开关电源在输入电压为交流220伏的设备中很少使用,或者用两个电源开关管串联来使用。由于正激式变压器开关电源输出电压的瞬态控制特性相对来说比较好,因此,目前在一些对瞬态控制特性要求比较高的场合,用两个电源开关管串联的正激式变压器开关电源也逐步开始增加。
本文章在网上摘抄整理,总共83连载,供大家学习使用。如涉及版权请告知,我们将在24小时内删除。

最新评论

扫码打开小程序

扫码安装APP

返回顶部