欢迎您,请 登录 或 注册

当前位置:首页 医疗器械维修 基础 电子 查看内容

强力解剖开关电源中磁性元器件!!!

2017-7-14 21:32 阅读: 992 评论: 0 编辑: ygzx1
[导读]摘要功率变换器中的功率磁性元件功率变换器技术与磁性元件磁性元件的模型变压器模型电感器模型反激变换器实际工作波形DCM下波形与变压器参数CCM下波形与变压器参数电感分布电容EPC对损耗的影响变压器中的磁场/涡流场 ...
摘要
功率变换器中的功率磁性元件
功率变换器技术与磁性元件
磁性元件的模型
变压器模型
电感器模型
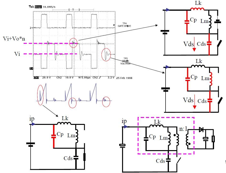
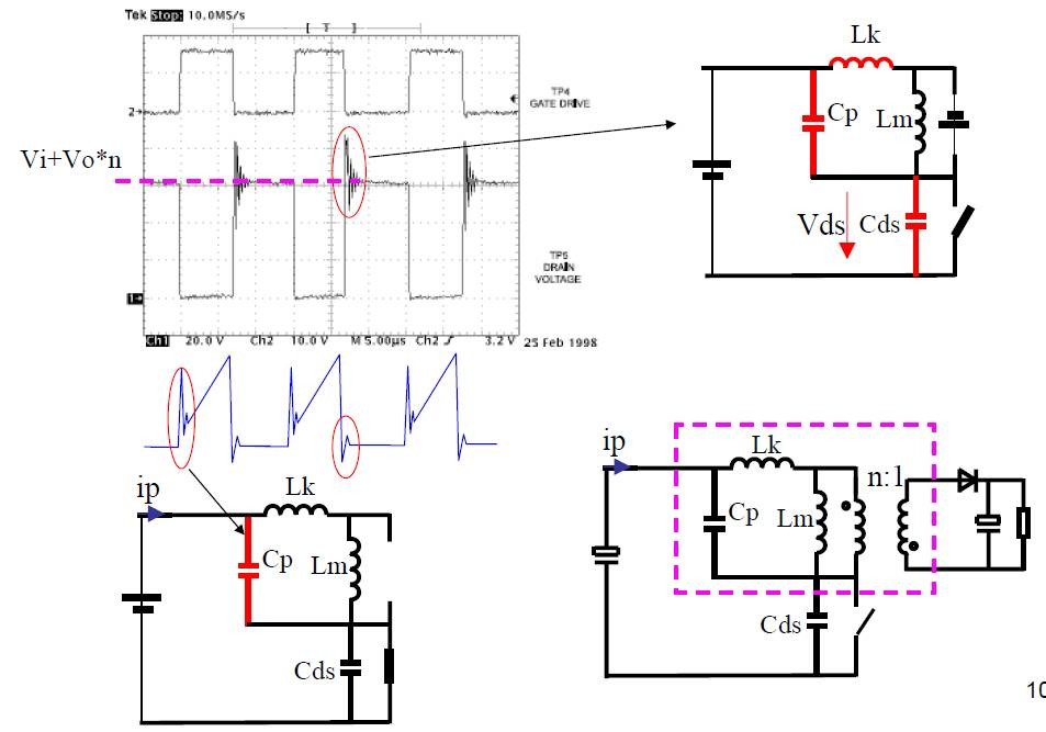
反激变换器实际工作波形
DCM下波形与变压器参数
CCM下波形与变压器参数
电感分布电容EPC对损耗的影响
变压器中的磁场/涡流场分布特性
铜箔导体的涡流损耗特性
降低变压器的绕组损耗--基本结构考虑
不同绕组结构的磁场和电流密度分布
绕组的分布电容EPC
电感绕组分布电容的形成机理
电感绕组不同绕法对分布电容的影响
分布电容计算的基本方法
线圈分布电容的近似理论计算
多层线圈的分布电容
带屏蔽层的绕组分布电容
分段绕组的分布电容特性
变压器内部的电荷分布情况与分布电容
有屏蔽层变压器内部的电荷分布情况
变压器副边电荷的抵消设计
结论
功率变换器中的功率磁性元件过温保护电路
基于实际项目,原创反激开关电源视频教程曝光
为了给想学习电源技术而找不到途径的新人和想更进一步巩固电源技术的在职电源工程师一个学习平台,此次知名资深电源工程师张飞应邀请,花了整整6个月的时间做了一个反激开关电源实际项目,把整个项目的过程以视频的方式记录了下来;一边做项目一边讲解,同时将其录制。
视频内容截屏神秘曝光
PCB版、电源实物曝光

最新评论

扫码打开小程序

扫码安装APP

返回顶部