
-
- (连载26)双激式变压器开关电源part1
- 摘要:(连载26)双激式变压器开关电源part1(连载01)开关电源的基本工作原理(连载02)串联式开关电源输出电压滤波电路(连载03)串联式开关电源储能滤波电感的计算(连载04)串联式开关电源储能滤波电容的计算(2)(连载05)反转式串 ...
-
- (连载27)双激式变压器开关电源part2
- 摘要:(连载27)双激式变压器开关电源part2(连载01)开关电源的基本工作原理(连载02)串联式开关电源输出电压滤波电路(连载03)串联式开关电源储能滤波电感的计算(连载04)串联式开关电源储能滤波电容的计算(2)(连载05)反转式串 ...
-
-
- (连载30)推挽式变压器开关电源储能滤波电容参数的计算
- 摘要:(连载30)推挽式变压器开关电源储能滤波电容参数的计算(连载01)开关电源的基本工作原理(连载02)串联式开关电源输出电压滤波电路(连载03)串联式开关电源储能滤波电感的计算(连载04)串联式开关电源储能滤波电容的计算(2 ...
-
-
- 桥式拓扑结构功率MOSFET驱动电路设计
- 摘要:1 引言功率MOSFET 以其开关速度快、驱动功率小和功耗低等优点在中小容量的变流器中得到了广泛的应用。当采用功率MOSFET 桥式拓扑结构时, 同一桥臂上的两个功率器件在转换过程中, 栅极驱动信号会产生振荡, 此时功率 ...
-
- 【分享】元器件识别真假最简单的几个方法
- 摘要:元器件识别真假最简单的几个方法文中关注的重点还是原装货和散新货的识别;但另一种情况更严重,就是很多低端品牌仿冒产品,直接印上高端品牌的标识,当原装货售卖。说到元器件的真假,无非就是需要辨别一下,元器件 ...
-
- 讲讲如何提升反激式开关电源的轻载效率
- 摘要:讲讲如何提升反激式开关电源的轻载效率现如今家用电器、视听产品越来越普及,加之办公自动化的广泛应用和网络化的不断发展,越来越多的产品具有了待机功能。这些新产品、新技术在极大方便我们生活的同时,也造成了大 ...
-
- 实例讲解buck电路当中电感过大的解决
- 摘要:实例讲解buck电路当中电感过大的解决在电子电路的学习过程中,新手们往往会遇到这样或者那样的问题。Buck电路的电感取值问题就是其中一个比较经典的问题,很多新手工程师对其中的工作模式不甚理解,网络上关于buck电 ...
-
- 为什么会有0欧电阻这种东西?
- 摘要:为什么会有0欧电阻这种东西?在我们的印象中,电阻就是起到阻碍电流的作用的。但是0欧电阻?不能阻挡电流的电阻我们要它干什么用?实际上,0欧电阻并不是一开始就出现的,而且大部分0欧电阻都是贴片电阻。这是和它的 ...
-
- 全桥VS半桥VS推挽VS正激VS反激
- 摘要:优缺点列表适用场合分析:全桥:当输出相同功率时,半桥式电路的输入电流就要是全桥式电路的2倍;换句话说,如果他们的开关电流一样,电源输入电压也相等,半桥式的输出功率将是全桥式的一半。因此全桥式电路可用于 ...
-
- (连载22)反激式变压器开关电源电路参数计算
- 摘要:(连载22)反激式变压器开关电源电路参数计算(连载01)开关电源的基本工作原理(连载02)串联式开关电源输出电压滤波电路(连载03)串联式开关电源储能滤波电感的计算(连载04)串联式开关电源储能滤波电容的计算(2)(连载05) ...
-
- 单级PFC调试记录曝光
- 摘要:摘要功率因数校正在电子电路中有着较为重要的作用,该项参数主要能够对电力的使用程度进行测量和评估,从而得出电力是否被完全合理利用的结果。本文根据电源达人经验,针对单级功率因数矫正(PFC)电源的调试经验进 ...
-
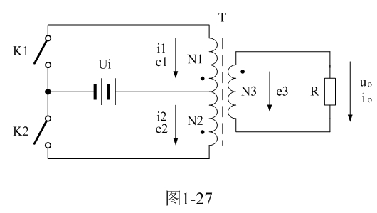
- (连载12)单激式变压器开关电源工作原理
- 摘要:(连载12)单激式变压器开关电源工作原理(连载01)开关电源的基本工作原理(连载02)串联式开关电源输出电压滤波电路(连载03)串联式开关电源储能滤波电感的计算(连载04)串联式开关电源储能滤波电容的计算(2)(连载05)反转 ...
-
- 分享几个电源系统防雷保护电路
- 摘要:分享几个电源系统防雷保护电路电源端口是分布最广泛也最容易感应或传导雷电浪的部位。1.AC380V输入防雷:2.AC220V电源输入防雷:3.AC120V电源输入防雷:4.3G基站-48V电源防雷5.AC24V/DC24V/DC12V输入防雷:

扫码打开小程序

扫码安装APP