欢迎您,请 登录 或 注册

当前位置:首页 医疗器械维修 基础 电子 查看内容

MOS体内二极管的多种妙用--开关电源篇

2017-7-14 21:33 阅读: 2900 评论: 0 编辑: ygzx1
[导读]MOSFET体二极管特性寄生二极管由来是由生产工艺造成的,大功率MOS管漏极从硅片底部引出,就会有这个寄生二极管。小功率MOS管例如集成芯片中的MOS管是平面结构,漏极引出方向是从硅片的上面也就是与源极等同一方向, ...
MOSFET体二极管特性 
寄生二极管由来
是由生产工艺造成的,大功率MOS管漏极从硅片底部引出,就会有这个寄生二极管。小功率MOS管例如集成芯片中的MOS管是平面结构,漏极引出方向是从硅片的上面也就是与源极等同一方向,没有这个二极管。模拟电路书里讲得就是小功率MOS管的结构,所以没有这个二极管。但D极和衬底之间都存在寄生二极管,如果是单个晶体管,衬底当然接S极,因此自然在DS之间有二极管。如果在IC里面,NMOS衬底接最低的电压,PMOS衬底接最高电压,不一定和S极相连,所以DS之间不一定有寄生二极管。
寄生二极管作用:
当电路中产生很大的瞬间反向电流时,可以通过这个二极管导出来,不至于击穿这个MOS管。(起到保护MOS管的作用)
沟槽Trench型N沟道增强型功率MOSFET的结构如下图所示,在N-epi外延层上扩散形成P基区,然后通过刻蚀技术形成深度超过P基区的沟槽,在沟槽壁上热氧化生成栅氧化层,再用多晶硅填充沟槽,利用自对准工艺形成N+源区,背面的N+substrate为漏区,在栅极加上一定正电压后,沟槽壁侧的P基区反型,形成垂直沟道。
由下图中的结构可以看到,P基区和N-epi形成了一个PN结,即MOSFET的寄生体二极管。
MOSFET剖面结构 
体二极管主要参数 
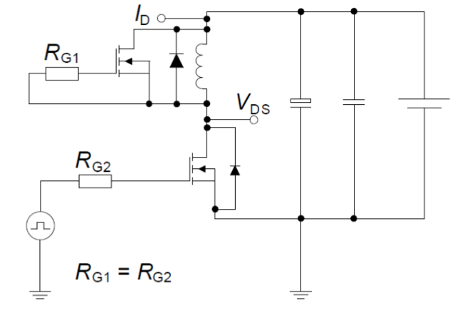
二极管特性测试电路 
二极管恢复曲线 
MOSFET体二极管反向恢复过程波形 
MOSFET体二极管应用场合 
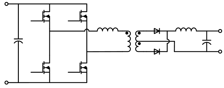
全桥逆变电路
 三相桥电路 
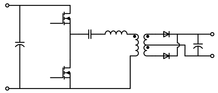
 LLC半桥谐振电路ZVS 
移相全桥PSFB ZVS 
HID照明(ZVS) 
MOSFET体二极管应用分析 
MOSFET体二极管反向恢复 
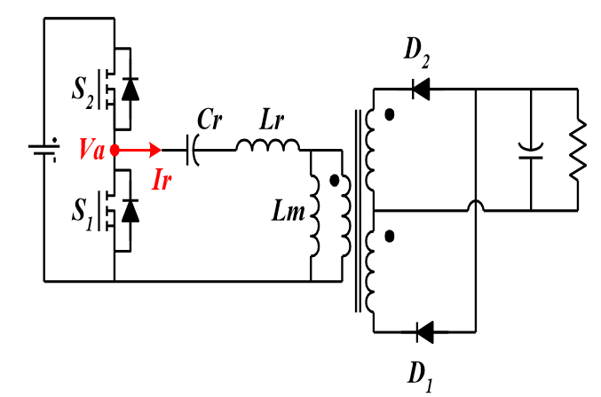
LLC半桥谐振变换器 
LLC电压增益
LLC变换器 ZVS状态下模态切换 
LLC变换器工作波形(ZVS模式) 
LLC变换器工作波形(ZVS模式,轻载) 
LLC变换器 ZCS状态下模态切换 
LLC变换器工作波形
LLC变换器输出短路状态1波形
LLC变换器输出短路状态2波形 
LLC启动过程 - 二极管反向恢复 
LLC启动过程 - 二极管反向恢复 
HID照明电源(带载切换成开路) 
HID照明电源启动过程 
HID照明电源(低于谐振频率工作波形) 
HID照明电源实测波形 
点击左下角“阅读原文”与四万电源工程师一起学习电源知识

  上一篇:TL431基础详解

最新评论

扫码打开小程序

扫码安装APP

返回顶部