欢迎您,请 登录 或 注册

当前位置:首页 医疗器械维修 基础 电子 查看内容

TL431基础详解

2017-7-14 21:32 阅读: 2609 评论: 0 编辑: ygzx1
[导读]引言TL431是一个具有良好的热稳定性能的三端可调精密电压基准IC,也称为电压调节器或三端取样集成电路,它的输出电压用两个电阻就可以任意地设置到从Vref(2.5V)到36V范围内的任何值,该器件的典型动态阻抗为0.2Ω ...
引言 
TL431是一个具有良好的热稳定性能的三端可调精密电压基准IC,也称为电压调节器或三端取样集成电路,它的输出电压用两个电阻就可以任意地设置到从Vref(2.5V)到36V范围内的任何值,该器件的典型动态阻抗为0.2Ω,因其性能好、价格低,因此广泛应用在各种电源电路中。例如,数字电压表,运放电路、可调稳压电源,开关电源等等。
一、 原理及参数 
TL431其封装形式与塑封三极管9013等相同,如图1a所示,同类产品还有图1b所示的双列直插外形的。它有3个引脚分别为:阴极(CATHODE)、阳极(ANODE)和参考端(REF)。分别简记为C、A、R,在电路中的符号如图1(c)所示。图2为功能模块示意图。由图可以看到,Vref是一个内部为2.5V基准源,接在运放的反相输入端。由运放的特性可知,只有当REF端(同相端)的电压非常接近Vref(2.5V)时,三极管中才会有一个稳定的非饱和电流通过,而且随着REF端电压的微小变化,通过三极管的电流将从1到150mA变化(该图绝不是TL431的实际内部结构,只是用来分析功能)。 
在图3所示的电路中,当R1和R2的阻值确定时,两者对V0的分压引入反馈,若V0增大,反馈量增大,TL431的分流也就增加,从而又导致V0下降。显见,这个深度的负反馈电路必然在REF端的电压等于基准电压处稳定,此时V0=(1+R1/R2)Vref。选择不同的R1和R2的值可以得到从2.5V到36V范围内的任意电压输出,特别地,当R1=R2时,V0=5V。需要注意的是,在选择电阻时必须保证TL431工作的必要条件,就是通过阴极的电流要大于1 mA 。
TL431的主要参数为: 
1.最大输入电压为37V。 
2.最大工作电流150mA。 
3.内基准电压为2.5V(实际典型值为2.495V,最大值为2.520V,最小值为2.470V,一般计算取2.5V)。 
4.输出电压范围为2.536V。 
5.使用温度范围为070℃(另有宽温度范围的一类为-4085℃)。 
二、 性能测试 
按图4所示电路进行连接,分为输入电压发生变化、负载电阻发生变化、确定稳压值的分压电阻发生变化等三种情况,对TL431的性能指标测试如下:
由表一数据可见:输入电压发生变化,只要在IC阴极电流不小于0.6mA的情况下,对输出电压无明显影响,即V0几乎不变。由表二数据可见:负载电阻发生变化,只要在IC阴极电流不小于0.6mA的情况下,对输出电压无明显影响。由表三数据可见:确定稳压值的分压电阻同时发生变化,但R1阻值在几十KΩ以下时,对输出电压无明显影响。 
综合以上测试分析,可得如下结论: 
1、TL431的动态稳压效果很好,稳压精度特别高。输入电压Vi、负载电阻RL在一定范围内变化,对输出电压无明显影响。 
2、在设计电路时必须保证TL431工作的必要条件,就是通过阴极的电流要大于0.6mA,通常取大于1mA。 
3、确定稳压值的分压电阻取值不能太大,可取几百Ω几十KΩ,一般取几KΩ十几KΩ为好。 
对于第3点,原因是稳压值的精确计算公式应为:V0=(1+R1/R2)Vref+ R1·Iref,Iref是参考端(REF)的输入电流,在0.81.5 uA 间,当R1的值不太大时,R1·Iref 的值极小,可忽略不记,简化为平常使用的公式:V0=(1+R1/R2)Vref。但当R1很大时,R1·Iref的值已不可忽略,公式V0=(1+R1/R2)Vref即不适用了。
三、应用及质量判断 
1、恒压电路应用 
前面提到TL431的内部含有一个2.5V的基准电压,所以当在REF端引入输出反馈时,器件可以通过从阴极到阳极很宽范围的分流,控制输出电压稳定不变。如图3所示的电路,当R1和R2的阻值确定时,此时V0=2.5(1+R1/R2)V。选择不同的R1和R2的值可以得到从2.5V到36V范围内的任意电压输出,特别地,当R1=R2时,V0=5V。当然,这个电路并不太实用,但它很清晰地展示了该器件的工作原理在应用中的方法。将这个电路稍加改动,就可以得到很多实用的电源电路。如图5就是一个用TL431为核心部件的实用的可调三端稳压电源,它是利用TL431精密稳压源和大功率高反压达林顿三极管D768扩流组合而成。D768的电流为5A,功率为50W,正向最小工作电压为1.5V。在输入电压为5V~33V时,输出电压为2V~30V连续可调。在使用时应根据功率大小为D768配备散热片。 
2、恒流电路应用 
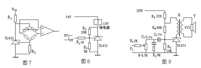
由前面的分析可见,器件作为分流反馈后,REF端的电压始终稳定在2.5V,那么当接在REF端和地之间的电阻一定时,流过它的电流就应该是恒定的。利用这个特点,可以将TL431应用很多恒流电路中。如图6就是一个实用的精密恒流源电路,原理很简单,不再赘述。但值得注意的是,TL431的温度系数为30ppm/℃,所以输出恒流的温度特性要比普通镜像恒流源或恒流二极管好得多,因而在应用中无需附加温度补偿电路。图7是一个用该器件为传感器电桥提供恒定偏流的电路,这是一个已连成桥路的传感器的前级处理电路。Vref/R2的值应设为电桥工作所必要的恒定电流,该电流值通常会由传感器制造商提供。流经TL431阴极的电流由R1和电源电压Vin决定。 
3、可控分流特性的应用 
根据图2的功能模块图,当REF端的电压有微小变化时,从阴极到阳极的分流将随之在1~150mA内变化。利用这种可控分流的特性,可以用小的电压变化控制继电器、指示灯等,如图8就是一个用电压幅度为5V的数字信号控制12V继电器工作的电路。如图9就是可以直接驱动音频电流负载的一个简单电路400mW单声道功率放大电路。 
4、电极判断及质量检测
TL431质量好坏及电极判断,可用万用表测量任意两极之间电阻值。下表即是用500型万用表R×1kΩ档测试的各极之间的阻值,“-”号代表黑表笔,“+”号代表红表笔。
TL431各极之间的阻值如下页表四所示
各厂家生产的精密电压基准IC性能参数基本相同,损坏后,如无相同型号的进行更换,可用KA431、μA431、LM431、YL431、S431、TA76431S、μPC10931J、SD431等直接代换。

最新评论

扫码打开小程序

扫码安装APP

返回顶部