欢迎您,请 登录 或 注册

当前位置:首页 医疗器械维修 基础 电子 查看内容

电源测试之-MOSFET开关轨迹线的示波器重现方法

2017-7-14 15:17 阅读: 968 评论: 0 编辑: ygzx1
[导读]MOSFET开关轨迹线的示波器重现方法MOSFET的开关轨迹线是判断MOSFET开关过程“软硬”程度的重要评估指标,MOSFET的软硬程度对于开关电源的性能、寿命、EMI水平都有至关重要的影响,本文介绍了一种简单实用的方法,利 ...
MOSFET开关轨迹线的示波器重现方法
MOSFET的开关轨迹线是判断MOSFET开关过程“软硬”程度的重要评估指标,MOSFET的软硬程度对于开关电源的性能、寿命、EMI水平都有至关重要的影响,本文介绍了一种简单实用的方法,利用泰克TDS3000系列示波器,可以实时做出MOSFET的开关轨迹线,为改善MOSFET的开关状态提供依据。
开关电源中的开关器件(本文以MOSFET为例)在任意时刻的损耗都可以用下式计算
其中,ID为开关器件的电流,UDS为电压。一般地,我们希望开关器件工作在饱和或截止状态。为减小开关损耗,在器件开关的动态过程中,总希望ID和UDS在任意时刻都至少有一个值接近或等于零。开关轨迹线可以很好的体现出开关器件的电流和电压的关系,开关轨迹线以MOSFET的漏源极电压UDS为横轴,漏极电流ID为纵轴,标示出MOSFET所承受的电流和电压的关系。典型开关轨迹线如图1所示:
图1中a线表示了MOSFET的一次开通过程,UDS逐渐降低,ID逐渐升高;b线表示了一次关断过程,UDS逐渐升高,ID逐渐降低。但是这样的开关过程中存在电压和电流都很高的时刻,将会造成很大的开关损耗,这就是所谓的硬开关。硬开关不但增加了开关损耗,而且影响 MOSFET的寿命,更造成复杂的EMI问题,所以我们通常希望开关过程尽量“软”一点。c、d线表示了一次理想的软开关过程,c线表示MOSFET开通时,漏源极电压下降到零,漏极电流才开始从零上升,d线表示MOSFET关断时,漏极电流先下降到零后,漏源极电压才开始上升。也就是说,开关轨迹线越是靠近坐标轴,开关过程就越“软”
图1. 典型开关轨迹线
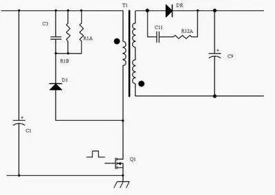
开关轨迹线利用开关轨迹线,可以评估MOSFET的开关状态,为改善开关过程提供定量依据。本文介绍了一种利用TDS3000系列示波器,可以实时做出MOSFET 的开关轨迹线,为改善MOSFET的开关状态提供指标。试验电路为常见的回扫(flyback)电路,如图2。CH1通道接电压探头,采样MOSFET漏极电压,CH2通道接电流探头,采样MOSFET的漏极电流。选择合适的水平和垂直标度,将触发电平设置到CH1上,可以得到如图3所示波形。
这个波形只是表示出电压和电流随时间变化的情况,没有直观地体现电压和电流的相互关系。我们可以利用TDS示波器的XY显示模式,观察MOSFET的开关轨迹线。将TDS示波器调节到XY模式,调节CH1和CH2的幅值标度到合适位置,即可得到如图3.b所示波形。这个波形显示了一个完整的MOSFET开关周期中的电流电压的相互关系,也就是开关轨迹线。其中ABC为开通轨迹线,CDA为关断轨迹线。
也可以将MOSFET的开通轨迹线单独显示在屏幕上,具体做法如下:将时域的波形逐渐拉宽,让整个屏幕只显示开通过程的波形(此时除了调节时间标度,还可能需要调节一下触发电平),使开通瞬间地电流电压波形处于屏幕正中间,如图4。
此时,将示波器调节到XY模式下,即可可以看到MOSFET的开通轨迹线。在回扫电路中,由于MOSFET开通后,变压器原边电感限制漏极电流的突变,漏极电流从零上升,MOSFET是软开通。这个特性在开通轨迹线上,表现为电压先沿着或贴近X轴减小到零,漏极电流才开始上升。
图2. 被测试电路图
同样的方法,可以观察到MOSFET的关断轨迹线。关断前,漏极电流正处于峰值电流出(此时,MOSFET的状态正处于开关轨迹线的C点)。关断过程中,漏极电流下降的同时,漏源极电压上升,从图5.b上看,表现为关断轨迹线位置很高。MOSFET是硬关断,关断损耗很大。并且,变压器原边漏感中的能量对 MOSFET造成很大的电压冲击。
利用开关轨迹线减小开关损耗
由以上分析可知,开关轨迹线可以直观地反映MOSFET地开关损耗。我们总是希望MOSFET的开关损耗尽可能减小,为此,我们常常在MOSFET周围添加一些辅助电路,开关轨迹线可以帮助我们评估改善的效果。
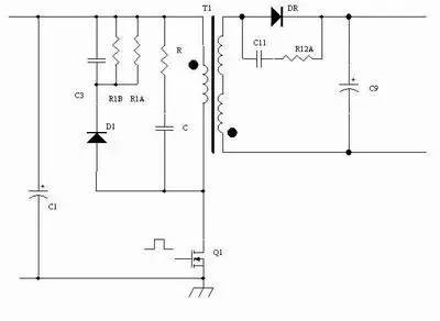
以图示的回扫电路为例,为了改善MOSFET的关断轨迹,在变压器原边绕组两端并联RC缓冲支路(如图6),限制MOSFET关断时漏极电压的上升速度。
图6中所示,R=1kΩ,C=200pF,图7a~d为加入RC电路后的开关轨迹线。与之前的开关轨迹线相比,加入RC电路后,MOSFET的关断轨迹更靠近坐标轴了(图7.d)。这是因为在MOSFET关断瞬间,由于电容电压不能突变,依然保持输入电压,使得MOSFET上电压保持为零。随着电容C的放电,MOSFET的电压才逐渐升高。这样,就限制了MOSFET漏源极电压的上升速度,关断损耗得到减小,不过关断损耗的减小是以开通损耗的增加为代价的。这是由于MOSFET关断期间,电容C上电压为零,MOSFET开通瞬间,电容C通过电阻R和MOSFET充电引起的。从图7.c开通轨迹线上可以看出,MOSFET的开通轨迹线向“上”移动了,也就是说,漏源极电压还没下降到零时就有漏极电流流过了。
应该权衡考虑开通损耗和关断损耗,选择适当的RC值。利用开关轨迹线可以方便地找到这个平衡点,以确保总损耗降至最低
图3.a MOSFET电流电压波形
图3.b MOSFET的开关轨迹线
图4.a MOSFET的开通过程
图4.b MOSFET的开通轨迹线
图5:a)MOSFET的开通过程。
图5.b)MOSFET的开通轨迹线。
图6. 变压器原边并联RC缓冲电路
图7 关断缓冲电路的效果a. 开关电压电流波形
b. 开关轨迹线
c. 开通轨迹线
d. 关断轨迹线
本文总结:
利用示波器的XY显示模式,可以方便地重现MOSFET的开关轨迹线。利用这一功能,我们可以定量地了解回扫电路中MOSFET的开关情况,并为其吸收电路选择合理参数。这个方法也可以方便地应用到其他功率开关和电路拓扑中去。

最新评论

扫码打开小程序

扫码安装APP

返回顶部