欢迎您,请 登录 或 注册

当前位置:首页 医疗器械维修 基础 电子 查看内容

从剖析PC电源开始--详细解析开关电源

2017-7-14 12:37 阅读: 377 评论: 0 编辑: ygzx1
[导读]PC电源知多少个人PC所采用的电源都是基于一种名为“开关模式”的技术,所以我们经常会将个人PC电源称之为开关电源(Switching Mode Power Supplies,简称SMPS),它还有一个绰号DC-DC转化器。本次文章我们将会为您解读 ...
PC电源知多少
个人PC所采用的电源都是基于一种名为“开关模式”的技术,所以我们经常会将个人PC电源称之为开关电源(Switching Mode Power Supplies,简称SMPS),它还有一个绰号DC-DC转化器。本次文章我们将会为您解读开关电源的工作模式和原理、开关电源内部的元器件的介绍以及这些元器件的功能。
●线性电源知多少
目前主要包括两种电源类型:线性电源(linear)和开关电源(switching)。线性电源的工作原理是首先将127 V或者220 V市电通过变压器转为低压电,比如说12V,而且经过转换后的低压依然是AC交流电;然后再通过一系列的二极管进行矫正和整流,并将低压AC交流电转化为脉动电压(配图1和2中的“3”);下一步需要对脉动电压进行滤波,通过电容完成,然后将经过滤波后的低压交流电转换成DC直流电(配图1和2中的“4”);此时得到的低压直流电依然不够纯净,会有一定的波动(这种电压波动就是我们常说的纹波),所以还需要稳压二极管或者电压整流电路进行矫正。最后,我们就可以得到纯净的低压DC直流电输出了(配图1和2中的“5”)
配图1:标准的线性电源设计图
配图2:线性电源的波形
尽管说线性电源非常适合为低功耗设备供电,比如说无绳电话、PlayStation/Wii/Xbox等游戏主机等等,但是对于高功耗设备而言,线性电源将会力不从心。
对于线性电源而言,其内部电容以及变压器的大小和AC市电的频率成反比:也即说如果输入市电的频率越低时,线性电源就需要越大的电容和变压器,反之亦然。由于当前一直采用的是60Hz(有些国家是50Hz)频率的AC市电,这是一个相对较低的频率,所以其变压器以及电容的个头往往都相对比较大。此外,AC市电的浪涌越大,线性电源的变压器的个头就越大。
由此可见,对于个人PC领域而言,制造一台线性电源将会是一件疯狂的举动,因为它的体积将会非常大、重量也会非常的重。所以说个人PC用户并不适合用线性电源。
●开关电源知多少
开关电源可以通过高频开关模式很好的解决这一问题。对于高频开关电源而言,AC输入电压可以在进入变压器之前升压(升压前一般是50-60 KHz)。随着输入电压的升高,变压器以及电容等元器件的个头就不用像线性电源那么的大。这种高频开关电源正是我们的个人PC以及像VCR录像机这样的设备所需要的。需要说明的是,我们经常所说的“开关电源”其实是“高频开关电源”的缩写形式,和电源本身的关闭和开启式没有任何关系的。
事实上,终端用户的PC的电源采用的是一种更为优化的方案:闭回路系统(closed loop system)负责控制开关管的电路,从电源的输出获得反馈信号,然后根据PC的功耗来增加或者降低某一周期内的电压的频率以便能够适应电源的变压器(这个方法称作PWM,Pulse Width Modulation,脉冲宽度调制)。所以说,开关电源可以根据与之相连的耗电设备的功耗的大小来自我调整,从而可以让变压器以及其他的元器件带走更少量的能量,而且降低发热量。
反观线性电源,它的设计理念就是功率至上,即便负载电路并不需要很大电流。这样做的后果就是所有元件即便非必要的时候也工作在满负荷下,结果产生高很多的热量。
看图说话:图解开关电源
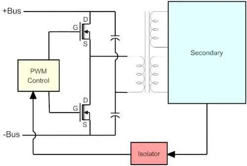
下图3和4描述的是开关电源的PWM反馈机制。图3描述的是没有PFC(Power Factor Correction,功率因素校正) 电路的廉价电源,图4描述的是采用主动式PFC设计的中高端电源。
图3:没有PFC电路的电源
 图4:有PFC电路的电源
通过图3和图4的对比我们可以看出两者的不同之处:一个具备主动式PFC电路而另一个不具备,前者没有110/220 V转换器,而且也没有电压倍压电路。下文我们的重点将会是主动式PFC电源的讲解。
为了让读者能够更好的理解电源的工作原理,以上我们提供的是非常基本的图解,图中并未包含其他额外的电路,比如说短路保护、待机电路以及PG信号发生器等等。当然了,如果您还想了解一下更加详尽的图解,请看图5。如果看不懂也没关系,因为这张图本来就是为那些专业电源设计人员看的。
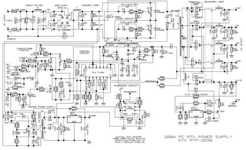
图5:典型的低端ATX电源设计图
你可能会问,图5设计图中为什么没有电压整流电路?事实上,PWM电路已经肩负起了电压整流的工作。输入电压在经过开关管之前将会再次校正,而且进入变压器的电压已经成为方形波。所以,变压器输出的波形也是方形波,而不是正弦波。由于此时波形已经是方形波,所以电压可以轻而易举的被变压器转换为DC直流电压。也就是说,当电压被变压器重新校正之后,输出电压已经变成了DC直流电压。这就是为什么很多时候开关电源经常会被称之为DC-DC转换器。
馈送PWM控制电路的回路负责所有需要的调节功能。如果输出电压错误时,PWM控制电路就会改变工作周期的控制信号以适应变压器,最终将输出电压校正过来。这种情况经常会发生在PC功耗升高的时,此时输出电压趋于下降,或者PC功耗下降的时,此时输出电压趋于上升。
在看下一页是,我们有必要了解一下以下信息:
★在变压器之前的所有电路及模块称为“primary”(一次侧),在变压器之后的所有电路及模块称为“secondary”(二次侧);
★采用主动式PFC设计的电源不具备110 V/ 220 V转换器,同时也没有电压倍压器;
★对于没有PFC电路的电源而言,如果110 V / 220 V被设定为110 V时,电流在进入整流桥之前,电源本身将会利用电压倍压器将110 V提升至220 V左右;
★PC电源上的开关管由一对功率MOSFET管构成,当然也有其他的组合方式,之后我们将会详解;
★变压器所需波形为方形波,所以通过变压器后的电压波形都是方形波,而非正弦波;
★PWM控制电流往往都是集成电路,通常是通过一个小的变压器与一次侧隔离,而有时候也可能是通过耦合芯片(一种很小的带有LED和光电晶体管的IC芯片)和一次侧隔离;
★PWM控制电路是根据电源的输出负载情况来控制电源的开关管的闭合的。如果输出电压过高或者过低时,PWM控制电路将会改变电压的波形以适应开关管,从而达到校★正输出电压的目的;
下一页我们将通过图片来研究电源的每一个模块和电路,通过实物图形象的告诉你在电源中何处能找到它们。
看图说话:电源内部揭秘
当你第一次打开一台电源后(确保电源线没有和市电连接,否则会被电到),你可能会被里面那些奇奇怪怪的元器件搞得晕头转向,但是有两样东西你肯定认识:电源风扇和散热片。
开关电源内部
但是您应该很容易就能分辨出电源内部哪些元器件属于一次侧,哪些属于二次侧。一般来讲,如果你看到一个(采用主动式PFC电路的电源)或者两个(无PFC电路的电源)很大的滤波电容的话,那一侧就是一次侧。
一般情况下,再电源的两个散热片之间都会安排3个变压器,比如说图7所示,主变压器是最大个的那颗;中等“体型”的那颗往往负责+5VSB输出,而最小的那颗一般用于PWM控制电路,主要用于隔离一次侧和二次侧部分(这也是为什么在上文图3和图4中的变压器上贴着“隔离器”的标签)。有些电源并不把变压器当“隔离器”来用,而是采用一颗或者多颗光耦(看起来像是IC整合芯片),也即说采用这种设计方案的电源只有两个变压器主变压器和辅变压器。
电源内部一般都有两个散热片,一个属于一次侧,另一个属于二次侧。如果是一台主动式PFC电源,那么它的在一次侧的散热片上,你可以看到开关管、PFC晶体管以及二极管。这也不是绝对的,因为也有些厂商可能会选择将主动式PFC组件安装到独立的散热片上,此时在一次侧会有两个散热片。
在二次侧的散热片上,你会发现有一些整流器,它们看起来和三极管有点像,但事实上,它们都是有两颗功率二极管组合而成的。
在二次侧的散热片旁边,你还会看到很多电容和电感线圈,共同共同组成了低压滤波模块找到它们也就找到了二次侧。
区分一次侧和二次侧更简单的方法就是跟着电源的线走。一般来讲,与输出线相连的往往是二次侧,而与输入线相连的是一次侧(从市电接入的输入线)。如图7所示。
区分一次侧和二次侧
以上我们从宏观的角度大致介绍了一下一台电源内部的各个模块。下面我们细化一下,将话题转移到电源各个模块的元器件上来……
瞬变滤波电路解析
市电接入PC开关电源之后,首先进入瞬变滤波电路(Transient Filtering),也就是我们常说的EMI电路。下图8描述的是一台PC电源的“推荐的”的瞬变滤波电路的电路图。
瞬变滤波电路的电路图
为什么要强调是“推荐的”的呢?因为市面上很多电源,尤其是低端电源,往往会省去图8中的一些元器件。所以说通过检查EMI电路是否有缩水就可以来判断你的电源品质的优劣。
EMI电路电路的主要部件是MOV (l Oxide Varistor,金属氧化物压敏电阻),或者压敏电阻(图8中RV1所示),负责抑制市电瞬变中的尖峰。MOV元件同样被用在浪涌抑制器上(surge suppressors)。尽管如此,许多低端电源为了节省成本往往会砍掉重要的MOV元件。对于配备MOV元件电源而言,有无浪涌抑制器已经不重要了,因为电源已经有了抑制浪涌的功能。
图8中的L1 and L2是铁素体线圈;C1 and C2为圆盘电容,通常是蓝色的,这些电容通常也叫“Y”电容;C3是金属化聚酯电容,通常容量为100nF、470nF或680nF,也叫“X”电容;有些电源配备了两颗X电容,和市电并联相接,如图8 RV1所示。
X电容可以任何一种和市电并联的电容;Y电容一般都是两两配对,需要串联连接到火、零之间并将两个电容的中点通过机箱接地。也就是说,它们是和市电并联的。
瞬变滤波电路不仅可以起到给市电滤波的作用,而且可以阻止开关管产生的噪声干扰到同在一根市电上的其他电子设备。
一起来看几个实际的例子。如图9所示,你能看到一些奇怪之处吗?这个电源居然没有瞬变滤波电路!这是一款低廉的“山寨”电源。请注意,看看电路板上的标记,瞬变滤波电路本来应该有才对,但是却被丧失良知的黑心JS们带到了市场里。
这款低廉的“山寨”电源没有瞬变滤波电路
再看图10实物所示,这是一款具备瞬变滤波电路的低端电源,但是正如我们看到的那样,这款电源的瞬变滤波电路省去了重要的MOV压敏电阻,而且只有一个铁素体线圈;不过这款电源配备了一个额外的X电容。
低端电源的EMI电路
瞬变滤波电路分为一级EMI和二级EMI,很多电源的一级EMI往往会被安置在一个独立的PCB板上,靠近市电接口部分,二级EMI则被安置在电源的主PCB板上,如下图11和12所示。
一级EMI配备了一个X电容和一个铁素体电感
再看这款电源的二级EMI。在这里我们能看到MOV压敏电阻,尽管它的安置位置有点奇怪,位于第二个铁素体的后面。总体而言,应该说这款电源的EMI电路是非常完整的。
完整的二级EMI
值得一提的是,以上这款电源的MOV压敏电阻是黄色的,但是事实上大部分MOV都是深蓝色的。
此外,这款电源的瞬变滤波电路还配备了保险管(图8中F1所示)。需要注意了,如果你发现保险管内的保险丝已经烧断了,那么可以肯定的是,电源内部的某个或者某些元器件是存在缺陷的。如果此时更换保险管的话是没有用的,当你开机之后很可能再次被烧断。
倍压器和一次侧整流电路
●倍压器和一次侧整流电路
上文已经说过,开关电源主要包括主动式PFC电源和被动式PFC电源,后者没有PFC电路,但是配备了倍压器(voltage doubler)。倍压器采用两颗巨大的电解电容,也就是说,如果你在电源内部看到两颗大号电容的话,那基本可以判断出这就是电源的倍压器。前面我们已经提到,倍压器只适合于127V电压的地区。
两颗巨大的电解电容组成的倍压器
拆下来看看
在倍压器的一侧可以看到整流桥。整流桥可以是由4颗二极管组成,也可以是有单个元器件组成,如图15所示。高端电源的整流桥一般都会安置在专门的散热片上。
整流桥
在一次侧部分通常还会配备一个NTC热敏电阻一种可以根据温度的变化改变电阻值的电阻器。NTC热敏电阻是Negative Temperature Coefficient的缩写形式。它的作用主要是用来当温度很低或者很高时重新匹配供电,和陶瓷圆盘电容比较相似,通常是橄榄色。
主动式PFC电路
●主动式PFC电路
毫无疑问,这种电路仅可以在配有主动PFC电路的电源中才能看到。图16描述的正是典型的PFC电路:
主动式PFC电路图
主动式PFC电路通常使用两个功率MOSFET开关管。这些开关管一般都会安置在一次侧的散热片上。为了易于理解,我们用在字母标记了每一颗MOSFET开关管:S表示源极(Source)、D表示漏极(Drain)、G表示栅极(Gate)。
PFC二极管是一颗功率二极管,通常采用的是和功率晶体管类似的封装技术,两者长的很像,同样被安置在一次侧的散热片上,不过PFC二极管只有两根针脚。
PFC电路中的电感是电源中最大的电感;一次侧的滤波电容是主动式PFC电源一次侧部分最大的电解电容。图16中的电阻器是一颗NTC热敏电阻,可以更加温度的变化而改变电阻值,和二级EMI的NTC热敏电阻起相同的作用。
主动式PFC控制电路通常基于一颗IC整合电路,有时候这种整合电路同时会负责控制PWM电路(用于控制开关管的闭合)。这种整合电路通常被称为 “PFC/PWM combo”.
照旧,先看一些实例。在图17中,我们将一次侧的散热片去除之后可以更好的看到元器件。左侧是瞬变滤波电路的二级EMI电路,上文已经详细介绍过;再看左侧,全部都是主动式PFC电路的组件。由于我们已经将散热片去除,所以在图片上已经看不到PFC晶体管以及PFC二极管了。此外,稍加留意的话可以看到,在整流桥和主动式PFC电路之间有一个X电容(整流桥散热片底部的棕色元件)。通常情况下,外形酷似陶制圆盘电容的橄榄色热敏电阻都会有橡胶皮包裹。
主动式PFC元器件
图18是一次侧散热片上的元件。这款电源配备了两个MOSFET开关管和主动式PFC电路的功率二极管:
开关管、功率二极管
下面我们将重点介绍开关管……
开关管
●开关管
开关电源的开关逆变级可以有多种模式,我们总结了一下几种情况:
模式开关管数量二极管数量电容数量变压器针脚
单端正激1114
双管正激2202
半桥2022
全桥4002
推挽2003
当然了,我们只是分析某种模式下到底需要多少元器件,事实上当工程师们在考虑采用哪种模式时还会收到很多因素制约。
目前最流行的两种模式时双管正激(two-transistor forward)和全桥式(push-pull)设计,两者均使用了两颗开光管。这些被安置在一次侧散热片上的开光管我们已经在上一页有所介绍,这里就不做过多赘述。
以下是这五种模式的设计图:
单端正激(Single-transistor forward configuration)
双管正激(Two-transistor forward configuration)
半桥(Half bridge configuration)
全桥(Full bridge configuration)
推挽(Push-pull configuration)
变压器和PWM控制电路
●变压器和PWM控制电路
先前我们已经提到,一太PC电源一般都会配备3个变压器:个头最大的那颗是之前图3、4和图19-23上标示出来的主变压器,它的一次侧与开关管相连,二次侧与整流电路与滤波电路相连,可以提供电源的低压直流输出(+12V,+5V,+3.3V,-12V,-5V)。
最小的那颗变压器负载+5VSB输出,通常也成为待机变压器,随时处于“待命状态”,因为这部分输出始终是开启的,即便是PC电源处于关闭状态也是如此。
第三个变压器室隔离器,将PWM控制电路和开关管相连。并不是所有的电源都会装备这个变压器,因为有些电源往往会配备具备相同功能的光耦整合电路。
变压器
这台电源采用的是光耦整合电路,而不是变压器
PWM控制电路基于一块整合电路。一般情况下,没有装备主动式PFC的电源都会采用TL494整合电路(下图26中采用的是可兼容的DBL494整合芯片)。具备主动式PFC电路的电源里,有时候也会采用一种用来取代PWM芯片和PFC控制电路的芯片。CM6800芯片就是一个很好的例子,它可以很好的集成PWM芯片和PFC控制电路的所有功能。
PWM控制电路
二次侧(一)
●二次侧


最新评论