|
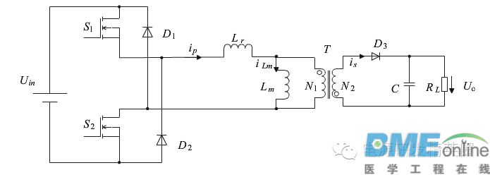
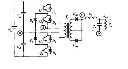
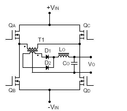
以上六种拓扑被认为是DC/DC变换器的六种基本拓扑,不过也有专家认为最基本的拓扑是buck和boost,其他均由此演变而来.buck变换器为降压变换器,也是最常用的变换器,工程上常用的拓扑基本上是buck族的,如正激,半桥,全桥,推挽等等.boost变换器为buck的对偶拓扑,是升压变换器,常用于小功率板载电源,大功率PFC电路上,对于隔离的boost变换器也有推挽,双电感,全桥等电路.buck-boost是反激变换器的原型,属于升降压变换器.后面三种电路不是很常用,都是升降压变换器.从效率的角度来说,这些变换器的输入和输出等同时候,效率最高.也就是buck最佳占空比为1,boost为0,buck-boost为0.5. 反激 单端反激变换器  双端反激 双端反激 正激变换器 绕组复位正激变换器 LCD复位正激变换器 RCD复位正激变换器 有源钳位正激变换器 双管正激 无损吸收双正激 有源钳位双正激 原边钳位双正激 软开关双正激正激变换器是常用变换器之一,特别在中小功率场合.正激变换器属于单端变换器,所用开关管少,可靠性高,虽然变压器利用率低,但是在较高频率下其变压器磁通摆幅可以与双端变换器相当.但是开关管电压应力较大.双管正激开关管电压应力为输入电压,虽然用了两个管子,但是耐压低,导通电阻也小,损耗也小,同时散热面积相对大了,所以可靠性更好,在中大功率比较常用.但是双管正激实现软开关较难,就目前的一些拓扑来说,都需要辅助开关管来实现.如果能不加入辅助管而实现软开关,一定超有前途. 正激变换器也常用来交错并联,来扩大功率,能减小输出滤波器体积. 推挽 推挽变换器 无损吸收推挽变换器 推挽正激推挽变换器是双端变换器.其实是两个正激变换器通过变压器耦合而来,基本推挽变换器好处是驱动不需隔离,变压器双端磁化,只要两个开关管.但是,变压器绕组利用率低,开关管电压应力为输入两倍,所以一般只适合低压输入的场合.而且有个问题就是会出现偏磁,所以要采用电流型控制等方法来避免. 如果将两个双管正激同样耦合,可以构成四开关管的推挽变换器,也就是所谓的双双管正激.其管子电压应力下降为输入电压.其他等同. 推挽正激是通过一个电容来解决变换器漏感尖峰,偏磁等问题. 半桥拓扑 半桥变换器 不对称半桥变换器 半桥开关管电压应力为输入电压.而且由于另外一个桥臂上的电容,具有抗偏磁能力,但是对于上面一种拓扑,通常还会加隔直电容来提高抗偏磁能力.但是如果采用峰值电流控制,要注意一个问题,就是有可能会导致电容安秒不平衡的问题.要需要其他方法来解决. 半桥变换器可以通过不对称控制来实现ZVS,也就是两个管子交替导通,一个占空比为D,另外一个就为1-D.就是所谓的不对称半桥,通常采用下面一种拓扑.对于不对称半桥可以采用峰值电流控制 谐振半桥LLC 移相半桥全桥 全桥变换器 全桥LLC 移相全桥 全桥变换器在大功率场合是最常用了,特别是移项ZVS和ZVZCS 三电平变换器(three level converter) 选了看起来比较舒服的两个拓扑,这些三电平是半桥演化而来,同样可以演化出多电平变换器,合适高压输入场合.而且可以通过全桥的移相控制方式实现软开关. 五种隔离三电平DC/DC变换器 (a)Forward三电平DC/DC变换器 (b)Flyback三电平DC/DC变换器 (c)Push-Pull三电平DC/DC变换器 (d)半桥三电平DC/DC变换器 (e)全桥三电平DC/DC变换器 
boost族隔离变换器 双电感boost 全桥boost 欢迎大家点击“阅读原文”补充指正......
|