欢迎您,请 登录 或 注册

当前位置:首页 医疗器械维修 基础 电子 查看内容

【电源知识】软开关技术-PWM软开关变换器

2017-7-13 11:13 阅读: 1557 评论: 0 编辑: ygzx1
[导读]......接上期PWM软开关变换器准谐振软开关变换器最主要的特点是利用PFM调压常规的PWM变换器开关频率恒定,当输入电压或负载变化时,通常靠调节开关的占空比来调节输出电压,控制方法简单若将两种拓扑的优点组合在一 ...
......接上期
PWM软开关变换器
准谐振软开关变换器最主要的特点是利用PFM调压
常规的PWM变换器开关频率恒定,当输入电压或负载变化时,通常靠调节开关的占空比来调节输出电压,控制方法简单
若将两种拓扑的优点组合在一起,就形成一种新的软开关电路拓扑-PWM软开关变换器。
PWM软开关变换器主要分为零开关PWM变换器、零转换PWM变换器和移相全桥软开关PWM变换器
零开关PWM变换器
电路构成
Buck型零电压准谐振变换器,开关管VT一关断,Lr与Cr就开始谐振,谐振结果使Cr两端的电压为零,并通过VDS续流使VTS(Cr)两端电压箝位成零,这时开通VTS,则VTS零电压开通。
如果S1的关断时刻和VTS的开通时刻保持不变,改变VTS的关断时刻,则可以实现PWM控制。
在ZVS准谐振变换器谐振电容上串接或在谐振电感上并接一个可控开关,就构成了零电压开关PWM变换器。
零开关PWM电路的基本开关单元
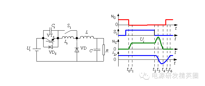
Buck型ZVS-PWM变换器
以Buck型变换器为例,在谐振电感上并接一个可控开关,前面已经介绍了。在谐振电容上串接一个可控开关则构成如下图所示的零电压开关PWM变换器。
Buck型ZVS-PWM变换器的一个工作周期分为7个阶段,设电路初始状态为主开关管VTS导通,辅助开关管VTS1关断,续流二极管VD关断,输出电流全部流过主开关管VTS和谐振电感。
第1阶段:t0~t1,谐振电容充电阶段 t0时刻,开关管VTS关断,负载电流Io通过VTS1的本体二极管给电容Cr充电,Cr上的电压线性上升,在t1时刻,uCr达到Ui,iLr开始减小,二极管VD导通,进入第2阶段。
第2阶段:t1~t2,谐振电感放电阶段 t1时刻,二极管VD导通,负载电流一部分经VD续流,一部分经谐振电感给电容充电,电感电流iLr下降,t2时刻,iLr下降到零,这时电容电压达到峰值第2阶段结束。
第3阶段:t2~t3,负载电流续流阶段 t2时刻,iLr下降到零,uCr达到峰值,随后iLr维持零电流,uCr维持峰值电压,直到t3时刻VTS1导通,第3阶段结束。
第4阶段:t3~t5,谐振阶段 t3时刻,VTS1导通,Lr,Cr开始谐振,uCr开始下降,iLr反向增大,t4时刻,uCr下降至Ui,iLr达到反向峰值;随后iLr反向减小,uCr继续下降,直至t5时刻,uCr下降到零,第4阶段结束。
第5阶段:t5~t6,iLr续流阶段 t5时刻,uCr下降到零,iLr经VDS续流,VTS两端电压uCr被箝在零电压,在这段期间开通VTS,VTS将零电压开通,t6时刻反向电流下降到零,VTS在零电压下开通。
第6阶段:t6~t7,谐振电感充电阶段 t6时刻,VTS在零电压下开通,接着流过其中的电流将线性增大,直到t7时刻,iLr达到Io,VD关断,第6阶段结束。
第7阶段:t7~t8,能量传递阶段 该阶段完成能量从输入到输出的传递任务,直到t8时刻VTS关断,进入下一个工作周期。
待续......

最新评论

扫码打开小程序

扫码安装APP

返回顶部