
-
- 详细了解TVS管原理和特性
- 摘要:介绍TVS管的资料太多,中文的也有非常多,不过大多数的都是翻译的,在文章最后有所有文件的目录和下载。这里主要介绍原理特性和参数,然后画一些时间分析一下散热选取,最后把PCB总结一下。瞬态二极管【TVS|Transien ...
-
- 电源滤波电路浅析
- 摘要:电源滤波电路整流电路的输出电压不是纯粹的直流,从示波器观察整流电路的输出,与直流相差很大,波形中含有较大的脉动成分,称为纹波。为获得比较理想的直流电压,需要利用具有储能作用的电抗性元件(如电容、电感) ...
-
- 大学生应该学习哪些电子知识
- 摘要:有不少的在校的大学生写信给我,问在学校里应该学习什么电子知识.就业形势越来越严峻,不光是在中国,全球都一样,全球经济的发展速度放慢,至少会持续几年的时间.半导体产业目前进入低潮,很多公司裁员和亏损.但是技术还 ...
-
- 开关功率MOS扫盲帖
- 摘要:在使用MOS管设计开关电源或者马达驱动电路的时候,大部分人都会考虑MOS的导通电阻,最大电压等,最大电流等,也有很多人仅仅考虑这些因素。这样的电路也许是可以工作的,但并不是优秀的,作为正式的产品设计也是不允 ...
-
- LLC谐振式变换器经典问题汇总
- 摘要:LLC拓扑的谐振式变换器对于工程师来说并不陌生,以其零电压开关、器件的电压应力低等特点受到广泛好评,也常被用在一些高效大功率电源的应用上。那么在设计LLC拓扑的谐振式变换器的过程中会经常遇到哪些问题?又该如 ...
-
- “电”都去哪去了?从设计方面谈手机电源那些事
- 摘要: 随着智能手机的功能越来越全,对于其电量储存的要求也越来越高。现有的锂离子电池已经越来越难以满足消费者对正常使用时间的要求。对此,业界主要采取两种方法,一是开发具备更高能量密度的新型电池技术,如燃料电 ...
-
- PCB设计技巧经典百问
- 摘要:1、如何选择 PCB 板材?选择 PCB 板材必须在满足设计需求和可量产性及成本中间取得平衡点。设计需求包含电气和机构这两部分。通常在设计非常高速的 PCB 板子(大于 GHz 的频率)时这材质问题会比较重要。例如,现在常 ...
-
- 很全的二极管知识-分类,应用,特性,原理,参数
- 摘要:二极管的特性与应用几乎在所有的电子电路中,都要用到半导体二极管,它在许多的电路中起着重要的作用,它是诞生最早的半导体器件之一,其应用也非常广泛。二极管的应用1、整流二极管利用二极管单向导电性,可以把方 ...
-
- 模拟运放使用中常见指标,你了解吗?
- 摘要:增益带宽积GBP:器件的增益和规定带宽的乘积,是评价放大器性能的一项指标,通常这个乘积是一定值。GBP表征小信号放大信号的带宽问题,如:一个放大器的GBP为10M,如果它的增益为2V/V,则带宽=10M÷2=5M,如果增益为 ...
-
- 数字电源技术扫盲篇
- 摘要:数字电源技术 数字电源具有高性能和高可靠性的特点,其设计非常灵活。随著IC厂商不断推出新型号、性能更好的数字电源IC产品以及用户对数字电源认识的深入,数字电源的应用将会得到普及。 近年来,许多相关的因素导致 ...
-
- 工程师们,不要想一辈子靠技术混饭吃?
- 摘要:我现在是自己做,但我此前有多年在从事软件开发工作,当回过头来想一想自己,觉得特别想对那些初学JAVA/DOT。NET技术的朋友说点心里话,希望你们能从我们的体会中,多少受点启发(也许我说的不好,你不赞同但看在我真 ...
-
- 关于电源模块的等级划分方法
- 摘要:在设计项目时,经常遇到工程师对电源模块不了解,而选择过低等级或过高等级的电源产品,这样可能存在隐患,或造成经费浪费。为方便工程师选择合适自己项目的电源品牌,下面列出一些等级供大家参考。电源按使用对象和 ...
-
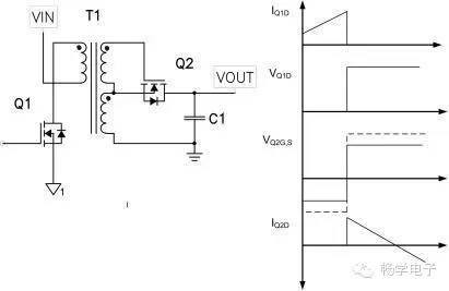
- 如何使用同步整流器提高非连续反激效率?
- 摘要:众所周知,同步整流器能够以较低的电阻式开关电压降替代整流器结点电压,大幅提升电源效率。其挑战在于制定稳健的控制策略,驱动组件并最大化其优势。与连续的反激相比,同步整流器在非连续的反激中运行更具挑战性。 ...
-
- 关于电池和充电的知识
- 摘要:关于电池和充电与大家谈 我发现提出电池与充电的朋友很多,所以特写此文章与大家交流。 不论是数码相机,还是收音机,随身听,电池是所有设备的动力,电池性能的好坏决定了设备的使用性能。电池的结构不同,规格 ...
-
- 论如何减轻米勒电容所引起的寄生导通效应
- 摘要:在IGBT开关时,有一个会经常遇到的问题,那就是由于寄生米勒电容开通而产生米勒平台。米勒效应在单电源门极驱动过程中非常显著。基于门极G与集电极C之间的耦合,在IGBT关断期间会产生一个很高的瞬态dv/dt,这样会引 ...

扫码打开小程序

扫码安装APP