
-
- LED驱动电源:真的每降低10度,寿命增加一倍?
- 摘要:LED简称发光二极管,由于它具有环保、寿命长、光电效率高(目前光效已经达到100LM/W)、抗震等众多优点,近年来在各行业应用得以快速发展,理论上,LED的使用寿命在10万小时左右,但在实际应用过程中,有些LED灯具设 ...
-
- 怎样做好开关电源模块外围电路的EMC与防护设计?
- 摘要:我们发现单个的开关电源模块,几乎很难通过surge、EFT、CE、RE等EMC实验,尤其是国外的电源模块,尽管其可靠性高、寿命长、EMI控制得很好,但其抗干扰性(Surge、EFT)的性能不强。因此,根据开关电源模块特性,做好 ...
-
- 详细解析开关电源各种拓扑结构优缺点
- 摘要: 为了表征各种电压或电流波形的好坏,一般都是拿电压或电流的幅值、平均值、有效值、一次谐波等参量互相进行比较。在开关电源之中,电压或电流的幅值和 平均值最直观,因此,我们用电压或电流的幅值与其平均值之比 ...
-
- 看漫画学电烙铁的焊接方法(真的太有才了)
- 摘要:确实是很有用的技能。也是非常容易的!是真的!这是一个电烙铁。它的尖端有足够的热量去熔化金属的焊接材料。它的温度大概有200度C!这是焊料。一般是用锡或铅这两种金属做的。我们用电烙铁来熔化焊接材料和做电路的 ...
-
- 牛人谈学习模电的真谛
- 摘要:复旦攻读微电子专业模拟芯片设计方向研究生开始到现在五年工作经验,已经整整八年了,其间聆听过很多国内外专家的指点。最近,应朋友之邀,写一点心得体会和大家共享。我记得本科刚毕业时,由于本人打算研究传感器的 ...
-
- 开关电源的变压器为什么有时候会发出尖锐的响声?
- 摘要:==============变压器啸叫的原理======================变压器的啸叫声主要是由于变压器的激磁成分中含有低频振荡,使得磁芯的磁分子在这个低频磁场下运动,产生机械振动,从而引起周围空气的振动。由于人耳的可闻频 ...
-
- 这样讲《信号与系统》,包你一看就懂!
- 摘要:第一课:什么是卷积,卷积有什么用,什么是傅利叶变换,什么是拉普拉斯变换?很多朋友和我一样,工科电子类专业,学了一堆信号方面的课,什么都没学懂,背了公式考了试,然后毕业了。先说卷积有什么用这个问题。(有 ...
-
- 经验分享开关电源的测量
- 摘要:电子器件的电源测量通常情况是指开关电源的测量(当然还有线性电源)。讲述开关电源的资料非常多,本次主要讨论PWM开关电源,而且仅仅是作为测试经验的总结,为大家简述容易引起系统失效的一些因素。 1、开关电源简述 ...
-
- 寄生电容器知识详解
- 摘要:电源纹波和瞬态规格会决定所需电容器的大小,同时也会限制电容器的寄生组成设置。图1显示一个电容器的基本寄生组成,其由等效串联电阻(ESR)和等效串联电感(ESL)组成,并且以曲线图呈现出三种电容器(陶瓷电容器 ...
-
- 开关电源电磁兼容设计经验谈
- 摘要:随着电力电子技术的发展,开关电源模块因其相对体积小、效率高、工作可靠等优点开始取代传统整流电源而被广泛应用到社会的各个领域。但由于开关电源工作频率高,内部产生很快的电流、电压变化,即dv/dt和di/dt,导致 ...
-
- 电源设计10阶段测试小贴士
- 摘要:电源是所有电子设备和电气设备背后的动力设备。它们分成许多品类,可以适应其供电的所有系统。业内正争相转向更小、更绿色、更便宜的电源设计。更高的效率、更高的功率密度、产品开发周期、标准要求和缩减成本等因素 ...
-
- 【出口必看】开关电源产品认证大全
- 摘要:现在世界上无论是何种行业,所使用的电子家电产品都通过了各种各样的安全认证(这当然不包括那些“地下工厂”生产的产品哟)。为什么要有安全认证呢?这也是各厂家对自己产品的一种安全承诺,有关辐射的,有关电气安全 ...
-
- 功率MOSFET开关损耗的分析与精确计算方法
- 摘要:本文详细分析计算开关损耗,并论述实际状态下功率MOSFET的开通过程和自然零电压关断的过程,从而使电子工程师知道哪个参数起主导作用并更加深入理解MOSFET。MOSFET开关损耗1 开通过程中MOSFET开关损耗功率MOSFET的栅 ...
-
- 多路输出开关电源的应用注意事项
- 摘要:多路输出的开关电源是一种有效降低系统电源成本和简化电源结构的方案,使用多路输出电源时,需根据电源和负载的特性做合适的选择或调整,正确使用多路输出的开关电源。在搭建系统时,不同的功能单元可能需要不同的工 ...
-
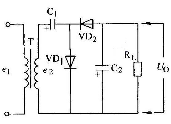
- 趣味解析:二倍压整流电路(带图)到底什么意思?
- 摘要:原来,电路还可以这样分析啊,服了!假设在刚接上电的一瞬间,各演员入戏,1,2,开始。。。e2:“来电了啊各位,我现在是正半周,头为正脚为负。RL?你那有电了没有?”RL:“有个什么电!你瞪俩大眼瞧不见那C1和VD ...

扫码打开小程序

扫码安装APP