
-
-
- 如何鉴别IC原装、翻新
- 摘要:在研发或学习过程中,经常需要买少量的片子,代理的质量虽然好,但是数量太少一般不愿意搭理你,除非有现货并且你上门自取,如果订期货则不一定能达到最小起订量,而且交货期可能长得你无法接受,申请样片同样不是件容易的 ...
-
- 用顺口溜记开关电源安规布线要求
- 摘要:开关电源安规中一些条例要牢记初次距离要保持最低不小6mm开槽也需4.5保脚之间3mm火零地要保持最小不小3.5高压电容脚之间保持距离要牢记铜箔之间0.5焊点之间1mm孔边之间1mm铜点之间0.8铜边之间0.3布线角度45平行布线 ...
-
- 系统的理解开关电源EMI(多图易懂)
- 摘要:实际中如何确定差模和共模的比例.这样可以看到实际的干扰中差模是多少,共模是多少.以决定采取的措施.贴一个例子.前面一个图是有加4.7uF的X电容,剩下的基本是共模;后面是正常的波形.峰值,准峰值,平均值的定义及测量. ...
-
- 专业的开关电源PCB设计规范
- 摘要:一、 从原理图到PCB的设计流程建立元件参数-输入原理网表-设计参数设置-手工布局-手工布线-验证设计-复查-CAM输出。二、 参数设置 相邻导线间距必须能满足电气安全要求,而且为了便于操作和生产,间距也应尽量宽些。 ...
-
- 合理选择MOS管的四大要领
- 摘要:怎么选择MOS管是新手工程师们经常遇到的问题,了解了MOS管的选取法则,那么工程师们选择的时候就可以通过这些法则去选取所要的MOS管了,从而让整个电路工作能顺利进行下去。不会因为MOS管的不合适而影响后面的各项工 ...
-
-
- 【网友整理】常用电子元器件分类及选型(正激)
- 摘要:目录一、保险丝▲二、压敏电阻▲三、热敏电阻四、X电容、Y电容(安规电容)五、MOS 管▲六、电感(正激电感▲)七、变压器▲八、PCB板一、保险丝▲分类:从封装上分为直插式和贴片式,其中直插式的又分径向引线和纵 ...
-
- 图文并茂拆解分析开关电源中的每个元器件
- 摘要:常见的计算机用电源的功能是将输入的交流市电(AC110V/220V),经过隔离型交换式降压电路转换出各硬件所需的各种低压直流电:3.3V、5V、12V、-12V及提供计算机关闭时待命用的5V Standby(5VSB)。所以电源内部同时具备了 ...
-
- 小知识:纹波和噪声的区别
- 摘要:在电源问题中经常有人问起纹波和噪声上的问题,从牛人写的电源的书中也能找出一些二者的差异,实际测试中其实也能发现有所不同。输出纹波和输出电流和输出电压都有关系,主要是与电流的关系。通常输出纹波近似等于输 ...
-
- MOS管的开关损耗分析计算推导
- 摘要:开关损耗计算--反激篇1. CCM 模式开关损耗CCM 模式与 DCM 模式的开关损耗有所不同。先讲解复杂 CCM 模式,DCM 模式很简单了。1.1 导通时的开关损耗CCM 模式下,开关的导通时的电流与电压波形如图 1 所示。根据数据给 ...
-
- 折中选择输入电容纹波电流的线压范围
- 摘要:您在为一个低功耗、离线电源选择输入滤波电容时,会出现一种有趣的权衡过程。您要折中地选取电容的纹波电流额定值,以适合电源工作所需的电压范围。通过增加输入电容,您可以获得更多纹波电流的同时还可以通过降低输 ...
-
- LED防雷设计方案
- 摘要:发光二极管(LED)技术的出现标志着电气照明行业的重大革命。自1990年以来,LED灯在被采用之后日益取代着户外照明应用中的传统光源,如汞灯、金属卤素灯、和钠汽灯。由于其在照明效率上的进步(每瓦更高流明)、二次 ...
-
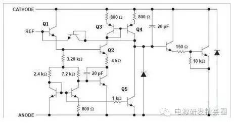
- 关于TL431工作方式的另一种理解
- 摘要:TL431有着较为特殊的动态抗阻,是一种较为精密的可控稳压源,在电路当中,TL431也作为一种并联型的稳压电路来使用,当然使用方法并不局限在这一种,其还能够作为串联或电压基准来使用。TL431的主要作用是使电路获得 ...
-
- 增强PFC段性能的两种简单调整方法
- 摘要:大多数的现代电源都要求从输入线路所吸收的电流包含谐波含量。实际上,规范标准要求线路电流接近正弦波形,而且相位与线路电压同相。为此,通常在桥电路与大电容之间插入所谓的PFC预稳压器。这个中间段设计输出恒定 ...

扫码打开小程序

扫码安装APP