
-
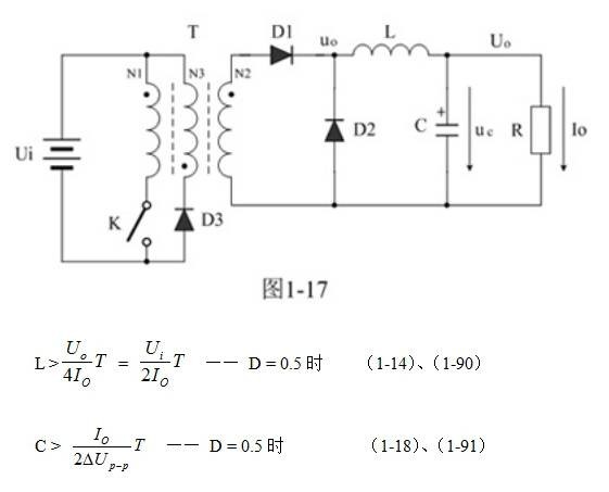
- (连载15)正激式变压器开关电源电路参数的计算
- 摘要:(连载15)正激式变压器开关电源电路参数的计算(连载01)开关电源的基本工作原理(连载02)串联式开关电源输出电压滤波电路(连载03)串联式开关电源储能滤波电感的计算(连载04)串联式开关电源储能滤波电容的计算(2)(连载05 ...
-
- 热敏电阻型浪涌抑制器在电源设计中的应用
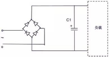
- 摘要:开机浪涌电流产生的原因图1是典型的电子产品电源部分简化电路,C1是与负载并联的滤波电容。在开机上电的瞬间,电容电压不能突变,因此会产生一个很大的充电电流。根据一阶电路零状态响应模型所建立的一阶线性非齐次 ...
-
- 【实用】二极管7种应用电路详解
- 摘要:0 引言许多初学者对二极管很“熟悉”,提起二极管的特性可以脱口而出它的单向导电特性,说到它在电路中的应用第一反应是整流,对二极管的其他特性和应用了解不多,认识上也认为掌握了二极管的单向导电特性,就能分 ...
-
- 不对称半桥隔离驱动的优点和应用
- 摘要:不对称半桥隔离驱动的优点和应用如今的科技发展日新月异,半导体器件技术也在飞速发展着。各种全控型器件的应运而生加速了开关电源技术的发展,不对称半桥变换器技术逐渐浮上水面。这种技术结构简单,并且只使用少量 ...
-
- 继电器线圈并联串联RC或二极管的作用
- 摘要:继电器线圈并联串联RC或二极管的作用继电器是电子电路中常用的一种元件,一般由晶体管、继电器等元器件组成的电子开关驱动电路中,往往还要加上一些附加电路以改变继电器的工作特性或起保护作用。继电器的附加电路主 ...
-
- (连载33)半桥式变压器开关电源
- 摘要:(连载33)半桥式变压器开关电源(连载01)开关电源的基本工作原理(连载02)串联式开关电源输出电压滤波电路(连载03)串联式开关电源储能滤波电感的计算(连载04)串联式开关电源储能滤波电容的计算(2)(连载05)反转式串联开 ...
-
- 双正激变换器软开关拓扑的分析与评价
- 摘要:1 引言双正激变换器克服了正激变换器中开关电压应力高的缺点,每个开关管只需承受输入直流电压,不需要采用特殊的磁复位电路就可以保证变压器的可靠磁复位。它的每一个桥臂都是由一个二极管与一个开关管串联组成, ...
-
- 精确控制成本TL431在反馈回路中的应用
- 摘要:精确控制成本 TL431在反馈回路中的应用在众多电路设计当中,TL431是一种被广泛应用于开关电源的可控精密稳压源。并且TL431拥有良好的参考电压和运放,所以能够很好的减少在控制回路上的成本投入。本篇文章主要对TL43 ...
-
- 6种斩波电路原理分析及基本关系式
- 摘要:引言斩波器是一种将电压值固定的直流电,转换为另一固定电压或可调电压的装置,一般是指直流对直流的转换。斩波电路是斩波器的核心组成部分,负责将输入电压转换成目标输出电压。根据输入输出电压大小、极性,斩波电 ...
-
- 开关电源的尖峰吸收电路解析
- 摘要:引言为了防止开关电源(开关电源是利用现代电力电子技术,控制开关管开通和关断的时间比率,维持稳定输出电压的一种电源,开关电源一般由脉冲宽度调制(PWM)控制IC和MOSFET构成)系统中的高速开关电路存在的分布电感 ...
-
- (连载08)并联式开关电源的工作原理
- 摘要:(连载08)并联式开关电源的工作原理(连载01)开关电源的基本工作原理(连载02)串联式开关电源输出电压滤波电路(连载03)串联式开关电源储能滤波电感的计算(连载04)串联式开关电源储能滤波电容的计算(2)(连载05)反转式串 ...
-
- 【资料分享】开关电源计算软件--附计算实例
- 摘要:作者寄语原文档:flyback设计指南(chinese)-FAIRCHILD.pdf原计算软件:开关电源变压器设计助手原版.xls在公众号回复:“助手”免费获取▲图1:基本的flyback 隔离电源转换器
-
- 海拔3000米时,设计开关电源该到底该考虑哪些因素?
- 摘要:概述设计开关电源或者其他电子设备时有很多个指标需要考虑,需要检验,而海拔高度很少被提及或者关心,这是一个很少被人提及的设备性能参数。真正应用在高海拔地区的开关电源或电子设备可能会存在一系列特有的问题。 ...
-
- (连载31)推挽式开关电源变压器参数的计算
- 摘要:(连载31)推挽式开关电源变压器参数的计算(连载01)开关电源的基本工作原理(连载02)串联式开关电源输出电压滤波电路(连载03)串联式开关电源储能滤波电感的计算(连载04)串联式开关电源储能滤波电容的计算(2)(连载05)反 ...
-
- 一语道破LED驱动电源拓扑结构的最优抉择
- 摘要:1 引言LED 的高可靠性(使用 寿命超过 50,000 个小时)、较高的效率(》120 流明/瓦)以及近乎瞬时的响应能力使其成为极具吸引力的光源。与白炽灯泡 200mS 的响应时间相比,LED 会在短短 5nS 响应时间内发光。因此,目 ...

扫码打开小程序

扫码安装APP