欢迎您,请 登录 或 注册

当前位置:首页 医疗器械维修 基础 电子 查看内容

(连载39)整流输出半桥式变压器开关电源

2017-7-14 21:31 阅读: 1363 评论: 0 编辑: ygzx1
[导读](连载39)整流输出半桥式变压器开关电源(连载01)开关电源的基本工作原理(连载02)串联式开关电源输出电压滤波电路(连载03)串联式开关电源储能滤波电感的计算(连载04)串联式开关电源储能滤波电容的计算(2)(连载05)反转 ...
(连载39)整流输出半桥式变压器开关电源
(连载01)开关电源的基本工作原理
(连载02)串联式开关电源输出电压滤波电路
(连载03)串联式开关电源储能滤波电感的计算
(连载04)串联式开关电源储能滤波电容的计算(2)
(连载05)反转式串联开关电源
(连载06)反转式串联开关电源储能电感的计算
(连载07)反转式串联开关电源储能滤波电容的计算
(连载08)并联式开关电源的工作原理
(连载09)并联式开关电源输出电压滤波电路
(连载10)并联开关电源储能电感的计算
(连载11)单激式变压器开关电源
(连载12)单激式变压器开关电源工作原理
(连载13)正激式变压器开关电源
(连载14)正激式变压器开关电源的优缺点
(连载15)正激式变压器开关电源电路参数的计算
(连载16)正激式开关电源变压器参数的计算
(连载17)正激式开关电源变压器初、次级线圈匝数比的计算
(连载18)反激式变压器开关电源part1
(连载19)反激式变压器开关电源part2
(连载20)开关电源电路的过渡过程part1
(连载21)开关电源电路的过渡过程part2
(连载22)反激式变压器开关电源电路参数计算
(连载23)反激式开关电源变压器参数的计算
(连载24)反激式开关电源变压器初级线圈电感量的计算
(连载25)反激式变压器开关电源的优缺点
(连载26)双激式变压器开关电源part1
(连载27)双激式变压器开关电源part2
(连载28)整流输出推挽式变压器开关电源
(连载29)推挽式变压器开关电源储能滤波电感、电容参数的计算
(连载30)推挽式变压器开关电源储能滤波电容参数的计算
(连载31)推挽式开关电源变压器参数的计算
(连载32)推挽式开关电源的优缺点
(连载33)半桥式变压器开关电源
(连载34)交流输出半桥式变压器开关电源part1
(连载35)交流输出半桥式变压器开关电源part2
(连载36)交流输出单电容半桥式变压器开关电源part1
(连载37)交流输出单电容半桥式变压器开关电源part2
(连载38)单电容半桥式变压器开关电源输出电压
1-8-2-3.整流输出半桥式变压器开关电源
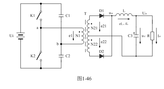
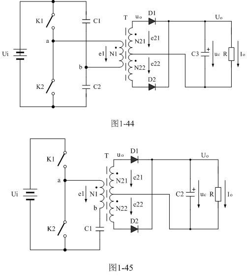
图1-43和图1-44分别是桥式整流输出和全波整流输出双电容半桥式变压器开关电源工作原理图;图1-45是全波整流输出单电容半桥式变压器开关电源工作原理图;图1-46是输出电压可调的双电容半桥式变压器开关电源工作原理图。整流输出半桥式变压器开关电源的工作原理与整流输出推挽式变压器开关电源的工作原理是非常接近的,只是变压器的激励方式与工作电源的接入方式有点不同。
其中,图1-43桥式整流输出和图1-44全波整流输出的双电容半桥式变压器开关电源的工作原理,分别与图1-30桥式整流输出和图1-31全波整流输出的推挽式变压器开关电源电路的工作原理对应相同;图1-46输出电压可调的双电容半桥式变压器开关电源工作原理与图1-33输出电压可调的推挽式变压器开关电源工作原理对应相同;图1-45是全波整流输出单电容半桥式变压器开关电源,与图1-31全波整流输出的推挽式变压器开关电源电路的工作原理也基本相同。
关于图1-43、图1-44、图1-45、图1-46等开关电源的详细工作原理,请自己参考前面有关章节内容的分析,这里不再准备赘述。
陶工您好:
前段时间我跟我的老师做过一个开关电源,类型就是这种双电容的半桥式开关电源,两个开关是选择的IGBT,IGBT的最高频率为20KHz,我选择的频率时15KHz。后级整流用的是四个二极管,滤波用的电感和电容,但是,在最后在调试时出现了IGBT叫的现象,我用示波器观察到在变压器的初级线圈上有一个很高的脉冲,这个脉冲随输出电压的升高而升高且频率越来越快,当升到一定的时候IGBT就一直叫,且输出失去控制,好似一个压控振荡器。我想问问是什么原因导致这种情况的?还有个问题是我现在用UC3843做一个小功率的并联式升压开关电源,发现输出电压中夹杂有开关的频率,并且幅度很高,我把输出的滤波电容选大了好像没什么用。电感是自己绕的,用的EI30磁芯,绕了10匝,有气隙。不知道问什么?
开关电源不能没有负载,或输出负载太轻。开关电源输出电压或功
开关电源不能没有负载,或输出负载太轻。开关电源输出电压或功率是与开关电源工作的占空比相对应的,如果开关电源的占空比过大,而输出负载很轻,则开关变压器存储的能量将无法释放,此时开关电源将会激起高频振荡,即:方波的前后沿(相当于高次谐波)会对开关电源变压器初、次级线圈的分布电容与分布电感组成的谐振回路激起高频振荡。
特别是谐振回路的振荡频率正好等于开关电源工作频率的奇数倍时,即方波前后沿的电压上升率正好与谐振电压波形的上升率符号相同时,此时,方波的前后沿均对谐振回路产生充电,使谐振回路产生振荡的幅度非常高,振荡电压的幅度要升高到开关变压器的铁损(涡流损耗和磁滞损耗)与铜损(漆包线电阻产生的损耗)之和正好等于开关电源的输出功率为止,此时,振荡的幅度才会开始稳定下来。
当开关电源输出电压的正、负半周脉冲宽度不相同时,冲击振荡就会变成间歇振荡;因为,冲击振荡产生的条件是,冲击脉冲电压的上升率必须大于谐振回路振荡波形的电压上升率,此时振荡才会产生(即振荡回路吸收能量);而当冲击脉冲的电压上升率小于谐振回路振荡波形的上升率时,谐振回路就会减振(即振荡回路释放能量,电路产生阻尼振荡);由于,开关电源的方波前后沿的相位很难跟谐振回路的自由谐振同步,因此就会出现,有时候是对振荡加强,有时候是对振荡减弱,即产生歇振荡,如果没有歇振荡,你的开关电源的振荡幅度将会达到非常高,将会导致开关管击穿损坏。当开关电源产生间歇振荡时,变压器就会发出磁滞伸缩声,声音的频率就是间歇振荡的频率。
解决开关电源产生振荡的办法就是加大开关电源的负载,并且在占空比控制电路还不能正常工作时,开关电源的工作电压不要加得那么高。建议你在开始调试开关电源时,控制电路部分单独用一个直流稳压电源供电;而电源开关部分采用交流输入电压(经过整流滤波)供电,交流输入电压可通过一个调压器(自耦变压器)调压,交流输入电压先从30V开始,然后慢慢提升,直到输出电压基本正常(不出现间歇振荡),然后边调试控制电路,边调整输入电压,直到输入、输出电压的范围满足工作要求,如果不满足要求,就要改变压器的变压比。
如果不想接重负载,也可以采取在开关变压器上再增加一个能量反馈线圈(1:1)的办法,把反馈线圈输出的电压经过整流后再反馈回到输入电源(相当于对输入电源进行充电),这样可节省能源。
本文章在网上摘抄整理,总共83连载,供大家学习使用。如涉及版权请告知,我们将在24小时内删除。

最新评论

扫码打开小程序

扫码安装APP

返回顶部