欢迎您,请 登录 或 注册

当前位置:首页 医疗器械维修 基础 电子 查看内容

明纬1500W移相全桥电源完全拆机【含带参数高清原理图】

2017-7-14 16:34 阅读: 4406 评论: 0 编辑: ygzx1
[导读]拆解的是明纬RSP-1500-27电源先来个整体外观图上个规格书【其他:RSP-1500系列规格书.jpg, RSP-1500系列机构尺寸和方框图.jpg,RSP-1500系列功能手册.jpg,RSP-1500系列降额曲线和功能手册.jpg,的高清图请联系小编微 ...
拆解的是明纬RSP-1500-27电源
先来个整体外观图
上个规格书【其他:RSP-1500系列规格书.jpg, RSP-1500系列机构尺寸和方框图.jpg,RSP-1500系列功能手册.jpg,RSP-1500系列降额曲线和功能手册.jpg,的高清图请联系小编微信:gcj5055免费索取】
PFC主电路板正面图
PFC主电路板反面图
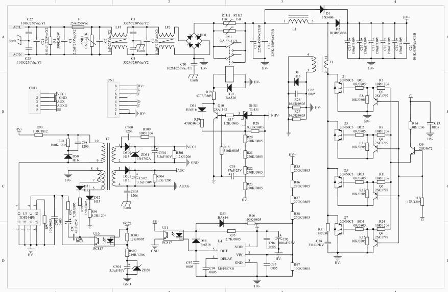
高清原理图由于是pdf文档,所以上传个截图(下同),下面是PFC主板原理图(PFC主板原理图.pdf,带参数高清原理图请加小编微信:gcj5055免费索取)
PFC控制电路板正面
PFC控制电路板反面
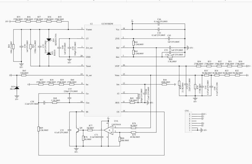
PFC控制板原理图(PFC控制板原理图.pdf,带参数高清原理图请加小编微信:gcj5055免费索取)
移相全桥主电路板正面
移相全桥主电路板反面
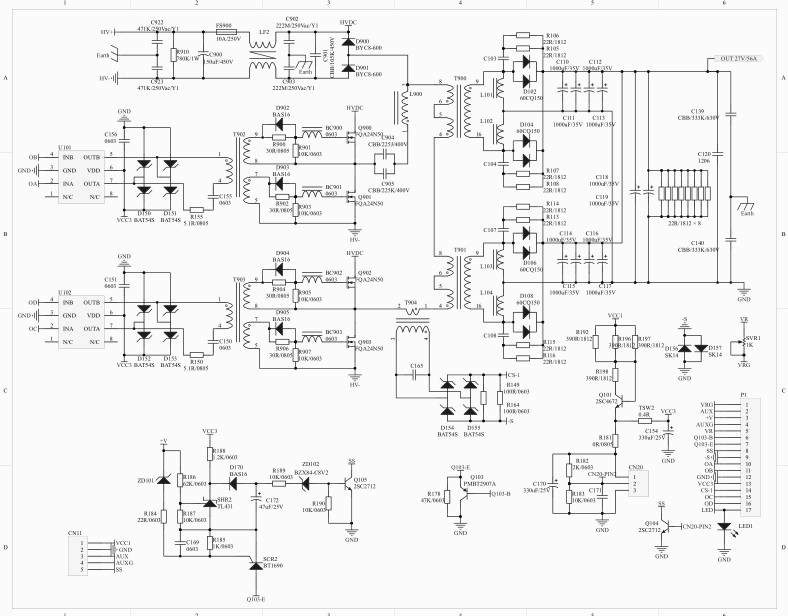
移相全桥主板原理图(移相全桥主板原理图.pdf,带参数高清原理图请加小编微信:gcj5055免费索取)
全桥移相控制板正面
全桥移相控制板反面
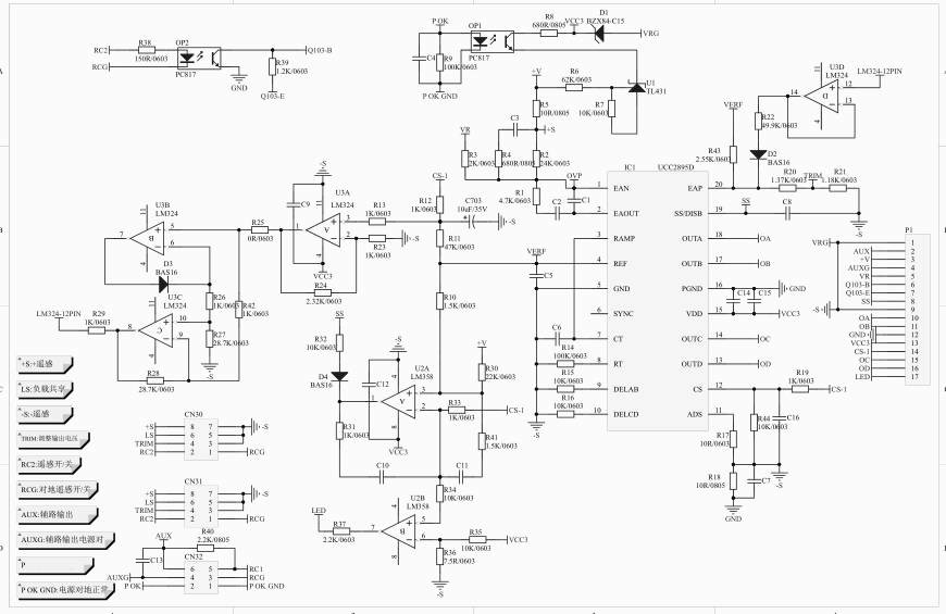
移相全桥控制板原理图(移相全桥控制板原理图.pdf,带参数高清原理图请加小编微信:gcj5055免费索取)
测试的相关波形如下请欣赏:
完毕!看完后大家有何感想呢!右下角可留言哦!

最新评论

扫码打开小程序

扫码安装APP

返回顶部