欢迎您,请 登录 或 注册

当前位置:首页 医疗器械维修 基础 电子 查看内容

开关电源过流保护方式比较分析

2017-7-14 15:19 阅读: 910 评论: 0 编辑: ygzx1
[导读]引言电源作为一切电子产品的供电设备,除了性能要满足供电产品的要求外,其自身的保护措施也非常重要,如过压、过流、过热保护等。一旦电子产品出现故障时,如电子产品输入侧短路或输出侧开路时,则电源必须关闭其输 ...
引言 
电源作为一切电子产品的供电设备,除了性能要满足供电产品的要求外,其自身的保护措施也非常重要,如过压、过流、过热保护等。一旦电子产品出现故障时,如电子产品输入侧短路或输出侧开路时,则电源必须关闭其输出电压,才能保护功率MOSFET和输出侧设备等不被烧毁,否则可能引起电子产品的进一步损坏,甚至引起操作人员的触电及火灾等现象,因此,开关电源的过流保护功能一定要完善。
1  开关电源中常用的过流保护方式 
过电流保护有多种形式,如图1所示,可分为额定电流下垂型,即フ字型;恒流型;恒功率型,多数为电流下垂型。过电流的设定值通常为额定电流的110%~130%。一般为自动恢复型。
图1中①表示电流下垂型,②表示恒流型,③表示恒功率型。
图1  过电流保护特性
1.1  用于变压器初级直接驱动电路中的限流电路
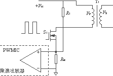
在变压器初级直接驱动的电路(如单端正激式变换器或反激式变换器)的设计中,实现限流是比较容易的。图2是在这样的电路中实现限流的两种方法。
图2电路可用于单端正激式变换器和反激式变换器。图2(a)与图2(b)中在MOSFET的源极均串入一个限流电阻Rsc,在图2(a)中, Rsc提供一个电压降驱动晶体管S2导通,在图2(b)中跨接在Rsc上的限流电压比较器,当产生过流时,可以把驱动电流脉冲短路,起到保护作用。
图2(a)与图2(b)相比,图2(b)保护电路反应速度更快及准确。首先,它把比较放大器的限流驱动的门槛电压预置在一个比晶体管的门槛电压Vbe更 精确的范围内;第二,它把所预置的门槛电压取得足够小,其典型值只有100mV~200mV,因此,可以把限流取样电阻Rsc的值取得较小,这样就减小了 功耗,提高了电源的效率。
(a)晶体管保护
(b)限流比较器保护
图2  在单端正激式或反激式变换器电路中的限流电路
当AC输入电压在90~264V范围内变化,且输出同等功率时,则变压器初级的尖峰电流相差很大,导致高、低端过流保护点严重漂移,不利于过流点的一致 性。在电路中增加一个取自+VH的上拉电阻R1,其目的是使S2的基极或限流比较器的同相端有一个预值,以达到高低端的过流保护点尽量一致。
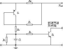
1.2  用于基极驱动电路的限流电路
在一般情况下,都是利用基极驱动电路把电源的控制电路和开关晶体管隔离开来。变换器的输出部分和控制电路共地。限流电路可以直接和输出电路相接,其电路如图3所示。在图3中,控制电路与输出电路共地。工作原理如下:
图3  用于多种电源变换器中的限流电路
电路正常工作时,负载电流IL流过电阻Rsc产生的压降不足以使S1导通,由于S1在截止时IC1=0, 电容器C1处于未充电状态,因此晶体管S2也截止。如果负载侧电流增加,使IL达到一个设定的值,使得ILRsc=Vbe1+Ib1R1,则S1导通,使 电容器C1充电,其充电时间常数τ= R2C1,C1上充满电荷后的电压是VC1=Ib2R4+Vbe2。在电路检测到有过流发生时,为使电容器C1能够快速放电,应当选择R4
1.3 无功率损耗的限流电路
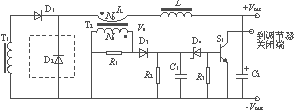
上述两种过流保护比较有效,但是Rsc的存在降低了电源的效率,尤其是在大电流输出的情况下,Rsc上的功耗就会明显增加。图4电路利用电流互感器作为检测元件,就为电源效率的提高创造了一定的条件。
图4电路工作原理如下:利用电流互感器T2监视负载电流IL,IL在通过互感器初级时,把电流的变化耦合到次级,在电阻R1上产生压降。二极管D3对脉 冲电流进行整流,经整流后由电阻R2和电容C1进行平滑滤波。当发生过载现象时,电容器C1两端电压迅速增加,使齐纳管D4导通,驱动晶体管 S1导通,S1集电极的信号可以用来作为电源变换器调节电路的驱动信号。
图4  无功耗限流电路
电流互感器可以用铁氧体磁芯或MPP环型磁芯来绕制,但要经过反复实验,以确保磁芯不饱和。理想的电流互感器应该达到匝数比是电流比。通常互感器的Np=1,Ns=NpIpR1/(Vs+VD3)。具体绕制数据最后还要经过实验调整,使其性能达到最佳状态。
1.4 用555做限流电路
图5为555集成时基电路的基本框图。
图5  555集成时基电路的基本框图
555集成时基电路是一种新颖的、多用途的模拟集成电路,有LM555,RCA555,5G1555等,其基本性能都是相同的,用它组成的延时电路、单稳态振荡器、多谐振荡器及各种脉冲调制电路,用途十分广泛,也可用于直接变换器的控制电路。
555时基电路由分压器R1、R2、R3,两个比较器,R-S触发器以及两个晶体管等组成,电路在5~18V范围内均能工作。分压器提供偏压给比较器1 的反相输入端,电压为2Vcc/3,提供给比较器2的同相输入端电压为Vcc/3,比较器的另两个输入端脚2、脚6分别为触发和门限,比较器输出控制R- S触发器,触发器输出供给输出级以及晶体管V1的基极。当触发器输出置高时,V1导通,接通脚7的放电电路;当触发器输出为低时,V1截止,输出级提供一 个低的输出阻抗,并且将触发器输出脉冲反相。当触发器输出置高时,脚3输出的电压为低电平,触发器输出为低时,脚3输出的电压为高电平。输出级能够提供的 最大电流为200mA,晶体管V2是PNP管,它的发射极接内部基准电压Vr,Vr的取值总是小于电源电压Vcc,因此,若将V2的基极(脚4 复位)接到Vcc上,V2的基射极为反偏,晶体管V2截止。
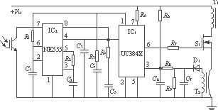
图6为用555做限流保护的电路,其工作原理如下:UC384X与S1及T1组成一个基本的PWM变换器电路。UC384X系列控制IC有两个闭环控制回路,一个是输出电压Vo反馈至误差放大器,用于同基准电压Vref比较之后产生误差电压(为了防止误差放大器的自激现象产生,直接把脚2对地短接);另一个是变压器初级电感中的电流在T2次级检测到的电流值在R8及C7上的电压,与误差电压进行比较后产生调制脉冲的脉冲信号。当然,这些均在时钟所设定的固定频率下工作。UC384X具有良好的线性调整率,能达到0.01%/V;可明显地改善负载调整率;使误差放大器的外电路补偿网络得 到简化,稳定度提高并改善了频响,具有更大的增益带宽乘积。UC384X有两种关闭技术;一是将脚3电压升高超过1V,引起过流保护开关关闭电路输出;二 是将脚1 电压降到1V以下,使PWM比较器输出高电平,PWM锁存器复位,关闭输出,直到下一个时钟脉冲的到来,将PWM锁存器置位,电路才能重新启动。电流互感 器T2监视着T1的尖峰电流值,当发生过载时,T1的尖峰电流迅速上升,使T2的次级电流上升,经D1整流,R9及C7平滑滤波,送到IC1的脚3,使 IC1的脚1电平下降(注意:接IC1脚1的R3,C4必须接成开环模式,如接成闭环模式则过流时555的脚7放电端无法放电)。IC1的脚1与IC2的 脚6相连接,使IC2的比较器1同相输入端的电压降低,触发器Q输出高电平,V1导通,IC2的脚7放电,使IC1的脚1电平被拉低于1V,则IC1输出 关闭,S1因无栅极驱动信号而关闭,使电路得到保护。若过流不消除,则重复上述过程,IC1重新进入启动、关闭、再启动、再关闭的循环状态,即“打嗝”现 象。而且,过负载期间,重复进行着启振与停振,但停振时间长,启振时间短,因此电源不会过热,这种过负载保护称为周期保护方式(当输入端输入电压变化范围 较大时,仍可使高、低端的过流保护点基本相同)。其振荡周期由555单稳多谐振荡器的RC时间常数τ决定,本例中τ=R1C1,直到过载现象消失,电路才 可恢复正常工作。电流互感器T2的选择同1.3的互感器计算方法。
图6  用555做限流保护电路
图6电路,可以用在单端反激式或单端正激式变换器中,也可用在半桥式、全桥式或推挽式电路中,只要IC1有反馈控制端及基准电压端即可,当发生过流现象时,用555电路的单稳态特性使电路工作在“打嗝”状态下。
1.5 几种过流保护方式的比较
几种过流保护方式的比较如表1所列。
表1 几种过流保护方式的比较
2 结语 
作者经过长期的研发与生产,比较了开关电源中所使用的各种过流保护方法,可以说,几乎没有一种过流保护方式是万能的,只有用555的保护方式性能价格比 是较好的。一般来说,选择何种过流保护方式,都要结合具体的电路变换模式而做出相应的选择。只有经过认真的分析,大量的实验才能找到最适合的过流保护方 式。保护方式设计的合理、有效,意味着产品的可靠性才可能更高。

最新评论

扫码打开小程序

扫码安装APP

返回顶部