设为首页
收藏本站
开启辅助访问
欢迎您,请
登录
或
注册
搜索
搜索
热门搜索:
迈瑞
磁共振
东软
空气消毒机
飞利浦c型臂
胎儿
飞利浦
柯达dr维修
50ma
床
高频电刀
华玺输液泵
冷光源
加速器
招标预算
西门子
飞利浦C型臂
胎心
东芝彩超
飞利浦M3046
迈瑞生化
快捷导航
文库
文章
帖子
所有分类
医用配件
监护仪/心电图机
呼吸机/麻醉机
检验设备
监护仪/心电图机
监护仪
心电图机
除颤仪
血氧仪
胎监仪
电子血压计
脑电图机
其它
呼吸机/麻醉机
呼吸机
麻醉机
其它
检验设备
血细胞分仪板
生化分析仪
电解质分析仪
血气分析仪
凝血分析仪
血流变分析仪
尿液分析仪
免疫分析仪
其它
影像设备
CT
DSA
普放设备
MRI
加速器
附属设备
超声
其它
手术器械/内镜
软镜
硬镜
冷光源
电刀
手术器械
其它
血透机/水处理
血透机
水处理
耗材
医用灯泡
监护仪耗材
呼吸机耗材
医用灯泡
无影灯灯泡
生化仪灯泡
监护仪耗材
导联线
氧饱和度探头
胎心监护探头
血压袖带
其它
呼吸机耗材
螺纹管
氧电池
积水杯
通气面罩
呼吸气囊
细菌过滤器
其它
医用电池
心电图机电池
除颤/监护电池
血压计电池
注射泵电池
其它电池
维修服务
电源维修
手术器械维修
影像设备维修
电源维修
彩超电源
呼吸机电源
其它电源
手术器械维修
高频电刀
普通器械
影像设备维修
CT
MRI
普放
超彩
麻醉呼吸机维修
麻醉机维修
呼吸机维修
监护/心电维修
监护仪维修
心电图机维修
胎心监护维修
除颤仪维修
电子血压计维修
内镜维修
摄像机
软镜
硬镜
气腹机
其它
其它
血透机维修
其它
通用配件
电子元器件
显卡
显示屏
电子元器件
二极管
三极管
场效应管
电容
电阻
IC芯片
其它
显卡
PCI-E 接口
AGP接口
图形工作站卡
PCI接口
其它
显示屏
工控显示屏
其它
存储设备
CF卡
TF卡
SD卡
硬盘
其它
五金配件
螺丝
螺幅
其它
机电产品
其它
其它
工具/资料
图书
维修资料
维修工具
图书
维修用书
考试用书
管理用书
其它
维修资料
影像设备
检验设备
监护除颤
呼吸麻醉
其它
维修工具
普通工具
备份工具
检测设备/模拟器
其它
其它
模拟器
检测设备
其它
医械展台
检验设备
影像超声
监护除颤
检验设备
影像超声
监护除颤
医用光学
腹腔镜
实验仪器
康复理疗
消毒灭菌
其它
首页
资讯
技术
市场
数字
综合
维修
基础
经验
案例
公司
管理
制度
计量
质控
法规
职场
考试
培训
招聘
感悟
文库
论坛
发现
签到
黄页
名片
医工商城
APP下载
用户
医工导购
更多>
¥29.70
2025卫生人才考试题库临床医学工程技术高级真题卷模拟题资料
¥29.70
2025卫生事业岗位招聘考试题库事业编临床医学工程技术真题卷资料
当前位置:
首页
›
医疗器械维修
›
基础
›
电子
›
查看内容
【精】几种常用拓扑原理介绍,及优缺点对比
2017-7-14 15:18
阅读: 519
评论: 0
编辑:
ygzx1
[导读]
几种常用拓扑原理介绍,及优缺点对比三种基本的非隔离开关电源三种基本的隔离开关电源反激变换器(Flyback)工作原理 (电流连续模式)反激变换器(Flyback)优缺点谐振复位正激变换器谐振复位正激变换器优缺点有源 ...
几种常用拓扑原理介绍,及优缺点对比
三种基本的非隔离开关电源
三种基本的隔离开关电源
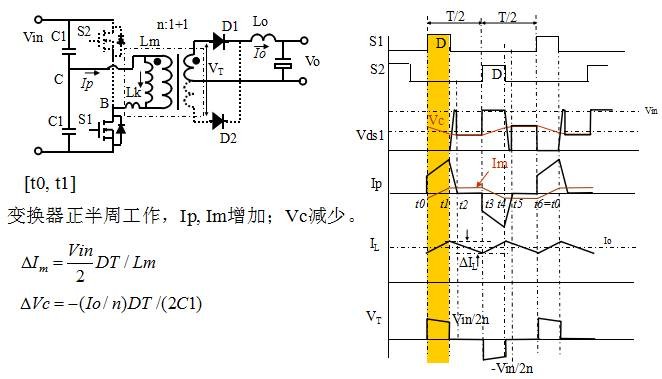
反激变换器(Flyback)工作原理 (电流连续模式)
反激变换器(Flyback)优缺点
谐振复位正激变换器
谐振复位正激变换器优缺点
有源钳位正激变换器
有源钳位变换器优缺点
桥式变换器
桥式变换器优缺点
几种隔离式变换器之比较
AC/DC Application Block Diagram
收藏
分享
邀请
上一篇:
开关电源三种控制技术全面解析
下一篇:
陶瓷贴片电容的基本常识
相关阅读
·
除颤仪的临床应用及护理
·
当医生跟你聊血气分析时,他在聊什么?
·
迈瑞DP-50便携式超声显示器故障分析
·
Philips MX 16-Slice CT扫描系统故障维修一例
·
如何能在没有技术资料的情况下维修设备?
论坛推荐
·
欧美达麻醉机潮气量不准维修方法
·
医学影像软件大全
·
CT图像浏览器
·
迈柯唯册 MAQUET Servo-s中文维修
·
GE TMX+床边机超详细维修手册
最新评论
评论
论坛新帖
更多>
2004年7月大连岛
5008S报错
2004年7月大连岛津用户学习班的同事在
输液泵
5008S报错
景洪市傣乡水城
迈瑞生化仪BS-220
HK-400i注射泵 报错误0xE1
医工工具
医工黄页
配件信息
维修服务
每日签到
故障求助
积分充值
文库推荐
BS-200&220&330&350_维修手册_V5.0_CH
BS-400&420_维修手册_V7.0_CH
2025年职能部门月考核细则(医学工程部)
OptimaXR240 移动DR 维修手册
MD 650020声阻抗中耳功能分析仪中文说明书.pdf
上海理音RIONAUDIOMETER AA-58听力计使用说
联影CT510UserManual_ServiceL1
万东F52-8C型X光机维修手册.pdf万东F52-8C型X光机维修手册
电池式骨组织手术设备开颅钻使用说明书上海海桂医疗器械
奥林巴斯软镜培训
帮助中心
用户须知
论坛相关
积分相关
其他相关问题
积分相关
我的积分
积分充值
积分兑换
我的积分记录
网站积分规则
医工发现
维修电话
每日签到
个人设置
修改头像
修改个人资料
空间设置
修改密码
QQ绑定
关于我们
网站简介
联系我们
网站地图
免责声明
扫码打开小程序
扫码安装APP
返回顶部