欢迎您,请 登录 或 注册

当前位置:首页 医疗器械维修 基础 电子 查看内容

电源人必看:LED驱动电源知识大全套

2017-7-14 15:16 阅读: 346 评论: 0 编辑: ygzx1
[导读]一 LED基本分类与应用●按输出功率分类:0.4W、1.28W、1.4W、3W、4.2W、5W、8W、10.5W、12W、15W、18W、 20W、23W、25W、30W、45W、60W、100W、120W、150W、200W、300W 等。●按输出电压分类:DC4V、6V、9V、12V、18 ...
一  LED基本分类与应用
●按输出功率分类:
0.4W、1.28W、1.4W、3W、4.2W、5W、8W、10.5W、12W、15W、18W、 20W、23W、25W、30W、45W、60W、100W、120W、150W、200W、300W 等。
●按输出电压分类:
DC4V、6V、9V、12V、18V、24V、36V、42V、48V、54V、63V、81V、105V、135V等。 
●按外形结构分类:
PCBA裸板和有外壳的两种。 
●按安全结构分类:
隔离和非隔离的两种。 
●按功率因数分类:
带功率因数校正和不带功率因数。 
●按防水性能分类:
防水和不防水两种。 
●按激励方式分类:
自激式和它激式。 
●按电路拓扑分类:
RCC、Flyback、Forward、Half-Bridge、Full-Bridge、Push-PLL 、LLC等。 
●按转换方式分类:
AC-DC与DC-DC两种。 
●按输出性能分类:
恒流、恒压与既恒流又恒压三种。 
LED驱动电源的应用
分别用于射灯、橱柜灯、小夜灯、护眼灯、LED天花灯、灯杯、埋地灯、水底灯、洗墙灯、投光灯、 路灯、招牌灯箱、串灯、筒灯、异形灯、星星灯、护拦灯、彩虹灯、幕墙灯、柔性灯、条灯、带灯、 食人鱼灯、日光灯、高杆灯、桥梁灯、矿灯、手电筒、应急灯、台灯、灯饰、交通灯、节能灯、汽车尾灯、草坪灯、彩灯、水晶灯、 格栅灯、遂道灯等。
二、LED驱动电源的重要性
接触过LED的人都知道:由于LED正向伏安特性非常陡 图1.1(正向动态电阻非常小),要给LED正常供电就比较困难。不能像普通白炽灯一样,直接用电压源供电,否则电压波动稍增,电流就会增大到将LED烧毁的程度。为了稳定LED的工作电流,保证LED能正常可靠地工作,具有”镇流功能”的各种各样的LED驱动电路就应运而生。最简单的是串联一只镇流电阻,而比较复杂的是用许多电子元件构成的“恒流驱动器”。
三、LED驱动的技术方案
一  镇流电阻方案
此方案的原理电路图见图1。这是一种极其简单,自LED面世以来至今还一直在用的经典电路。
LED工作电流I按下式计算:
I与镇流电阻R成反比;当电源电压U上升时,R能限制I的过量增长,使I不超出LED的允许范围。
此电路的优点是简单,成本低;缺点是电流稳定度不高;电阻发热消耗功率,导致用电效率低,仅适用于小功率LED范围。
一般资料提供的镇流电阻R的计算公式是:
按此公式计算出的R值仅满足了一个条件:工作电流I 。而对驱动电路另两个重要的性能指标:电流稳定度和用电效率,则全然没有顾及。因此用它设计出的电路,性能没有保证。
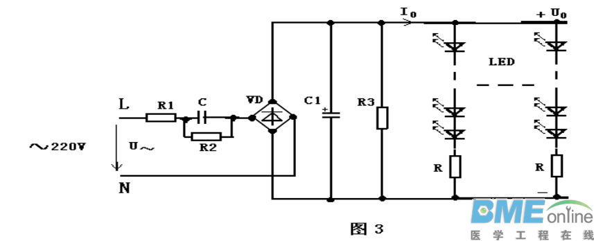
二 镇流电容方案
电路的工作是基于在交流电路中,电容存在容抗XC也有”镇流作用”的原理。另外电容消耗无功功率,不发热;而电阻则消耗有功功率,会转化为热能耗散掉,所以镇流电容比镇流电阻,能节省一部分电能,并能设计成将LED灯直接接到市电~220V上,使用更为方便。
此方案的优点是简单,成本低,供电方便;缺点是电流稳定度不高,效率也不高。仅适用于小功率LED范围。当LED的数量较多,串联后LED支路电压较高的场合更为适用。
三 线性恒流驱动电路
上面已经提到电阻、电容镇流电路的缺点是电流稳定度低(△I/I达±20~50%),用电效率也低(约50~70%),仅适用于小功率LED灯。
为满足中、大功率LED灯的供电需要,利用电子技术常见的电流负反馈原理,设计出恒流驱动电路。和直流恒压电源一样,按其调整管是工作在线性,还是开关状态,恒流驱动电路也分成两类:线性恒流驱动电路和开关恒流驱动电路。
图4是最简单的两端线性恒流驱动电路。它借用三端集成稳压器LM337组成恒流电路,外围仅用两个元件:电流取样电阻R和抗干扰消振电容C 
四 开关电源驱动电路
上述线性恒流驱动电路虽具有电路简单、元件少、成本低、恒流精度高、工作可靠等优点,但使用中也发现几点不足:
a、调整管工作在线性状态,工作时功耗高发热大(特别是工作压差过大时),不仅要求较大尺寸的散热器,而且降低了用电效率。
b、电源电压要求按公式(13)与LED工作电压严格匹配,不允许大范围改变。也就是说它对电源电压及LED负载变化的适应性差。
c、它仅能工作在降压状态,不能工作在升压状态。即电源电压必须高于LED工作电压。
d、供电不太方便,一般要配开关稳压电源,不能直接用~220V供电。
输入整流:将正负变化的交流电变成单向变化的直流电
滤波:将变化的电压波形平滑成波动较小的直流电压波形
变压器:储存能量,产生需要的输出电压.原、副边隔离。
输出稳压:稳定输出电压
取样反馈:将输出电压的变化反映到控制电路,以便采取相应的措施保证输出电压在规定的范围内
PWM+开关:控制电路,根据反馈回来的信号控制变压器储存能量的多少,从而保证输出的稳定
采用开关电源驱动的优点:效率高,一般可以做到80%~90%,输出电压、电流稳定。输出纹波小。且这种电路都有完善的保护措施,属高可靠性电源。
LED驱动电源主要有恒压式和恒流式
(1)恒压式:
a、当稳压电路中的各项参数确定以后,输出的电压是固定的,而输出的电流却随着负载的增减而变化;
b、恒压电路不怕负载开路,但严禁负载完全短路。
c、 以稳压驱动电路驱动LED,每串需要加上合适的电阻方可使每串LED显示亮度平均;
d、 亮度会受整流而来的电压变化影响。
(2)恒流式:
a、 恒流驱动电路输出的电流是恒定的,而输出的直流电压却随着负载阻值的大小不同在一定范围内变化,负载阻值小,输出电压就低,负载阻值越大,输出电压也就越高;
b、 恒流电路不怕负载短路,但严禁负载完全开路。
c、 恒流驱动电路驱动LED是较为理想的,但相对而言价格较高。
d、 应注意所使用最大承受电流及电压值,它限制了LED的使用数量;
开关恒流驱动电路
恒流源和恒压源不同之处就是恒流的那部分电路。
恒流部分:它主要由T1、R8、R9、R5组成。三级管的导通电压0.7V是已知量。R8阻值也是已知量,当电路开始工作后,只要R8和流过R8的电流乘积大于0.7V,三极管开始工作,电路就进入恒流工作。
四、LED与LED驱动电源的匹配
我们已经很清楚的知道LED驱动电源只有两种方式:
恒流式:电流不变电压在一定范围内变化(随负载变化)
恒压式:电压不变电流在一定范围内变化(随负载变化)
而LED灯配合的方式有三种:串联式, 并联式,串并混联式。
串联式:
要求LED驱动器输出较高的电压。当LED的一致性差别较大时,分配在不同的LED两端电压不同,通过每颗LED的电流相同,LED的亮度一致。
当某一颗LED品质不良短路时,如果采用稳压式驱动,由于驱动器输出电压不变,那么分配在剩余的LED两端电压将升高,驱动器输 出电流将增大,导致容易损坏余下所有LED。如采用恒流式LED驱动,当某一颗LED品质不良短路时,由于驱动器输出电流保持不变,不影响余下所有LED 正常工作。当某一颗LED品质不良断开后,串联在一起的LED将全部不亮。解决的办法是在每个LED两端并联一个齐纳管,当然齐纳管的导通电压需要比LED的导通电压高,否则LED就不亮了。
并联式:
要求LED驱动器输出较大的电流,负载电压较低。分配在所有LED两端电压相同,当LED的一致性差别较大时,而通过每颗LED的电流不一致,LED的亮度也不同。可挑选一致性较好的LED,适合用于电源电压较低的产品。
当某一个颗LED品质不良断开时,如果采用恒压式LED驱动,驱动器输出电流将减小,而不影响余下所有LED正常工作。如果是采用 恒流式LED驱动,由于驱动器输出电流保持不变,分配在余下LED电流将增大,导致容易损坏所有LED。解决办法是尽量多并联LED,当断开某一颗LED 时,分配在余下LED电流不大,不至于影响余下LED正常工作。所以功率型LED做并联负载时,不宜选用恒流式驱动器。当某一颗LED品质不良短路时,那么所有的LED将不亮,但如果并联LED数量较多,通过短路的LED电流较大,足以将短路的LED烧成断路。
串并混联方式
在需要使用比较多LED的产品中,如果将所有LED串联,将需要LED驱动器输出较高的电压。如果将所有LED并联,则需要LED驱动器输出较大的电流。 将所有LED串联或并联,不但限制着LED的使用量,而且并联LED负载电流较大,驱动器的成本也会大增。解决办法是采用混联方式。串并联的LED数量平均分配,分配在一串LED上的电压相同,通过同一串每颗LED上的电流也基本相同,LED亮度一致。同时通过每串LED的电流也相近。
当某一串联LED上有一颗品质不良短路时,不管采用恒压式驱动还是恒流式驱动,这串LED相当于少了一颗LED,通过这串LED的电流将大增,很容易就会 损坏这串LED。大电流通过损坏的这串LED后,由于通过的电流较大,多表现为断路。断开一串LED后,如果采用恒压式驱动,驱动器输出电流将减小,而不 影响余下所有LED正常工作。如果是采用恒流式LED驱动,由于驱动器输出电流保持不变,分配在余下LED电流将增大,导致容易损坏所有LED。解决办法是尽量多并联LED,当断开某一颗LED时,分配在余下LED电流不大,不至于影响余下LED正常工作。
混联方式还有另一种接法,即是将LED平均分配后,分组并联,再将每组串联一起。
当有一颗LED品质不良短路时,不管采用恒压式驱动还是恒流式驱动,并联在这一路的LED将全部不亮,如果是采用恒流式LED驱动,由于驱动器输出电流保持不变,除了并联在短路LED的这一并联支路外,其余的LED正常工作。假设并联的LED数量较多,驱动器的驱动电流较大,通过这颗短路的LED电流将增大,大电流通过这颗短路的LED后,很容易就变成断路。由于并联的LED较多,断开一颗LED的这一并联支路,平均分配电流不大,依然可以正常工作,哪么 整个LED灯,仅有一颗LED不亮。
如果采用恒压式驱动,LED品质不良短路瞬间,负载相当少并联一路LED,加在其余LED上的电压增高,驱动器输出电流将大增,极有可能立刻损坏所有 LED,幸运的话,只将这颗短路的LED烧成断路,驱动器输出电流将恢复正常,由于并联的LED较多,断开一颗LED的这一并联支路,平均分配电流不大, 依然可以正常工作,哪么整个LED灯,也仅有一颗LED不亮.
通过对以上分析可知,驱动器与负载LED串并联方式搭配选择是非常重要的,恒流式驱动功率型LED是不适合采用并联负载的,同样的,恒压式LED驱动器不适合选用串联负载。
工程中的简易计算方法
例:某电源额定输出功率为5W电源,输出电压12V ,白光LED额定正向电压3.3V,耗散功率为65mW,可配置多少个LED?
(1)计算每条支路的LED个数: 3.3V × 3 =9.9V
65mW ÷3.3V  =20mA  (12V - 9.9V)÷ 20mA = 105Ω
(2)计算并联支路数 :5W ÷ (65mW × 3 + 20mA × 20mA × 105Ω ) = 21
(3)总共可以接多少个LED:21 × 3 =63个(串并混联)
4:LED驱动电源使用中应注意的问题
A.  LED降额使用。
B.    使用线性恒流驱动器,特别注意其工作压差。
C.    隔离式开关恒流驱动器次级输出电源不宜悬空,负极应接   地。
D. 对开关恒流驱动器,要严格遵守:先接好LED灯,再接通驱动器电源的操作顺序。
我们针对瞬间电流冲击问题研究了新型的解决方案,在输出端加入限流电路,主要有两种实现方案。
a、串联连接方式,将多余部分的能量消耗在限流电路内部。通过将多余的能量堵在负载之前,保证在连接开关闭合的瞬间流过LED灯负载上的电流在LED灯所允许的电流范围之内。
b、并联连接方式,同样也是将多余部分的能量消耗在限流电路内部。通过将多余的能量引到限流电路上,保证流过LED灯上的电流在LED灯的安全电流范围之内。
串联限流电路:配置在高频滤波电容(C3)和恒流回路之间,在一个横向分支上包含一个NPN型晶体管(Q1)的集电极发射极通道和与这个集电极发射极通道串联的限流电阻(R1)。集电结偏置电阻(R5)连接到NPN型晶体管(Q1)的集电极与基极之间。NPN型晶体管(Q2)的基极连接到NPN型晶体管(Q1)的发射极上,NPN型晶体管(Q2)的集电极与NPN型晶体管(Q1)的基极相连,NPN型晶体管(Q2)的发射极连接到限流电阻(R1)的一端。同时该限流电路可以串接在恒流电阻(R2)和限压回路之间,还可以串接在限压回路和连接开关(S1)之间,也可以串接在负载和输出极地电位之间。
当输出电流低于预先设定的限流值时,限流电阻上的压降低于0.7V,NPN型晶体管(Q2)处于截止状态,NPN型晶体管(Q1)处于饱和导通状态。电路正常工作,仅仅只在限流电阻(R1)和NPN型晶体管(Q1)上增加了少量损耗。当输出的电流大于预先设定的限流值时,便会在限流电阻上产生高于0.7V的压降,此时NPN型晶体管(Q2)饱和导通,NPN型晶体管(Q1)发射极集电极通道的等效阻值增大,起到限制输出电流的作用,近而有效的保护了负载上短暂的过流现象。
并联限流电路:配置在输出限压回路和负载之间,在一个纵向分支上并联上一个NPN型晶体管(Q3)的集电极发射极通道,NPN型晶体管(Q3)的基极连接到负载负电位上,限流电阻(R2)连接到NPN型晶体管(Q3)的发射极和基极之间。NPN型晶体管(Q3)的集电极发射极通道可以电容后的任意一个纵向分支上。
当输出电流值小于预先设定的阈值电流时,限流电阻(R2)两端的压降小于0.7V,NPN型晶体管(Q3)处于截止状态,电路正常工作;当输出电流值大于预先设定的阈值电流时,限流电阻两端的压降大于0.7V,NPN型晶体管(Q3)集电极发射极通道变为低阻值,使得大部分的电流流过NPN型晶体管(Q3)的集电极发射极通道上,且以热能的形式消耗在NPN型晶体管(Q3)的集电结上,从而有效地保护了负载上短暂的过流现象。
五、LED日光灯电源设计心得
非隔离型降压式电源设计方法概论
非隔离降压型电源是现在普遍使用的电源结构,几乎占了日光灯电源百分之九十以上。很多人都以为非隔离电源只有降压型一种,每每一说到不隔离,就想到降压型,就想到说对灯不安全(指电源损坏)。其实降压型不只是一种,还有两种基本结构,即升压,和升降压,即BOOST AND BUCK-BOOST,后两种电源即使损坏。不会影响到LED的好处。降压式电源也有其好处,它适合用于220,但不适用于110,因为110V本来电压就低,一降就更低了,那样输出的电流大,电压低,效率做不太高。 降压式220V交流,整流滤波后约三百伏,经过降压电路,一般将电压降到直流150V左右,这样即可实现高压小电流输出,效率可以做得较高。一般用MOS 做开关管,做这种规格的电源,我的经验是,可以做到百分之九十那样差不多,再往上也困难。原因很简单,芯片一般自损会有0.5W到1W,而日光灯管电源不过就是10W左右。所以不可能再往上走。现在电源效率这个东西很虚,很多人都是吹,实际根本达不到。
常见有些人说什么3W的电源效率做到百分之八十五了,而且还是隔离型的。告诉大家,即便是跳频模式的,空载功耗最小,也要0.3W,还什么输出3W低压,能到百分之八十五,其实有百分之七十算很好了,反正现在很多人吹牛不打草稿,可以忽悠住外行,不过现在做LED的懂电源的也不多。
我说过,要效率高,首先就要做非隔离的,然后输出规格还要高压小电流,可以省去功率元件的导通损耗,所以象这种LED电源的主要损耗,一就是芯片自有损耗,这个损耗一般有零点几W到一W的样子,还有一个就是开关损耗了,用MOS做开关管可以显著减小这个损耗,用三极管开关损耗就大很多。所以尽量不要用三极管。还有就是做小电源,最好不要太省,不要用RCC,因为RCC电路一般的厂家根本做不好质量,其实现在芯片也便宜,普通的开关电源芯片,集成MOS管的,最多不过两元钱,没必要省那么一点点,RCC只省点材料费,实际上加工返修等费用更高,到头到反而得不偿失的那样。
降压式电源的基本结构就是将电感和负载串入300V高压中,开关管开关的时候,负载即实现了低于300V的电压,具体的电路很多,网上也很多,我也不画图再说了。现在9910,还有一般的市场上的恒流IC基本都是用这种电路来实现的。但这种电路就是开关管击穿的时候,整个LED灯板就玩完,这应该算是最不好的地方了。因为当开关管击穿的时候,整个300V的电压就加在灯板上,本来灯板只能承受一百多伏电压,现在成了三百伏了,这种情况一发生。LED肯定要烧掉。所以很多人说非隔离的不安全,其实就是说降压的,只是因为一般非隔离的绝大多数是降压的,所以认为非隔离的损坏一定要坏 LED。其实另外两种基本的非隔离结构,电源损坏,不会影响LED的。
降压式电源要设计成高压小电流,效率才能高,细说一下,为什么?因为高压小电流,可以让开关管电流的脉宽大一些,这样峰值电流就小一些,还有就是,对电感的损耗也小一些,通过电路结构就可以知道,电路不方便画,具体也难以再叙述下去了。就随便总结一下,降压电源的好处是,适合于220高压输入使用,以使得功率器件承受的电压应力小,适合做大电流输出,比如做100MA电流,比后两种方式来的轻松,效率要高。效率算比较高的,对电感的损耗较小,但对开关管损耗大一些,因为所有经过负载的功率必须要经过开关管传输,但输出的功率,只有一部分经过电感,如300V输入,120V输出的降压型电源,只有 180V的部分要经过电感,120V的部分是直接导通进入负载的,所以说对电感损耗比较小,但输出的功率,全部要经过开关管转化。
分解两种恒流控制方式
下面要说的是,两种恒流控制模式的开关电源,从而产生两种做法。这两种做法,无论是原理,还是器件应用,还是性能差别,相当都较大。
首先说原理。第一种以现在恒流型LED专用IC为代表,主要如9910系列,AMC7150,凡是现在打LED恒流驱动IC的牌子基本都是这种,且叫他恒流IC型的吧。但我认为这种所谓恒流IC做恒流,效果却不怎么好。其控制原理相对来说较简单,就是在电源工作的原边回路,设定一个电流阀值,当原边MOS导通,此时电感的电流是线性上升的,当上升到一定值的时候,达到这个阀值,就关断电流,下一周期再由触发电路触发导通。其实此种恒流应该是一种限流,我们知道,当电感量不同的时候,原边电流的形状是不同的,虽然有相同的峰值,但电流平均值不同。因此,象这种电源一般就是批量生产时,恒流大小的一致性不太好控制。还有就是此种电源有一个特点,一般是输出电流是梯形的,即波动式电流,输出一般是不用电解平滑的,这也是一个问题,如果电流峰值过大,会对LED产生影响。如果电源的输出级没有并电解来平滑电流的那种电源,基本上都属此类。即判断是否是这种控制方式,就看其输出有没有并上电解滤波了。这种恒流我原来一直叫其为假恒流,因为其本质就是一种限流,并不是经过运放比较,而得到的恒流值。
第二种恒流方式,应该可以叫做开关电源式的。这种控制方式和开关电源的恒压控制方式相似。大家都知道用TL431做恒压吧,因为其内部有一个2.5伏的基准,然后用电阻分压方式。当输出电压高一点的时候,或低一点的时候,就产生一个比较电压,经过放大,去控制PWM信号,所以此种控制方式可以很精确的控制电压。这种控制方式,需要一个基准,还需要一只运放,如果基准够准,运放放大倍数够大,那么就定的很准。同样的,做恒流,就是需要一个恒流基准,一个运放,用电阻过流检测,作为信号,然后用这个信号放大,去控制PWM,可惜现在就是不太好找到很准的基准信号,常用的有三极管,这个做基准温漂大,还有就是可以拿二极管约1V的导通值做基准,这样的也可以,可都不高,最好的是用运放加TL431当基准,但电路复杂。但这样做的恒流电源,恒流精确度还是好控制的多。而这种模式控制的恒流,其输出一定得加电解滤波,所以输出电源是平滑直流,不是脉动的,脉动的话就没法取样了。所以要判定是哪种只要看其输出是否有电解就行了。
两种恒流控制模式决定了使用两类不同的器件,一是从而决定了两种电路器件使用不同,性能的不同,成本亦不同。以9910系列为代表的恒流型控制IC 做的LED电源,实际是限流,控制较简单,严格的说起来,其不属于开关电源控制的主流模式,开关电源控制的主流模式是一定要有基准和运放的。但这种IC出来就只能用于LED,很难用于其它的东西,只是因为LED对纹波要求极低。但因为是只用于LED,所以现在价格较高。基本就是使用9910加MOS管制作,输出无电解,一般我看很多人就是用工字电感做功率转换电感的。这种电源,一般厂家的芯片资料上有出图,基本都是降压式。我也不多说了,精于此道的人比我多的多。
二是以我为代表的,即是开关电源控制模式的恒流驱动器。这种,就是以普通的开关电源芯片为核心转换器件,这种芯片很多,如PI的TNY系列,TOP系列,ST的VIPER12,VIPER22,仙童的 FSD200等,甚至只用三极管或是MOS管的RCC等,都可以做。好处是成本低,可靠性也不错。因为普通的开关电源芯片不但价格好,而且都是经过大量使用的经典产品。象这种IC其实一般集成了MOS管,比9910外加MOS方便,但控制方式复杂一些,需要外加恒流控制器件,可以用三极管,或是运放。磁性元件可以用工字电感,亦可用带气隙的高频变压器。
关于此种电源的要求和电路结构的问题
我的看法是,因为电源要内置在灯里,而发热是LED光衰最大的杀手,所以发热一定要小,就是效率一定得高。当然得有高效率的电源。对于T8一米二长的那种灯,最好是不要用一支电源,而是用二支,两端各一只,将热量分散。从而不使热量集中在一个地方。
电源的效率主要取决于电路的结构和所用的器件。先说电路结构,有些人还说要隔离电源,我想绝对是没必要的,因为这种东西本来就是置于灯体内部,人根本摸不到。没必要隔离,因为隔离电源的效率比不隔离效率要低,第二是,最好输出要高电压小电流,这样的电源才能把效率做高。现在普遍用到的是,BUCK电路,即降压式电路。最好是把输出电压做到一百伏以上,电流定在100MA上那样,如驱动一百二十只,最好是三串,每串四十只,电压就是一百三十伏,电流 60MA。
这种电源用的很多,本人只是认为有一点不好,如果开关管失控通咱,LED会玩完。现在LED这么贵。我比较看好升压式电路,此种电路的好处,我反复的说过,一是效率较降压式的高些,二是电源坏了,LED灯不会坏。这样能确保万无一失,如果烧坏一个电源,只是损失几块钱,烧一个LED日光灯,就会赔掉上百元的成本。所以我一直首推还是升压式的电源。
还有就是,升压式电路,很容易把PF值作高,降压式的就麻烦一些。我绝对升压式电路用于LED日光灯的好处还是有压倒性的强于降压式的。只是有一年缺点,就是在220V市电输入情况下,负载范围比较窄,一般只能适用于100至140个一串或两串LED,对于少于此数的,或是夹在中间的,却用起来不方便。不过现在做LED日光灯的,一般60CM长那种都是用100至140,一米二的那种,一般就是用二百到二百六那样,使用起来还是可以的。所以现在LED日光灯一般使用的是不隔离降压电路,还有不隔离升压电路。
我是做开关电源的,原来做过适配器,充电器,铁壳开关电源。后来做LED电源,最初是做些1W,3W的大功率LED驱动器,但后来做的少了。原因很简单,没有市场。我发现大功率LED恒流电源,只要其功率超过5W,基本就没有市场,只能是打样。因为LED太贵。这也算给同行做电源的朋友提个醒,这是我的经验之谈。
不知有多少人失足于大功率LED,大功率LED雷声大,雨点小,害的不少在这一块痛失老本。还是小功率LED市场好一点。不过也不行,现在小功率LED驱动器,被阻容降压电源占去大部分江山。恒流形的开关电源驱动小功率LED,好是好,就是很多人接受不了其成本。
我爱用变压器,因为电感的成本虽然很低,但我觉得其带负载能力不行,再者调节感量也不灵活。所以我觉得比较好的器件选择是,普通的集成MOS的开关电源芯片加高频变压器,从性能,成本上,都是最理想的选择,不需要去用什么恒流IC,那种东西,又不好用,又贵。
可靠性,恒流精度都很好,价格才五元钱,但不少人还是嫌贵,因为他们拿它和一元钱的阻容降压电源去比较,当然这二者根本没法比。我做的开关电源里面,有一个集成MOS的开关电源芯片,还有一个变压器。这二者的成本就是放在那里的,当然性能也是放在那里的。但我相信,最终小功率 LED恒流驱动器会将阻容降压电源淘汰掉。因为消费者会慢慢趋于理性,一个阻容降压电源做出来的灯具,几乎是没有什么实用价值的,只能当个摆设和玩具,如果LED真的进入了通用照明领域,阻容降压电源根本无法胜任。我可以料到将来的情况会是,随着LED性能的提高,价格的降低,电源成本也将会成为LED灯具成本的相当重要的一部分。真正的灯具,阻容降压根本不能胜任。阻容降压电源大行其道,只是一个过渡,最终还是恒流型电源为正宗。
我目前还是看好小功率的LED灯具。小功率LED灯,目前主要是光衰太大,价格也不够理想。但现在用于普通照明还是比大功率有优势。我认为小功率LED灯具进入通用照明领域,和节能灯一较高下,会是五年之内的事。而大功率LED进入通用照明,则肯定是五年以外的事。所以现在我专注于小功率LED的研发和制作。我注意到现在小功率LED应用于通用照明的灯具主要有LED台灯,LED蜂窝灯,还有LED日光灯。尤其是LED日光灯,从07年下半年开始,很多人开始研发,可以说热的不得了。基本上现在找我的人里十个有八个都是做这个的,所以我也做就开始做LED日光灯的电源,做了一段时间,所以在此说一下这种电源的研发和制作的大致方法和原则。以上算是个人所体会到的吧。
最后说一下,区别这两种电源,一个最重要的方法,就是看其输出是否有电解电容作滤波。
关于供电问题不管是做限流型恒流控制的电源,还是运放控制的恒流电源,都要解决供电问题。即开关电源芯片工作 的时候是需要一个相对稳定的直流电压为其芯片供电的,芯片的工作电流从一个MA到几个MA不等。有一种象FSD200,NCP1012,和HV9910,此种芯片是高压自馈电的,用起来是方便,但高压馈电,造成IC热量的上升,因为IC要承受约300V的直流电,只要稍有一点电流,就算一个MA,也有零点三瓦的损坏耗了。一般LED电源不过十瓦左右,损失零点几瓦以下就可以将电源的效率拉下几个点。还有就是典型象QX9910。,用电阻下拉取电,这样,损耗就在电阻上,大约也得损失它零点几瓦吧。还有就是磁耦合,就是用变压器,在主功率线圈上加一个绕组,就象反激电源的辅助绕组一样,这样可以避免损掉这零点几瓦的功率。这也是我为什么不隔离电源还要用变压器的原因之一,就是为了避免损失那零点几瓦的功率,将效率提几个点。
对高PF LED日光灯电源,大电流的LED日光灯电源的看法
个人认为这些做法有很多时候实在是舍本逐末而已。现在先请问一下LED相对于传统灯具的优势在哪,第一,节能,第二长寿,然后是不怕开关,对吧。但是现在使用的高PF的方法,均是使用无源填谷PF电路,由原来的驱动方式,即48串,6并改为,24串12并,这样的话,在220V情况下,效率会降下五个百分点左右,于是LED日光灯电源,发热量更高了,灯珠也会受到一点影响。
还有一个问题,就是,24串12并的做法,会让LED日光灯灯珠的布线变的很难受,不好布线了。我看,最好的方式还是48串一串方式好,主要是效率高,发热小,而且布线容易,不复杂。
更有甚者,现在还有人提出什么24并,12串,这种方式只适合用于隔离电源,不隔离电源根本不适用。更有些不懂电源常识的人觉得自己非隔离电源做到恒流600MA输出就好牛X了,其实他都没有自己仔细的放在灯管里试过,象这种不热爆了才怪。
所以说,现在搞什么低压大电流做LED日光灯电源,实是舍本求末的做法。
关于外形
现在LED日光灯电源,做灯的厂家普遍要求放在灯管内,如放T8灯管内。很少一部分外置。不知道为什么都要这样。其实内置电源又难做,性能也不好。但不知道为什么还有这么多人这样要求。可能都是随风倒吧。外置电源应该说是更科学,更方便才对。但我也不得不随风倒,客户要什么,我就做什么。但做内置电源,有相当难度哦。因为外置的电源,形状基本没有要求,想做多大做多大,想做成什么形状也没关系。内置电源,只能做成两种,一种是用的最多的,就是说放在灯板下面,上面放灯板,下面是电源,这样就要求电源做的很薄,不然装不进。而且这样只能把元件倒下,电源上的线路也只有加长。我认为这样不是个好办法。不过大家普遍喜欢这样搞。我就搞。还有就是用的少一些,放两端的,即放在灯管两头,这样好做些,成本也低些。我也有做过,基本就是这两种内置形状了。

最新评论

扫码打开小程序

扫码安装APP

返回顶部