欢迎您,请 登录 或 注册

当前位置:首页 医疗器械维修 基础 电子 查看内容

开关电源之--小电路、小原理、小经验10条请查收

2017-7-14 15:17 阅读: 193 评论: 0 编辑: ygzx1
[导读]1、整流桥并联在小功率设计中,一般很少用到整流桥的并联,但在某些大功率输出的情况下,不想增添新的器件单个整流桥电流又不满足输入功率要求,就需要用到整流桥的并联了,整流桥的并联不能采用两个整流桥各自整流 ...
1、整流桥并联
在小功率设计中,一般很少用到整流桥的并联,但在某些大功率输出的情况下,不想增添新的器件单个整流桥电流又不满足输入功率要求,就需要用到整流桥的并联了,整流桥的并联不能采用两个整流桥各自整流后直流并联的方式,也就是不能采用图1的方式,因为整流桥没有配对,单纯靠自身的V-I特性,一般是无法均流的,这样就会造成两个整流桥发热不一致。而采用图2的方式,通常认为在一个封装内的两个二极管是非常匹配的,是可以均分电流的,所以采用图2的方式就可以实现整流桥的并联了。
2、浮地驱动
在驱动电路设计中,经常会提到MOS管需要浮地驱动,那么什么是浮地驱动呢?简单的说就是MOS管的S极与控制IC的地不是直接相连的,也就是说不是共地的。以我们常用的BUCK电路为例,如下图:控制IC的地一般是与输入电源的地共地的,而MOS管的S极与输入电源的地之间还有一个二极管,所以控制IC的驱动信号不能直接接到MOS管的栅极,而需要额外的驱动电路或驱动IC,比如变压器隔离驱动或类似IR2110这样的带自举电路的驱动芯片。
当然还有另外的方式,那就是采用别的方式给控制IC供电,然后将控制IC的地连接到MOS管的S端,这样就不是浮地了,控制IC的输出就可以直接驱动MOS管。
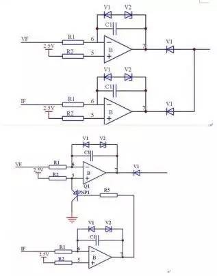
3、滞环比较器
在保护电路中,为了防止保护电路在保护点附近来回震荡,所以一般都增加一定的滞环。
在下图中,1M电阻就起到滞环的作用,如果没有1M电阻,很明显,VF电压达到2.5V运放输出低电平,低于2.5V,运放输出高电平。增加1M电阻后,在运放输出低电平时,6脚电平为0.7+(2.5-0.7)*1000/1010=2.48V。当VF低于6脚电平后,7脚输出高电平(如果运放供电15V,7脚输出可按照14V计算)可以计算此时6脚电平为2.5+(14-2.5)*10/1010=2.61V,如果这是一个输入欠压保护电路,且VF为100:1的取样,则当输入电压高于261V,电路正常工作,当电压低于248V才会欠压保护,这样就增强了保护电路的抗干扰能力。
一般经常用到滞环比较器的地方有:过欠压保护电路、转灯电路等
4、误差放大器输出钳位电路
设计电源中,无论是恒压源还是恒流源,只要是闭环控制,总少不了误差放大器,在进入闭环之前,误差放大器输出电压为最高值,正常来说,误差放大器供电一般在15V左右,则误差放大器的输出在开环的时候为14V左右,随着输入信号的增加,达到稳压(稳流)点后,误差放大器从最高点开始降低直到闭环需要的值,在误差放大器输出降低过程中,时间越常自然输出超调越大电路越不容易进入稳定。
增加一个二极管+稳压管后,可以在一定程度上改善这个问题,如下图所示,如果稳压管是5V的,那么在开环的时候,误差放大器输出被钳位在6V左右,这样当进入闭环的时候,误差放大器输出就不是从14V开始下降而是从6V左右,降低到闭环需要的电压值自然需要的时间就短,电路就越容易进入稳定。
大家可以去看看IC内部的误差放大器输出,无论IC供电电压多少伏,误差放大器输出电压的最大值应该都不会是IC供电电压,而是6V左右吧,不知道是不是也是基于这个原因。
5、双环控制系统的切换
在设计电路中,带有限流功能的恒压源及带有限压功能的恒流源相信大家都不陌生,很多网友在设计电路的时候,有时候会采用下图所示电路,一个稳压环一个稳流环,逐渐增加负载,稳流环输出低电平进入限流,当负载减小退出限流的时候,稳压环需要一个切换时间,那么就出现了两环路都不工作的一个空白区,在这时间内,电路相当于开环,对电路来说,总归不是好事。 但如果第二个电路,就不存在这样的问题,限流的时候,稳流环拉低稳压环的基准,在这个过程中,两个环路都在工作,即使在限流过程中,突然断开负载,由于稳压环一直在工作,所以在很短时间内电路就会进入稳定。而不会出现上述电路的空白区。
6、漏感的测量
在电源变压器设计过程中,相信大家都很清楚变压器的漏感如何测量,很多网友经常在帖子里提到,我的变压器电感1mH漏感600uH,如果你也测量到这种情况,那么最好再确认一下,因为我们知道漏感储存的能量是无法传递到副边的,如果你的变压器参数如上所说,你想想你的变压器的效率会有多少?还有的网友会纳闷,自己绕的变压器明明漏感测试的不大,为什么在应用中会出现那么大的尖峰?因为在实际工作中,不仅仅变压器的漏感在起作用,你的布线电感也在起作用。
正确的测试漏感的方法应该是其余器件先不焊,将变压器首先焊接在PCB上,然后用粗短线将MOS管,输出整流二极管短接,将输出滤波电容短接,从输入滤波电容测量进去得到的是输入的漏感。将输入滤波电容短接,从输出滤波电容测量进入,得到的是输出端的漏感,这样的测试方法考虑了PCB的分布电感,更接近实际的情况。
7、MOS管的驱动
借用一个图,这个图是过欠压、过流保护的电路,分别通过两个光耦控制驱动信号,正常情况下光耦导通,MOS管导通,出现异常后光耦切断,MOS管断开,这个图至少有两个明显的错误,大家看看在哪里。(R6R7为1k,R25R26为10k) 
8、 反馈电路中两个电阻的选择依据
以384X电路为例,常用的光藕隔离反馈电路接法有两种,一种是将2脚接地,光藕4脚接1脚,通过拉低1脚的电平来实现稳压.
有的人觉得这种方式不合理,会采用下图的方式,这种方式也是一样的道理,这里以下图为例说明电阻R5及R6的选择。 
电路中,R7、R8接成比例放大,放大倍数为1,也就是

最新评论