欢迎您,请 登录 或 注册

当前位置:首页 医疗器械维修 基础 电子 查看内容

准谐振、零电流开关DC-DC转换器的结构与原理

2017-7-14 15:17 阅读: 1332 评论: 0 编辑: ygzx1
[导读]为了减小体积和重量,60年代出现了开关频率高于市电工作频率的开关转换器。最初,开关转换器的工作频率在 20 kHz – 30 kHz 之间。70年代以后,随着先进器件(比如高速晶体管)的推广应用,开关频率可达到超过 100 kHz ...
为了减小体积和重量,60年代出现了开关频率高于市电工作频率的开关转换器。最初,开关转换器的工作频率在 20 kHz – 30 kHz 之间。70年代以后,随着先进器件(比如高速晶体管)的推广应用,开关频率可达到超过 100 kHz。但是,随开关频率升高而增大的开关损耗,严重影响开关转换器的性能。为了减小开关损耗,出现了开关频率高达 1 MHz 的准谐振、零电流开关 (ZCS) DC-DC 转换器。每个开关器件均在零电流时导通与关断,这样开关损耗只与导通电流有关而与开关频率无关。在每个开关周期内,转换器都向输出端传输高频能量。
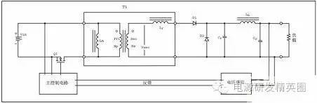
目前,开关转换器通常都封装成高功率密度的砖式模块,如 图1 所示。电源系统设计师在选择 DC-DC转换器模块时,通常只考虑体积、效率和价格,但很少考虑电路结构。由于目前转换器采用的电路结构(基本的电源转换电路)有许多种,所以了解转换器的电路结构,有助于选择适当的转换器。图1 - 高密度 DC-DC 转换器模块,根据输入电压、输出电压和输出功率不同,转换器模块有上千种组合。这里显示的是体积最小的模块;尺寸为 2.28 x 1.45 x 0.5 英寸 (57.9 x 36.8 x 12.7 mm),最大输出功率可达 150 W。本文主要说明准谐振、零电流开关 DC-DC 转换器的电路结构和工作原理。还讨论各种电路结构的不同特点和某些优点。图2 是一个准谐振、零电流开关 DC-DC 转换器的简化电路图。由于单只固体开关导通时,能量由电源传输到负载,所以这种转换器称为单端正激转换器。该转换器为准谐振转换器,开关在零电流处转换,真正消除了开关损耗。但是,它又与谐振转换器不同,电容器 Cr 中贮存的能量不能返回到电感 Lr 中。图2 - 准谐振、零电流开关 DC-DC 转换器简化电路图该转换器主要由以下元器件组成:
    图3 - 采用镜象磁化电流的磁芯复位电路,磁芯可工作于第1和第3象限,磁芯面积得到完全利用。转换器可具有更高的占空比并且可采用较小的复位开关,减少功耗。于最近的电路结构中,转换器功能包含了宽微调范围以及容错架构。这些转换器可以利用固定电阻,电位器或 DAC 电压来编程输出电压从正常电压的 10% 至 110%。例如,12 Vdc 输出可微调至超过 1.2 Vdc 至 13.2 Vdc 的范围。这些转换器同样有 N+M 专利的容错架构。并联阵列内其中一个模块会自动控制起动,其它模块会与它同步工作。阵列内的模块在输入那边的母线以高速的脉冲来通信。如果主导模块失效,另一个模块会自动被选为主导,系统仍然继续工作,不受影响。


最新评论

扫码打开小程序

扫码安装APP

返回顶部