欢迎您,请 登录 或 注册

当前位置:首页 医疗器械维修 基础 电子 查看内容

开关电源基于补偿原理的无源共模干扰抑制技术

2017-7-14 15:14 阅读: 225 评论: 0 编辑: ygzx1
[导读]由于MOSFET及IGBT和软开关技术在电力电子电路中的广泛应用,使得功率变换器的开关频率越来越高,结构更加紧凑,但亦带来许多问题,如寄生元件产生的影响加剧,电磁辐射加剧等,所以EMI问题是目前电力电子界关注的主 ...
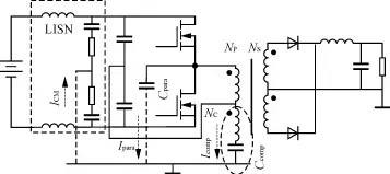
由于MOSFET及IGBT和软开关技术在电力电子电路中的广泛应用,使得功率变换器的开关频率越来越高,结构更加紧凑,但亦带来许多问题,如寄生元件产生的影响加剧,电磁辐射加剧等,所以EMI问题是目前电力电子界关注的主要问题之一。 传导是电力电子装置中干扰传播的重要途径。差模干扰和共模干扰是主要的传导干扰形态。多数情况下,功率变换器的传导干扰以共模干扰为主。本文介绍了一种基于补偿原理的无源共模干扰抑制技术,并成功地应用于多种功率变换器拓扑中。理论和实验结果都证明了,它能有效地减小电路中的高频传导共模干扰。这一方案的优越性在于,它无需额外的控制电路和辅助电源,不依赖于电源变换器其他部分的运行情况,结构简单、紧凑。 1 补偿原理 共模噪声与差模噪声产生的内部机制有所不同:差模噪声主要由开关变换器的脉动电流引起;共模噪声则主要由较高的d/d与杂散参数间相互作用而产生的高频振荡引起。如图1所示。共模电流包含连线到接地面的位移电流,同时,由于开关器件端子上的d/d是最大的,所以开关器件与散热片之间的杂散电容也将产生共模电流。图2给出了这种新型共模噪声抑制电路所依据的本质概念。开关器件的d/d通过外壳和散热片之间的寄生电容对地形成噪声电流。抑制电路通过检测器件的d/d,并把它反相,然后加到一个补偿电容上面,从而形成补偿电流对噪声电流的抵消。即补偿电流与噪声电流等幅但相位相差180°,并且也流入接地层。根据基尔霍夫电流定律,这两股电流在接地点汇流为零,于是50Ω的阻抗平衡网络(LISN)电阻(接测量接收机的BNC端口)上的共模噪声电压被大大减弱了。   图1 CM及DM噪声电流的耦合路径示意图   图2 提出的共模噪声消除方法 2 基于补偿原理的共模干扰抑制技术在开关电源中的应用 本文以单端反激电路为例,介绍基于补偿原理的共模干扰抑制技术在功率变换器中的应用。图3给出了典型单端反激变换器的拓扑结构,并加入了新的共模噪声抑制电路。如图3所示,从开关器件过来的d/d所导致的寄生电流para注入接地层,附加抑制电路产生的反相噪声补偿电流comp也同时注入接地层。理想的状况就是这两股电流相加为零,从而大大减少了流向LISN电阻的共模电流。利用现有电路中的电源变压器磁芯,在原绕组结构上再增加一个附加绕组NC。由于该绕组只需流过由补偿电容comp产生的反向噪声电流,所以它的线径相对原副方的P及S绕组显得很小(由实际装置的设计考虑决定)。附加电路中的补偿电容comp主要是用来产生和由寄生电容para引起的寄生噪声电流反相的补偿电流。comp的大小由para和绕组匝比P∶C决定。如果P∶C=1,则comp的电容值取得和para相当;若P∶C≠1,则comp的取值要满足comp=para·d/d。   图3 带无源共模抑制电路的隔离型反激变换器 此外,还可以通过改造诸如Buck,Half-bridge等DC/DC变换器中的电感或变压器,从而形成无源补偿电路,实现噪声的抑制,如图4,图5所示。   图4 带有无源共模抑制电路的半桥隔离式DC/DC变换器   图5 带有无源共模抑制电路的Buck变换器 3 实验及结果 实验采用了一台5kW/50Hz艇用逆变器的单端反激辅助电源作为实验平台。交流调压器的输出经过LISN送入整流桥,整流后的直流输出作为反激电路的输入。多点测得开关管集电极对实验地(机壳)的寄生电容大约为80pF,鉴于实验室现有的电容元件,取用了一个100pF,耐压1kV的瓷片电容作为补偿电容。一接地铝板作为实验桌面,LISN及待测反激电源的外壳均良好接地。图6是补偿绕组电压和原方绕组电压波形。补偿绕组精确的反相重现了原方绕组的波形。图7是流过补偿电容的电流和开关管散热器对地寄生电流的波形。从图7可以看出,补偿电流和寄生电流波形相位相差180°,在一些波形尖刺方面也较好地吻合。但是,由于开关管的金属外壳为集电极且与散热器相通,散热器形状的不规则导致了开关管寄生电容测量的不确定性。由图7可见,补偿电流的幅值大于实际寄生电流,说明补偿电容的取值与寄生电容的逼近程度不够好,取值略偏大。图8给出了补偿电路加入前后,流入LISN接地线的共模电流波形比较。经过共模抑制电路的电流平衡后,共模电流的尖峰得到了很好的抑制,实验数据表明,最大的抑制量大约有14mA左右。    图6 补偿绕组电压和原方绕组电压波形   图7 补偿电容电流和对地寄生电流波形   图8 补偿前后流入LISN地的 共模电流波形(电流卡钳系数:100mV/A) 图9是用Agilent E4402B频谱分析仪测得的共模电流的频谱波形。可见100kHz到2MHz的频率范围内的CM噪声得到了较好的抑制。但是,在3MHz左右出现了一个幅值突起,之后的高频段也未见明显的衰减,这说明在高频条件下,电路的分布参数成了噪声耦合主要的影响因素,补偿电路带来的高频振荡也部分增加了共模EMI噪声的高频成份。但从滤波器设计的角度来看,这并不太多影响由于降低了低次谐波噪声而节省的设备开支。若是能较精确地调节补偿电容,使其尽可能接近寄生电容Cpara的值,那么抑制的效果会在此基础上有所改善。   图9 补偿前后流入LISN地的CM电流频谱比较 4 此技术的局限性 图10中的(a),(b),(c),(d)给出了噪声抑制电路无法起到正常效用时的电压、电流的波形仿真情况。这里主要包含了两种情况: 第一种情况是在输入电容的等效串联电感()上遇到的。电感在整个电路中充当了限制电流变化率d/d的角色,很显然LISN中大电感量的串联电感限制了变换器电源作为电流源提供的能力。因此,这些脉动电流所需的能量必须靠输入电容来供给,但是输入电容自身的也限制了它们作为电流源的能力。愈大,则输入端电容提供给补偿变压器所需高频电流的能力愈受限制。当为100nH时,补偿电路几乎失效。图10(a)中虽说补偿电压与寄生CM电压波形非常近似,但是图10(b)中却很明显看出流过补偿电容comp的电流被限制了。 另外一种严重的情况是补偿变压器的漏感。当把变压器漏感从原来磁化电感的0.1%增大到10%的时候,补偿电路也开始失效,如图10(c)及图10(d)所示。补偿绕组电压波形由于漏感和磁化电感的缘故发生分叉。如果漏感相对于磁化电感来说很小的话,这个波形畸变可以忽略,但实际补偿电容上呈现的d/d波形已经恶化,以至于补偿电路无法有效发挥抑制作用。 (a) 输入电容值较大时的CM电压   (b) 输入电容值较大时的CM电流   (c) 漏感值较大时的CM电压   (d) 漏感值较大时的CM电流 图10 噪声电路失效仿真电压、电流波形 为了解决和变压器漏感这两个严重的限制因素,可以采取以下措施:对于输入电容的,要尽量降低至可以接受的程度,通过并联低值的电容来改善;密绕原方绕组和补偿绕组可以有效降低漏感。 5 结语 由以上的实验和分析可以看到,应用到传统电源变换器拓扑结构中的这种无源CM噪声抑制电路是有一定作用的。由于用来补偿的附加绕组只须加到现有的变压器结构中,所以,隔离式的拓扑结构对于采用这种无源补偿消除电路来说可能是最简易、经济的电路结构。

最新评论

扫码打开小程序

扫码安装APP

返回顶部