欢迎您,请 登录 或 注册

当前位置:首页 医疗器械维修 基础 电子 查看内容

正激电路拓补结构研究

2017-7-14 15:14 阅读: 996 评论: 0 编辑: ygzx1
[导读]1. 引 言在各种间接直流变流电路中,正激DC/DC变换器具有电路拓补结构简单,输入输出电气隔离,电压升、降范围宽,易于多路输出等优点,因此被广泛应用于中小功率电源变换场合,尤其在供电电源要求低电压大电流的通 ...

1. 引 言

在各种间接直流变流电路中,正激DC/DC变换器具有电路拓补结构简单,输入输出电气隔离,电压升、降范围宽,易于多路输出等优点,因此被广泛应用于中小功率电源变换场合,尤其在供电电源要求低电压大电流的通讯和计算机系统中,正激电路更能显示其优势。但是在开关关断期间,高频变压器必须磁芯复位,以防变压器铁心饱和,因此必须采用专门的磁复位电路。正是由于磁复位技术的多样性,以及软开关技术的发展,导致正激电路拓补结构的多样性。随着电力电子技术的发展,各种新的正激电路拓补结构不断出现,不同的拓补结构已有二十余种。本文详细阐述了正激电路拓补结构的分类,结构比较,和应用场合,并且分析了软开关技术在正激电路中的应用。

2. 基本电路结构

典型的单开关正激电路如图1所示。  电路的简单工作过程为:开关管S开通后,变压器原边电压上正下负,根据同名端,负边电压也为上正下负,因此二极管D1导通,D2截止,电感电流逐渐增长;S关断后,二极管D2导通,D1截止,电感电流通过D2续流。变压器的励磁电流通过磁复位电路降为零,防止磁芯饱和。
图1 正激电路的原理图

3. 各种拓补结构的分类及比较

正激电路拓补结构多种多样,大致可以这样分类:根据驱动管子个数,可分为单管正激,双管正激;根据磁芯复位技术的不同,可分为辅助磁通绕组复位,LCD缓冲网络复位,RCD箝位复位,有源箝位复位;根据拓补结构的形式不同,可分为单个变换器和串、并组合变换器。3.1单管正激与双管正激  单管正激如图1所示。双管正激有两个开关管,其基本结构就比单管正激多一个开关管,原理图如图2所示。
图2 双管正激电路原理图  单管正激在S关断后,开关管承受的电压高于电源电压,双管正激由于有两个开关管,每个开关管承受的关断电压只有单管的一半,因此电压应力大大减小。双管正激电路有很多有点:主管的电压应力小,电路简单,控制方便,电路的动态性能好,可靠性高,不存在桥臂直通,拓宽了电路的功率等级。但是与单管正激相比双管正激因为有两个管子,需要两套驱动装置,因此它的这些有点是以电路复杂性为代价的。3.2 磁芯复位电路  目前,正激电路磁芯复位技术主要有:辅助磁通绕组复位,LCD箝位复位,RCD箝位复位,有源箝位复位。  辅助磁通绕组复位是一种传统的磁芯复位方法,电路原理图如图3所示,它增加了一个附加线圈,在开关管关断的时候,磁化能量通过辅助磁通绕组回馈到电源,磁化能量无损。但是变压器需要增加一附加线圈,绕制难度加大,同时体积也增大,而且,开关关断后,变压器的漏感将导致大的关断尖峰电压,需要附加抑止尖峰电压电路。占空比不能超过0.5,不适合大功率输出场合。
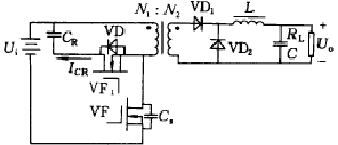
图3 辅助磁通绕组复位电路  RCD箝位复位电路原理图如图4所示。开关管关断后,磁化能量一部分转移到开关管并联电容Cs中,一部分消耗在箝位电阻R上。与辅助磁通绕组复位相比,RCD箝位复位电路结构简单,开关管关断电压箝位在Uc+Uin,不会出现尖峰电压,且占空比可以大于0.5,输入电压范围可以很宽。它的缺点是大部分磁化能量消耗在箝位电阻R中,因此适合于廉价、效率要求不太高的功率变换场合。
图4 RCD箝位复位电路  LCD缓冲网络复位电路原理图如图5所示。开关管关断后,磁化能量存储在箝位电容Cc中,开关管关断电压箝位在2Uin,Lc中能量无损地回馈到电源。LCD箝位复位电路结构简单,开关管关断电压箝位固定,避免了尖峰电压;而且不存在耗能元件,属于无损复位,提高了电路变换效率;而且电路地可靠性高,通过选取适合地箝位电路元件值,可以保证电路工作在较宽地负载范围内,且箝位电容Cc的电压值、电感Lc的电流峰值不改变。占空比最大为0.5,输入电压范围受限,因此适合于中等功率高效变换场合。
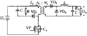
图5 LCD缓冲网络复位电路  有源箝位复位电路原理图如图6所示。辅助开关VF1用来提供变压器磁化能量的回馈路径。主开关VF关断后,部分磁化能量转移到Cs中,致使VD开通,然后在VF1上加开通信号,实现零电压开通,磁化电流一直下降到负向;VF1关断后,磁化电感与Cs谐振,能量一部分回馈到电源,一部分转移在磁化电感中;然后开通VF,开始新的周期。有源钳位正激变换器具有如下特点:①变压器磁化能量和漏感能量可重复利用;②开关管承受的电压低;③开关管易实现零电压开通,损耗小;④占空比d可大于 0.5,适合于宽输入电压场合;⑤变压器铁心工作在一、三象限双向对称磁化,铁心利用率高,铜损小。不足之处是它多用一个钳位开关,增加了驱动电路难度和变换器成本。
图6 有源箝位复位电路3.3 组合变换电路  单个变换器有时候不能满足输出高电压、大电流、大功率的应用场合,这时就需要用到组合变换器,组合变换电路是在单个变换器的基础上进行串连、并联、串-并联组合而成的。它可以在单管正激变换器的基础上组合,也可以在双管正激变换器的基础上组合,因此其拓补结构非常丰富。

4. 软开关技术在正激电路中的应用

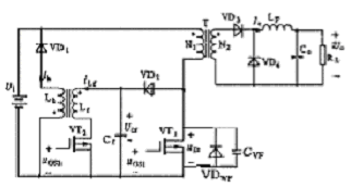
传统的正激电路工作在硬开关,当输入电压和开关频率增大时,开关器件的损耗也越来越大。为了提高电路变换的整体效率,有必要使用软开关技术,降低开关损耗,同时减少电磁干扰(EMI)。图7为典型的ZVT-PWM变换器。它是在普通变换器的基础上,配以电感、电容和辅助开关管组成的,使主开关与谐振电容并联,利用电感和电容的谐振实现软开关。其主开关实现了零电压通断,辅助开关为零电流开通、零电压关断。
图7 典型的ZVT-PWM变换器  软开关的实现减少了功率开关器件的开关损耗和电磁噪声,使变换器得以高频高效运行;同时也减小了开关管的电压应力和电流应力。  目前正激变换器也趋向于使用软开关技术,但是开关器件的开通和关断并没有完全实现软开关,主开关和辅助开关没有同时实现软开关,或者其零电压开通和关断很大程度上依赖于电路参数和负载特性。

5. 结论

本文介绍了几种正激电路的分类方法,对他们的结构特点进行了比较。单管正激电路结构简单,但是承受的电压应力大,双管正激电路复杂,每个管子承受电压只有单管的一半,因此应用的功率等级范围大。在磁芯复位方法上,辅助磁通绕组复位电路复杂; RCD箝位复位电路简单,输入电压范围大,但是损耗大,变换效率低;LCD缓冲网络复位电路简单,变换效率高,但输入电压受限;有源箝位复位,开关管承受应力不大,磁芯利用效率高,电压输入范围也宽,且可以实现软开关,损耗低,但是多一个功率管,增加了驱动和控制电路的复杂性。组合变换电路是在单管或者双管单个变换电路的基础上,组合而成的,多用于高电压、大电流、大功率需求场合。软开关变换器,开关管实现了软开关,且能够保持恒频运行,不可能同时存在高电压和大电流,开关所受的应力和损耗最小,且开关噪声低,是正激电路研究的方向,有很大的应用前景,尤其在高压高频场合更能发挥其优势。

6. 预期的研究方向

目前,正激电路拓补结构的研究比较成熟,各种电路拓补结构似乎也很完备,因此它的一个发展方向就是顺应集成电路的发展,向少元件、少损耗、少EMI、小型化、轻型化的方向发展;另外,研制满足微电子系统的低电压、大电流要求的变换器,以及运用组合变换方式,研制满足高电压、大电流应用场合的高效、高可靠性变换器也是一个发展方向。

  上一篇:基于开关电源的EMC设计
  下一篇:电源的拓扑结构

最新评论

扫码打开小程序

扫码安装APP

返回顶部