欢迎您,请 登录 或 注册

当前位置:首页 医疗器械维修 基础 电子 查看内容

反激式电源中MOSFET的钳位电路

2017-7-14 15:12 阅读: 1761 评论: 0 编辑: ygzx1
[导读]输出功率100W以下的AC/DC电源通常都采用反激式拓扑结构。这种电源成本较低,使用一个控制器就能提供多路输出跟踪,因此受到设计师们的青睐,且已成为元件数少的AC/DC转换器的标准设计结构。不过,反激式电源的一个缺 ...
输出功率100W以下的AC/DC电源通常都采用反激式拓扑结构。这种电源成本较低,使用一个控制器就能提供多路输出跟踪,因此受到设计师们的青睐,且已成为元件数少的AC/DC转换器的标准设计结构。不过,反激式电源的一个缺点是会对初级开关元件产生高应力。反激式拓扑结构的工作原理,是在电源导通期间将能量储存在变压器中,在关断期间再将这些能量传递到输出。反激式变压器由一个磁芯上的两个或多个耦合绕组构成,激磁能量在被传递到次级之前,一直储存在磁芯的串联气隙间。实际上,绕组之间的耦合从不会达到完美匹配,并且不是所有的能量都通过该气隙进行传递。少量的能源储存在绕组内和绕组之间,这部分能量被称为变压器漏感。开关断开后,漏感能量不会传递到次级,而是在变压器初级绕组和开关之间产生高压尖峰。此外,还会在断开的开关和初级绕组的等效电容与变压器的漏感之间,产生高频振铃(图1)。
图1:漏感产生的漏极节点开关瞬态
如果该尖峰的峰值电压超过开关元件(通常为功率MOSFET)的击穿电压,就会导致破坏性故障。此外,漏极节点的高幅振铃还会产生大量EMI。对于输出功率在约2W以上的电源来说,可以使用钳位电路来安全耗散漏感能量,达到控制MOSFET电压尖峰的目的。
1 钳位的工作原理钳位电路用于将MOSFET上的最大电压控制到特定值,一旦MOSFET电压达到阈值,所有额外的漏感能量都会转移到钳位电路,或者先储存起来慢慢耗散,或者重新送回主电路。钳位的一个缺点是它会耗散功率并降低效率,因此,有许多不同类型的钳位电路可供选择(图2)。有多种钳位使用齐纳二极管来降低功耗,但它们会在齐纳二极管快速导通时增加EMI的产生量。RCD钳位能够很好地平衡效率、EMI产生量和成本,因此最为常用。
图2:不同类型的钳位电路
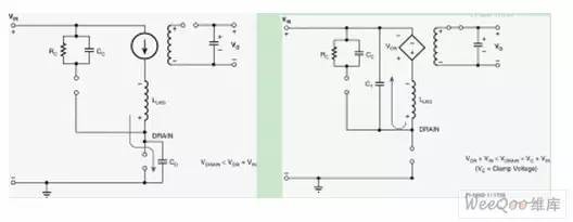
2 钳位RCD钳位的工作原理为:MOSFET关断后,次级二极管立即保持反向偏置,励磁电流对漏极电容充电(图3a)。当初级绕组电压达到由变压器匝数所定义的反射输出电压(VOR)时,次级二极管关断,励磁能量传递到次级。漏感能量继续对变压器和漏极电容充电,直到初级绕组电压等于箝位电容电压(图3b)。
图3:RCD钳位电路的初级侧钳位
3 Vc=钳位电压此时,阻断二极管导通,漏感能量被转移到钳位电容(图4a)。经由电容吸收的充电电流将漏极节点峰值电压钳位到VIN(MAX)+VC(MAX)。漏感能量完全转移后,阻断二极管关断,钳位电容放电到钳位电阻,直到下一个周期开始(图4b)。通常会添加一个小电阻与阻断二极管串联,以衰减在充电周期结束时变压器电感和钳位电容之间产生的任何振荡。这一完整周期会在钳位电路中造成电压纹波(称为VDELTA),纹波幅度通过调节并联电容和电阻的大小来控制(图5)。
图4:RCD钳位的工作原理
4 钳位电阻消耗漏感能量RCDZ钳位与RCD钳位的工作原理相同,不同点在于它通过齐纳二极管与电阻串联来分担耗散(图2)。齐纳二极管可防止电容放电至齐纳二极管阻断电压以下,这样可限制功率耗散并提升效率,特别是在轻载时非常有用。ZD钳位对由齐纳二极管的阻断电压指定的MOSFET电压提供硬钳位。RCD+Z钳位与RCD钳位的工作方式相同,所添加的齐纳二极管对瞬态条件下的MOSFET电压提供硬钳位,并且前者在正常工作条件下的EMI生成特性,也与RCD钳位相同。
图5:RCD钳位电压的基准测量
钳位设计必须同时考虑变压器和MOSFET的特性。如果最低钳位电压低于变压器的VOR,钳位将充当一个负载,耗散的不仅仅是漏感能量。如果钳位元件过小,它们可能变得过热,无法预防危险的电压,并会产生不必要的EMI。最为重要的是,钳位必须对各种电源输入电压、负载电流和元件容差条件下的MOSFET提供保护。POWER Integrations公司发布的《确定钳位大小的设计指南》(PI-DG-101),对反激式电源所用到的四种主要钳位电路分别提供了确定元件大小的详细步骤。该设计指南可与PI Expert设计软件配合使用。PI Expert是一款交互式程序,它可以根据设计师的电源规格自动确定关键元件(包括变压器规格),从而完成一个有效的开关电源的设计。PI Expert可自动生成钳位设计,但其结果将比《确定钳位大小的设计指南》中的以下算法所生成的稍为保守些。5 确定RCD钳位的大小这里介绍了设计RCD钳位时需要遵循的步骤摘要。完整的细节内容,请参阅《确定钳位大小的设计指南》。下面所提到的所有值,均非由用户测量或定义,可在PI Expert的设计结果选项卡中找到。1.测量变压器的初级漏感LL。2.检查您的设计的开关频率fs。3.确定正确的初级电流IP,方法如下:如果设计采用功率限制设定,则IP=ILIMITEXT;如果设计采用外部流限设定,则IP=ILIMITEXT;对于所有其他设计,IP=IILIMITMAX。4.确定初级MOSFET所允许的总电压,并根据以下公式计算Vmaxclamp。
建议至少应维持低于MOSFET的BVDSS 50V的电压裕量,并另外留出30V到50V的电压裕量,以满足瞬态电压要求。5.确定钳位电路的电压纹波VDELTA。6.根据以下公式计算钳位电路的最小电压。
7.根据以下公式计算钳位电路的平均电压Vclamp。
8.根据以下公式计算漏感中储存的能量。
9.根据以下公式估算钳位中的能量耗散Eclamp。
10.根据以下公式计算钳位电阻值。
11.钳位电阻的功率额定值应大于
12.根据以下公式计算钳位电容值。
13.钳位电容的电压额定值应大于1.5*Vmaxclamp。14.应使用快速或超快恢复二极管,将其用作钳位电路中的阻断二极管。15.阻断二极管的峰值反向电压应大于1.5*Vmaxclamp。16.阻断二极管的正向反复峰值电流额定值应大于IP;如果数据手册中未提供该参数,则平均正向电流额定值应大于:0.5*IP。17.根据以下公式确定阻尼电阻的大小(如使用)。
18.阻尼电阻的功率额定值应大于
完成初始设计后,应制作一个原型来检验电源性能,因为变压器漏感会因绕组技术的不同而有极大差异。特别是,应当测量平均电压Vclamp,并将之与步骤7中的计算结果进行比较(图5)。如有任何差异,可通过调整Rclamp值来纠正。如果测试结果与预期相差悬殊,则必须重新进行设计。其他钳位类型及其每个额外元件大小的确定步骤都是一样的。在选择二极管和齐纳稳压管时必须特别注意,以确保不会超过它们的功率额定值。在要求使用齐纳稳压功能的大部分设计中,应使用瞬态电压抑制器来提供所需的瞬时峰值额定功率。应在电源满载及最低输入电压条件下测量元件体的温度,检验其功率额定值是否正确。如有元件的工作温度超出制造商的建议温度限值,应重新调整其大小,并根据原型结果仔细设计。

最新评论

扫码打开小程序

扫码安装APP

返回顶部