欢迎您,请 登录 或 注册

当前位置:首页 医疗器械维修 基础 电子 查看内容

MOS管驱动基础和时间功耗计算

2017-7-14 12:35 阅读: 223 评论: 0 编辑: ygzx1
[导读]我们先来看看MOS关模型:Cgs:由源极和沟道区域重叠的电极形成的,其电容值是由实际区域的大小和在不同工作条件下保持恒定。Cgd:是两个不同作用的结果。第一JFET区域和门电极的重叠,第二是耗尽区电容(非线性)。 ...
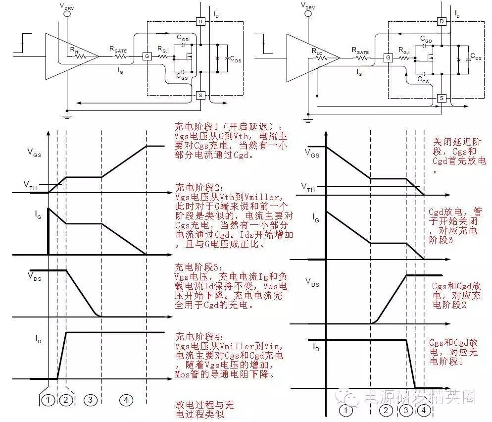
我们先来看看MOS关模型: Cgs:由源极和沟道区域重叠的电极形成的,其电容值是由实际区域的大小和在不同工作条件下保持恒定。Cgd:是两个不同作用的结果。第一JFET区域和门电极的重叠,第二是耗尽区电容(非线性)。等效的Cgd电容是一个Vds电压的函数。Cds:也是非线性的电容,它是体二极管的结电容,也是和电压相关的。这些电容都是由Spec上面的Crss,Ciss和Coss决定的。由于Cgd同时在输入和输出,因此等效值由于 Vds电压要比原来大很多,这个称为米勒效应。由于SPEC上面的值按照特定的条件下测试得到的,我们在实际应用的时候需要修改Cgd的值。 开启和关断的过程分析: 
功耗的计算:MOSFET 驱动器的功耗包含三部分:1. 由于MOSFET栅极电容充电和放电产生的功耗。与MOSFET栅极电容充电和放电有关。这部分功耗通常是最高的,特别在很低的开关频率时。2. 由于MOSFET 驱动器吸收静态电流而产生的功耗。高电平时和低电平时的静态功耗。3. MOSFET 驱动器交越导通(穿通)电流产生的功耗。由于MOSFET 驱动器交越导通而产生的功耗,通常这也被称为穿通。这是由于输出驱动级的P沟道和N 沟道场效应管(FET)在其导通和截止状态之间切换时同时导通而引起的。

最新评论

扫码打开小程序

扫码安装APP

返回顶部