欢迎您,请 登录 或 注册

当前位置:首页 医疗器械维修 基础 电子 查看内容

tl494中文资料

2017-7-14 12:35 阅读: 1202 评论: 0 编辑: ygzx1
[导读]tl494中文资料电源模块tl494中文资料一、tl494是一个固定PWM频率的脉冲宽度调制电路,内置了线性锯齿波振荡器,振荡频率可以通过外部的一个电阻和一个电容进行调节。 有SO-16和PDIP-16两种封装形式,能更好的适应不 ...
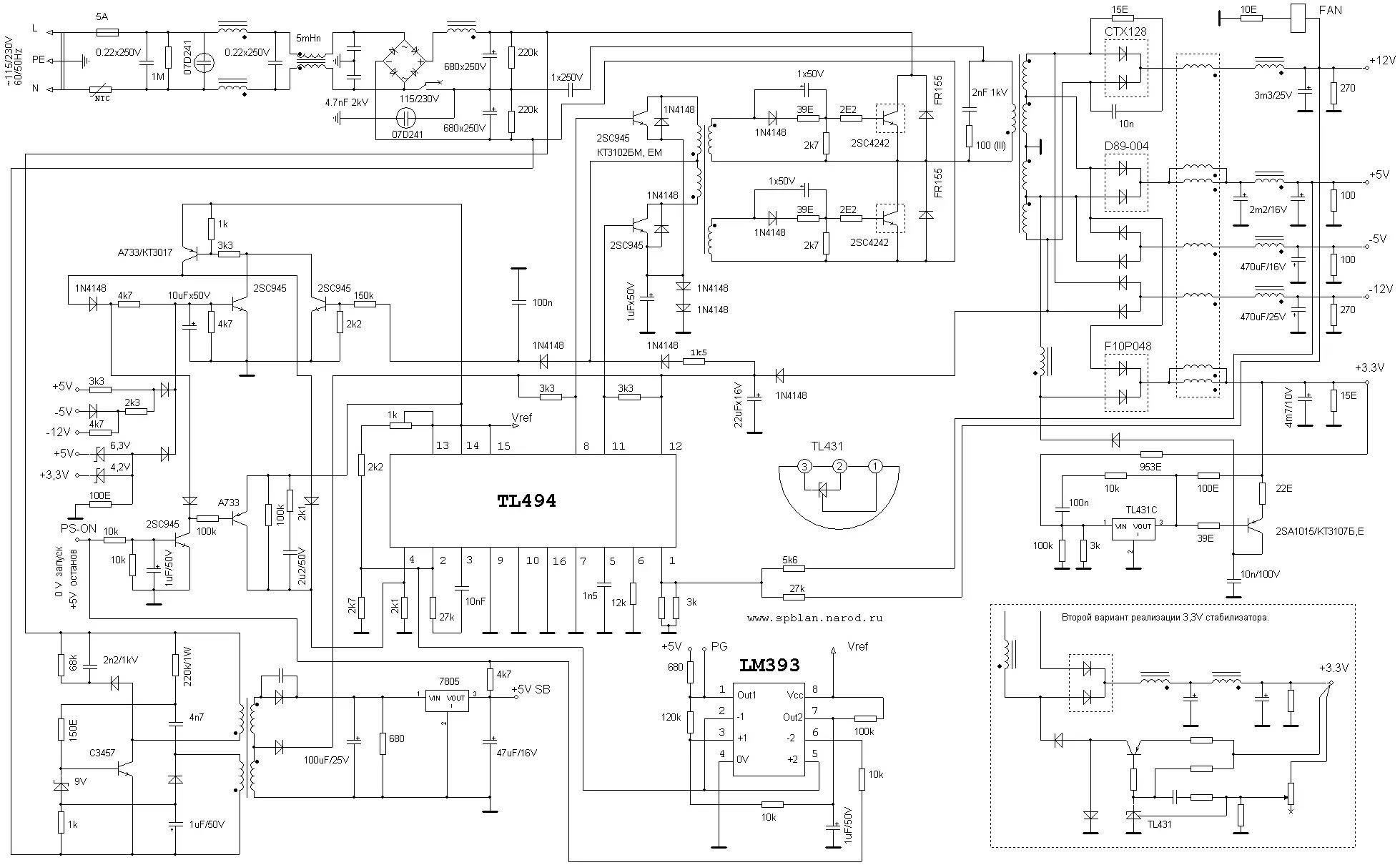
tl494中文资料电源模块tl494中文资料一、tl494是一个固定PWM频率的脉冲宽度调制电路,内置了线性锯齿波振荡器,振荡频率可以通过外部的一个电阻和一个电容进行调节。 有SO-16和PDIP-16两种封装形式,能更好的适应不同场合的要求,tl494被广泛应用于单端正激双管式、半桥式、全桥式开关电源。二、tl494的主要特征:1、tl494集成了全部的脉宽调制电路;2、片内置线性锯齿波振荡器,外置振荡元件仅一个电阻和一个电容;3、内置5V参考基准电压源;4、内置误差放大器;5、tl494可调整死区时间。6、tl494内置功率晶体管可提供500mA的驱动能力;7、tl494有推或拉两种输出方式;
三、TL494的参数在上图所示的脚5与脚6连接两个外部元件RT与CT,既可获得所需之频率。四、TL494引脚功能及数据

最新评论

扫码打开小程序

扫码安装APP

返回顶部