欢迎您,请 登录 或 注册

当前位置:首页 医疗器械维修 基础 电子 查看内容

解析多路LED驱动电源技术关键技术

2017-7-14 12:35 阅读: 170 评论: 0 编辑: ygzx1
[导读]LED 灯作为一种新型节能和无污染光源,由于其特有的发光照明特性,在现代照明应用中发挥着革命性的作用。作为LED 照明产业链中最为核心的部件之一,LED 驱动电源的驱动控制技术所存在的可靠性低、成本高等典型问题一 ...
LED 灯作为一种新型节能和无污染光源,由于其特有的发光照明特性,在现代照明应用中发挥着革命性的作用。作为LED 照明产业链中最为核心的部件之一,LED 驱动电源的驱动控制技术所存在的可靠性低、成本高等典型问题一直制约着LED 照明的发展。对于多路LED 驱动电源技术的开发与可靠性研究是当前业界的一个重要课题。
1、LED 驱动现状分析
国内外通用LED 照明的一个显著特点是,光源通常由数量较大的多颗LED 芯片构成,LED自身的特性决定了LED适合恒流驱动,这一点已得到国内外专家学者的共识。LED驱动方式主要是单路恒压输出(光源内置恒流源)、单路恒流输出、单路恒压源配置多路DC/ DC 恒流输出等方案。
1.1 单输出恒流驱动
将LED光源作为单组负载由单输出电源进行驱动是最简单的LED驱动控制方式。构成LED 光源的多颗LED 有多种连接方式。下图1所示的是所有的LED负载串联的连接方式,单输出电源为恒流源特性驱动LED 灯。由于光源串联,因此不存在均流问题,但当LED串联数量较大时,光源电压将增高,过高的光源电压要求灯具整体符合安全标准的绝缘成本增高,灯具散热器和绝缘要求越高,热阻也越大,散热效果变差对LED 灯寿命会产生影响。
作为改进,如下图2所示的LED灯为网格状排列结构,这种结构可避免光源的电压过高,当并联LED数量较大时,单颗灯开路,对整个LED灯的影响较小,但这种单颗LED直接并联的方式,LED的电流均衡性差,造成LED光源可靠性降低;同时其中一个LED 短路,与之并联的LED 都将熄灭。
如下图3 所示的结构,LED串联后再相互并联,在没有LED失效的情况下,该结构均流特性好于图2所示的网格状结构,但如果部分LED发生短路故障时,会造成多串LED 间严重的电流不均衡。
以上分析可见,单输出恒流驱动,应用中有一定的局限性,尤其是LED 光源并联的联接方式对光源的使用寿命和可靠性将产生较大影响。
1.2 多输出恒流驱动
如下图4 所示的电路结构,每组LED 负载由独立恒流源特性的驱动控制方式是一种较理想的方案,这一方面解决了多路输出间的电流不均衡问题,另一方面也克服了前述单输出恒流驱动的缺点,但该方案的驱动效率相对较低。
目前较普遍采用的LED 多路驱动方案如下图5所示,在单输出恒压源的输出端口,配置若干级非隔离DC/ DC 变换器,每路LED负载由单独的DC/DC变换器实现恒流驱动控制。该方案存在的缺点是,DC/ DC 变换器电路较为复杂,成本相对偏高,可靠性偏低;每增加一级DC/ DC 变换器,驱动效率相应降低,且易伴生电磁干扰(EMI);不同类型光源的每路LED 负载的电压、电流及功率存在差异,通用DC/ DC 变换器的设计很难标准化,给产业化带来很大不便。
2、新型多路LED 驱动电源关键技术研究
研究认为,LED 在利用电容实现多路恒流驱动的情况下,同时参与电路谐振,改变变换器特性,更容易实现LED 整体的稳定性和可靠性,同时在成本上可以得到大幅度的降低。提出三种新技术方案:
2.1 两级变换实现LED 多路驱动
如下图6 所示主电路采用了两级变换实现对LED的多路驱动,电路包含高频脉冲交流源、阻抗网络Z1 和高频变压器T0、高频谐振电容Cb1、双路整流滤波电路和LED 负载。阻抗网络Z1 的输入为高频脉冲交流源,输出接高频变压器T0原边,变压器副边的一端串联谐振电容Cb1,另一端并联两路整流滤波电路;二极管D1、D4 和二极管D2、D3 分别组成的两个独立的半波整流电路,以及滤波电容Co1、Co2 相应组成两路整流滤波电路;滤波电容Co1 和Co2 分别并联在两路LED 负载两端,两路独立的半波整流电路分别给两路LED 负载提供电源。谐振电容Cb1 一方面与阻抗网络Z1 组成了高频谐振网络,参与主电路谐振,另一方面,当两路LED 负载出现压降不平衡时,还可通过Cb1 来平衡两路LED 的压差,使两路LED 负载工作电流平均值相等。
如下图7 所示电路为高频谐振网络的实现方式。阻抗网络包括谐振电感Lr、Lm 和高频变压器原边谐振电容C0,谐振电感Lm 与高频变压器T0 原边并联,该并联环节与谐振电感Lr 和谐振电容C0 串联,Cb1 为变压器副边谐振电容。谐振电感Lr 和Lm 可以是外置的独立电感,Lr 也可以是高频变压器T0 的漏电感,而Lm 则也可以是T0 的励磁电感。由于谐振电容Cb1 参与主电路的谐振变换,改变了增益曲线,其等效折算到变压器原边的取值和原边谐振电容C0 可比,加快了变换器的响应速度,避免由于大容量电容引起在起机等动态条件下输出过冲。
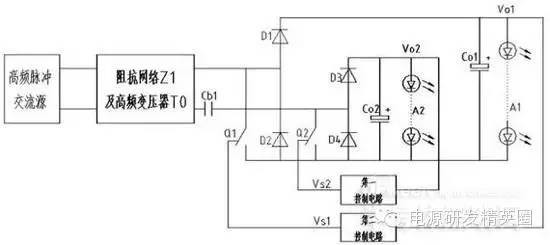
2.2 新型正反激电路实现LED 多路驱动
前述技术方案中,高频脉冲交流源必须是正负对称的方波电压脉冲,以保证谐振电容Cb1 在两路负载不平衡时起到较好的均流作用,这样要求前级电路必须是双开关管的桥式电路。作为技术的进一步突破,开发了一种新型的正反激电路多路输出驱动拓扑,如图8 所示,变压器原边采用了单开关管S1,在变压器副边的一个整流回路中串联高频电感L1。当原边开关管S1 导通时,变压器Ta1 储能,副边通过电容Cb1,二极管D3,电感L1,负载A1,二极管D2 构成电流回路,变压器工作在正激状态;当原边开关管S1 关断时,变压器Ta1 释放能量,副边通过二极管D1,负载A2,二极管D4,电容Cb1 构成另一个电流回路,变压器工作在反激状态。在正激回路中,谐振电容Cb1、高频电感L1 谐振,从而使得二极管D2、D3 工作在零电流开关状态,减小二极管的反向恢复损耗,提高效率。当两路负载出现压降不平衡时,电容Cb1 仍然能起到平衡负载电流的作用。
2.3 PFC 电路备份
在中大功率应用场合,作为前级有源PFC 电路,BOOST升压电路是最常用的拓扑。
由于PFC 电路通过整流电路直接与电网相连,因此电网里的浪涌或是雷击等因素容易造成PFC 电路故障。当PFC 电路故障时,容易造成后级负载不能正常工作,可分为以下两种情况:第一种情况,后级负载因PFC 电路的故障而断电造成不能工作;第二种情况,虽PFC 电路故障但仍能提供电流通路时,由于PFC 电路故障使得其输出电压不再稳定,而是跟随电网的波动而变化,造成负载上的电压纹波过大,造成负载的工作性能差,比如效率降低。
如何保证PFC 电路损坏后,还能保证后级电路正常工作,是该技术解决的主要问题。如下图9,在PFC电路的输出串联一个PFC备份电路,当PFC电路正常工作时,PFC 电路用来实现功率因数校正功能,PFC 备份电路仅用于提供电流通路;当PFC 电路故障时,PFC 电路仅用于提供电流通路,PFC 备份电路用来稳定输出电压。这样PFC 电路和PFC 备份电路可以有条件地交替工作,保证驱动系统的可靠性。
3、关键技术创新点
从LED 照明的可靠性及成本来看,多路驱动的模块化LED 灯具将成为未来LED 照明的趋势。目前国内外各研究机构和生产企业进行多路LED驱动电源技术开发,主要是基于新型正反激组合变换器LED 驱动电源研究,采用电压型变频控制,三级变换器电路均工作在临界模式,此技术可以提高驱动电源的可靠性,但是电路复杂,成本较高。本研究项目关键技术主要创新点在于:
(1)突破传统三级变换实现LED 的多路驱动思路,采用两级变换实现对LED 的多路驱动。利用谐振电容参与主电路的谐振变换特性,改善了变换器的动态响应速度,减小变换器起机等动态条件下对LED 负载的冲击电流,提高驱动的可靠性。同时利用谐振电容实现对多路输出负载电流的均衡,实现了多路输出间高精度的均流特性,具有成本低、体积小、效率高等特点。新型的电路拓扑,解决了多路驱动电路开路及短路保护问题,任何一路损坏保证其它路输出正常,最大限度保证了电路的可靠性。同时保护电路对LED 负载没有任何冲击电流,进一步提高电路的可靠性,降低成本。
(2)提出新型的单开关正反激多路输出电路,主电路原边只有一个开关管即可以实现变压器副边多路输出的均流控制,进一步降低了电路成本;由于主变压器实现双向利用,减小变压器体积,提高效率;副边的均流电容不仅实现了多路输出的均流控制,同时和均流电感形成谐振回路,从而实现副边整流二极管的零电流开关状态,降低二极管反向恢复损耗,减少电磁干扰,进一步提高效率。
(3)提出PFC 电路的备份思路,前级PFC 电路做了PFC 备份电路,有效解决了现有技术中当PFC 电路故障时易造成后继电路不能正常工作的问题,且保证了后级负载的工作性能不会受PFC电路故障的影响,进一步保证驱动系统的可靠性。
4、结语
本文研究的多路LED 驱动电源关键技术,采用两级变换实现LED 多路驱动,通过单开关正反激多路输出电路,只用一个开关管实现多输出均流,采用PFC 电路备份,已完成专利申请,产品主要技术指标:1.多路输出效率:>0. 92(室温下);2.多路输出均流度:≤5%(室温下);3.功率因数:>0. 98(室温下,在输入电压为110Vac 时) 4.防水等级:IP67; 5.环境温度:-30 ~70℃。

最新评论

扫码打开小程序

扫码安装APP

返回顶部