欢迎您,请 登录 或 注册

当前位置:首页 医疗器械维修 基础 电子 查看内容

摇表的结构原理与使用方法

2017-7-14 12:34 阅读: 1993 评论: 0 编辑: ygzx1
[导读]一.摇表的结构与原理 1、摇表的种类:手摇式摇表、电动式摇表 手摇式摇表电动式摇表2、摇表的分类摇表也称兆欧表,主要用于测量电气设备的绝缘电阻。摇表的额定电压有500V、1000V、2500V等几种。 3、摇表的结构摇表 ...
一.摇表的结构与原理
1、摇表的种类:手摇式摇表、电动式摇表
手摇式摇表
电动式摇表
2、摇表的分类
摇表也称兆欧表,主要用于测量电气设备的绝缘电阻。摇表的额定电压有500V、1000V、2500V等几种。
3、摇表的结构
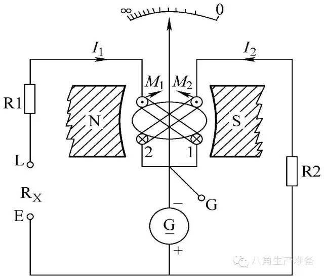
摇表由一个手摇发电机、表头和三个接线柱(即L:线路端、E:接地端、G:屏蔽端)组成。
二、摇表的工作原理
1、被测电阻Rx接在“L”与“E”端钮之间。
2、摇动直流发电机的手柄,发电机两端产生较高的直流电压,线圈1和线圈2同时通电。当以120r/min速度均匀摇动手柄时,表内的直流发电机输出该表的额定电压,在线圈1与被测电阻间有电流I1,在线圈2与表内附加电阻R2有电流I2,两种电流与磁场作用产生相反的力矩,当I1电流最大(即被测电阻为0),指针指向刻度0。当I2电流最大(即开路状态),指针指向刻度无穷大∞,当被测电阻为一定值时,指针指在被测电阻的数值。
由于摇表没有游丝,不能产生反作用力矩,所以摇表在不测时停留在任意位置(即不定位),而不是回到零,这跟其他指针式的仪表有区别的。
三、摇表的使用
1、摇表的选择
1)摇表的额定电压一定要与被测电气设备或线路的工作电压相适应。一般额定电压在500V以下的设备,选用500V或1000V的摇表;额定电压在500V及以上的设备,选用1000V~2500V的摇表。
2)摇表的测量范围要与被测绝缘电阻的范围相符合,以免引起大的读数误差。
2、摇表的接线与使用
1)摇表的接线
摇表有三个接线端钮,分别标有L(线路)、E(接地)和G(屏蔽)。
当测量电力设备对地的绝缘电阻时,应将L接到被测设备上,E可靠接地即可。
2)摇表的检查
开路试验:在摇表未接通被测电阻之前,摇动手柄使发电机达到120r/min的额定转速,观察指针是否指在标度尺“∞”的位置。
短路试验:将端钮L和E短接,缓慢摇动手柄,观察指针是否指在标度尺的“0”位置。
3)摇表的使用
(1)观测被测设备和线路是否在停电的状态下进行测量。并且摇表与被测设备间的连接导线不能用双股绝缘线或绞线,应用单股线分开单独连接。
(2)将被测设备与摇表正确接线。摇动手柄时应由慢渐快至额定转速120r/min。
(3)正确读取被测绝缘电阻值大小。同时,还应记录测量时的温度、湿度、被测设备的状况等,以便于分析测量结果。
摇表的开路试验
摇表的短路试验
摇表的使用
摇表的读数

最新评论

扫码打开小程序

扫码安装APP

返回顶部