欢迎您,请 登录 或 注册

当前位置:首页 医疗器械维修 基础 电子 查看内容

开关电源电路图讲解。多图!!!

2017-7-14 12:33 阅读: 256 评论: 0 编辑: ygzx1
[导读]开关电源电路图一、主电路 从交流电网输入、直流输出的全过程,包括: 1、输入滤波器:其作用是将电网存在的杂波过滤,同时也阻碍本机产生的杂波反馈到公共电网。 2、整流与滤波:将电网交流电源直接整流为较平滑的 ...
开关电源电路图
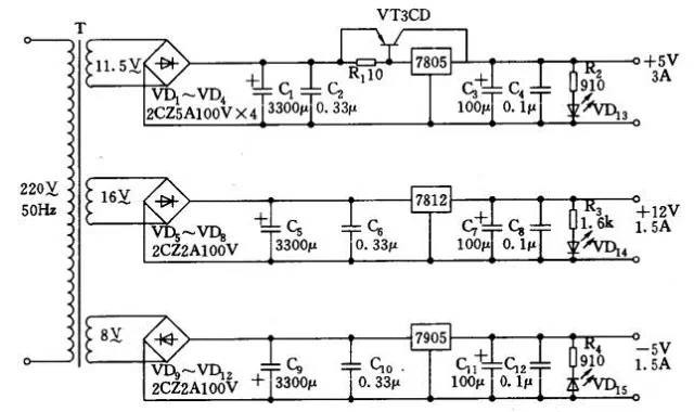
一、主电路 从交流电网输入、直流输出的全过程,包括: 1、输入滤波器:其作用是将电网存在的杂波过滤,同时也阻碍本机产生的杂波反馈到公共电网。 2、整流与滤波:将电网交流电源直接整流为较平滑的直流电,以供下一级变换。 3、逆变:将整流后的直流电变为高频交流电,这是高频开关电源的核心部分,频率越高,体积、重量与输出功率之比越小。 4、输出整流与滤波:根据负载需要,提供稳定可靠的直流电源。 二、控制电路 一方面从输出端取样,经与设定标准进行比较,然后去控制逆变器,改变其频率或脉宽,达到输出稳定,另一方面,根据测试电路提供的资料,经保护电路鉴别,提供控制电路对整机进行各种保护措施。 三、检测电路 除了提供保护电路中正在运行中各种参数外,还提供各种显示仪表资料。 四、辅助电源 提供所有单一电路的不同要求电源。 开关控制稳压原理 开关K以一定的时间间隔重复地接通和断开,在开关K接通时,输入电源E通过开关K和滤波电路提供给负载RL,在整个开关接通期间,电源E向负载提供能量;当开关K断开时,输入电源E便中断了能量的提供。可见,输入电源向负载提供能量是断续的,为使负载能得到连续的能量提供,开关稳压电源必须要有一套储能装置,在开关接通时将一部份能量储存起来,在开关断开时,向负载释放。图中,由电感L、电容C2和二极管D组成的电路,就具有这种功能。电感L用以储存能量,在开关断开时,储存在电感L中的能量通过二极管D释放给负载,使负载得到连续而稳定的能量,因二极管D使负载电流连续不断,所以称为续流二极管。在AB间的电压平均值EAB可用下式表示: EAB=TON/T*E 式中TON为开关每次接通的时间,T为开关通断的工作周期(即开关接通时间TON和关断时间TOFF之和)。 由式可知,改变开关接通时间和工作周期的比例,AB间电压的平均值也随之改变,因此,随着负载及输入电源电压的变化自动调整TON和T的比例便能使输出电压V0维持不变。改变接通时间TON和工作周期比例亦即改变脉冲的占空比,这种方法称为“时间比率控制”(Time Ratio Control,缩写为TRC)。 按TRC控制原理,有三种方式: 一、脉冲宽度调制(Pulse Width Modulation,缩写为PWM) 开关周期恒定,通过改变脉冲宽度来改变占空比的方式。 二、脉冲频率调制(Pulse Frequency Modulation,缩写为PFM) 导通脉冲宽度恒定,通过改变开关工作频率来改变占空比的方式。 三、混合调制 导通脉冲宽度和开关工作频率均不固定,彼此都能改变的方式,它是以上二种方式的混合。

最新评论

扫码打开小程序

扫码安装APP

返回顶部