欢迎您,请 登录 或 注册

当前位置:首页 医疗器械维修 基础 电子 查看内容

【电源知识】软开关技术-零转换PWM变换器

2017-7-13 14:49 阅读: 4306 评论: 0 编辑: ygzx1
[导读]......接上期零转换PWM变换器在准谐振变换器中,谐振电感和谐振电容一直参与能量传递,而且它们的电压和电流应力较大。在零开关PWM变换器中,谐振元件虽然不是一直谐振工作,但谐振电感却串联在主功率回路中,损耗较 ...
......接上期
零转换PWM变换器
在准谐振变换器中,谐振电感和谐振电容一直参与能量传递,而且它们的电压和电流应力较大。
在零开关PWM变换器中,谐振元件虽然不是一直谐振工作,但谐振电感却串联在主功率回路中,损耗较大。同时,开关管和谐振元件的电压应力和电流应力与准谐振变换器的完全相同。
为了克服这些缺陷,引入零转换PWM变换器(Zero Transition PWM Converter)的概念。
零转换PWM变换器基本开关单元
零转换PWM变换器它可分为零电压转换PWM变换器(ZVT PWM Converter)和零电流开关PWM变换器( ZCT PWM Converter) 。
零转换变换器的优点:
由于辅助谐振电路与主开关并联的,因此输入电压和负载电流对电路的谐振过程的影响很小,电路在很宽的输入电压范围内并从零负载到满载都能工作在软开关状态。这是它零开关PWM变换器的根本区别,这也使得软开关技术在中大功率变换器中的应用成为可能。
辅助电路只是在开关管开关时工作,其他时候不工作,同时,辅助电路不是串联在主功率回路中,而是与主功率回路相并联,从而减小了辅助电路的损耗,使得电路效率有了进一步提高;辅助电路的工作不会增加主开关管的电压和电流应力,主开关管的电压和电流应力很小,与常规的PWM变换器电压和电流应力一样;
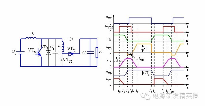
Boost型零电压转换PWM变换器工作过程分析
Boost型零电压转换PWM变换器如下图所示。
一个开关周期内存在8个不同的工作阶段,其主要工作波形如下图所示。
第1阶段,t0 ~ t1: t0以前,主开关VTS和辅助开关VTS1断态,二极管VD导通。t0时刻,VTS1导通,电感Lr中电流线性上升,VD中的电流线性减小,t1时刻iLr达到Ii,VD中的电流下降到零,VD零电流关断,第1阶段结束。
第3阶段:t2 ~ t3: t2时刻,iLr达到峰值,uCr下降到零,随后VDS导通给iLr续流并维持峰值,uCr维持零,直到t3时刻VTS1关断,第3阶段结束 。
第4阶段:t3~t4:t3时刻,VTS1关断,VD1导通,iLr和VDS中的电流开始下降,t4时刻,VDS中的电流下降到零,第4阶段结束。在t2~t4时间段内,VTS的反并联二极管VDS在导通,这时开通VTS,VTS零电压导通 。
第5阶段:t4~t5: t4时刻,VDS中的电流下降到零,随后VTS开始导通,iVTs增大,iLr减小,t5时刻,iVTs等于Ii,iLr下降到零,第5阶段结束。
第6阶段:t5~t6:t5时刻,iLr下降到零,iVTs上升到Ii,随后VTS为输入电流提供续流回路。该状态维持到t6时刻,VTS关断,第6阶段结束 。
第7阶段:t6~t7:t6时刻,VTS在谐振电容的作用下软关断,随后谐振电容两端电压uCr即VTS两端电压线性上升,t7时刻,uCr上升至Uo,随后VD导通,第7阶段结束。
第8阶段:t7~t8:t7时刻,VD导通,uCr电压被箝在Uo,直到t8时刻,VTS1导通,进入下一个工作周期。
待续......
点击下方“阅读原文”关注我们,查看更多!↓↓↓

最新评论

扫码打开小程序

扫码安装APP

返回顶部