欢迎您,请 登录 或 注册

当前位置:首页 医疗器械维修 基础 电子 查看内容

充电器原理

2016-12-21 11:17 阅读: 302 评论: 0 作者: 李雪 编辑: ygzx1
[导读]导读:充电器想必对大家来说都不陌生了,小到还没有上学的小朋友,大到在安享晚年的老年人,已经到了一种无人不知、无人不晓的境界。那么充电器究竟是如何工作的呢?它是如何将电量补充进我们的电子设备中的呢?用莎士 ...
导读:充电器想必对大家来说都不陌生了,小到还没有上学的小朋友,大到在安享晚年的老年人,已经到了一种无人不知、无人不晓的境界。那么充电器究竟是如何工作的呢?它是如何将电量补充进我们的电子设备中的呢?用莎士比亚的话来说,That is a question,下面就让我们一起来研究一下吧~~

一、充电器原理- -充电器是什么?

充电器,英文名称为charger,是一种利用高频电源技术来实现对电量不足的用电设备进行充电的仪器,在我们现实生活中常见的有手机充电器、电动车充电器、充电宝等,随着科技的日益发展,又出现了无线充电这种较为高大上的技术以方便我们的使用,接下来我们就针对这几种常见的充电器,对其工作原理做以详细介绍。

二、充电器原理- -手机充电器

手机充电器,一种专门为手机补充电量的设备,根据其使用方式的不同可分为旅行充电器、维护型充电器和座式充电器,根据手机系统的不同可分为苹果手机充电器和安卓手机充电器,根据其USB接口的不同也可分为各种不同的充电器,不过所有的手机充电器都是由稳压电源、恒流电路、限压电路、限时电路、过冲电路等几大部分构成的,其中稳压电源处于一个极其重要的位置,主要用于提供稳定的工作电压和工作电流。

三、充电器原理- -电动车充电器

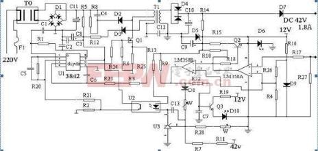
我们常将电动车中存储电量的部分称为电瓶,而电动车充电器就是一种专门为电瓶补充电量的设备。电动车充电器常采用开关电源式充电器,其原理图如下:
在该图中220V的交流电先经双向滤波器T0完成对干扰信号的控制,再经桥式整流器D1进行整流,最后经滤波器C11形成300V左右的直流电。其中,U1为TL3842脉宽调制集成电路,可通过2脚(电压反馈)调节充电器输出电压,可通过调整电阻箱R25的阻值来实现对3脚最大电流的控制,4脚用于接R1(振荡电阻)和C1(振荡电压),5脚用于接电源负极,可通过6脚(脉冲输出信号)驱动场效应管Q1,7脚用于接电源正极。T1为高频脉冲变压器,主要用于将高压脉冲转换为低压脉冲,起到隔离的作用并为U1的正常工作提供能量。

四、充电器原理- -无线充电

无线充电技术又称为非接触式感应充电,是一种利用电感耦合的原理在无需数据线的情况下进行充电的技术,其根据工作原理的不同可分为三种,一种是电磁感应式无线充电技术,在初级线圈内产生交流电,电磁感应现象使得次级线圈中也产生电流,进而完成能量由发送端至接收端的传递;第二种是磁场共振式无线充电技术,当频率相同发生共振现象时,能量发送装置与能量接收装置便可完成能量的交换;第三种是无线电波式无线充电技术,微波接收装置可以接收到由微波发射装置发出并经墙壁弹回的微波能量,并在整个过程中保持直流电压的稳定。
充电器原理关键词:充电器,充电,电量,能量,电压

  上一篇:功分器原理
  下一篇:高效液相色谱仪原理

最新评论

扫码打开小程序

扫码安装APP

返回顶部