
-
- 开关电源EMC必须掌握的几个概念
- 摘要:1.电磁干扰的产生与传输电磁干扰传输有两种方式:一种是传导传输方式,另一种则是辐射传输方式。传导传输是在干扰源和敏感设备之间有完整的电路连接,干扰信号沿着连接电路传递到接收器而发生电磁干扰现象。辐射传输 ...
-
- 谈谈EMI和EMC电路中磁珠和电感的不同作用
- 摘要:磁珠和电感在解决EMI和EMC方面各与什么作用,首先我们来看看磁珠和电感的区别,电感是闭合回路的一种属性,多用于电源滤波回路,而磁珠主要多用于信号回路,用于EMC对策磁珠主要用于抑制电磁辐射干扰,而电感用于这 ...
-
- 模拟集成电路设计的九个阶段,你到几段了?
- 摘要:这篇文章是来自复旦大学的博士生的长篇感言,我完整地阅读了下,觉得写的很好,忍不住分享下。一段你刚开始进入这行,对PMOS/NMOS/BJT什么的只不过有个大概的了解,各种器件的特性你也不太清楚,具体设计成什么样的 ...
-
- 精确稳定让平均电流法帮你实现模块电源并联
- 摘要:在之前的介绍中,我们分别介绍了两种模块电源的并联方法,这两种方式都有其独特优势并能将多个模块实现并联均流。今天要为大家介绍的是平均电流法,这种方法能够精确稳定的帮助工程师实现电源模块的并联和均流,一起 ...
-
- 多路输出正激式变换器耦合滤波电感的设计
- 摘要:本文分析对比正激变换器多路输出滤波电感采用独立方式和耦合方式的不同特点,讨论了耦合电感的设计方法,给出了一个设计实例,并给出仿真及试验结果。 1、引言近年来高频开关电源在电子产品中得到广泛应用。正激式DC ...
-
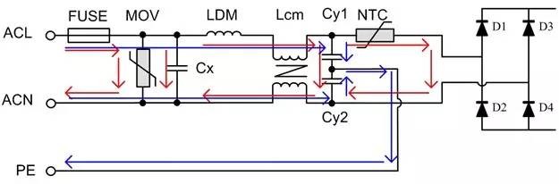
- 从浪涌抗扰度的角度设计EMC前级电路
- 摘要:摘要大家都知道,EMC 描述的是产品两个方面的性能,即电磁发射/干扰EME和电磁抗扰EMS。EME中又包含传导干扰和辐射干扰;而EMS中又包含静电抗扰、脉冲群抗扰、浪涌抗扰等。下面将从EMS中的浪涌抗扰度的角度出发,分析 ...
-
- 高低压为什么不能共地的一个解释
- 摘要:很多人都知道,当有高低电压的时候,一般是不允许共地的,而是需要隔离开,比如我们常用的开关电源,它的输入是220VAC,输出5VDC,其中的变压器既是降压,也起隔离作用。一般的讲,电压越高,隔离的距离越远,有些因 ...
-
- 小白工程师必知十大元器件
- 摘要:说到电阻器,大家头脑中第一印象是不是中学时老师课桌上放的滑动变阻器?如果是,你就out啦!现在的贴片封装元器件早已进入我们的生活啦!只认识色环电阻的小白工程师,Mark下来好好学习下面的内容!1电阻器在电工和 ...
-
- 设计开关电源的一些关键问题解决
- 摘要:AC和DC电流路径开关电源在导通和关闭两种状态下的电流回路不尽相同,于是在部分支路上会出现阶跃电流(step current),这就是所谓需要关注的AC电流路径。以PCB走线20nH/inch计算,典型buck converter的AC电流路径上 ...
-
- 开关电源噪声的产生与抑制
- 摘要:GOOD随着我国电子工业的不断发展,电源模块市场需求量越来越大。电源模块相对于LDO,有效率高、功率密度高等优势。测试电源模块的输出噪声偏大,应该如何抑制噪声呢。图1 低纹波噪声电源模块一、电源模块噪声的产生 ...
-
- 让输出阻抗法帮你轻松实现模块电源并联均流
- 摘要:目前,将多个模块电源通过并联的方式进行均流输出,已经成为了很多生产商在进行新产品研发时的选择。这种并联均流输出的方式能够充分保障电源电池的工作稳定性,在某一个电源模块出现故障时,其他模块还可以正常运行 ...
-
- 清华副教授写的:开关电源功率变压器设计方法
- 摘要:1、开关电源功率变压器的特性功率变压器是开关电源中非常重要的部件,它和普通电源变压器一样也是通过磁耦合来传输能量的。不过在这种功率变压器中实现磁耦合的磁路不是普通变压器中的硅钢片,而是在高频情况下工作 ...
-
- EMC/EMI测试经验谈
- 摘要:处理EMI EMC相关注意事项:1.把噪音电路节点的PCB铜箔面积最大限度地减小;如开关管的漏极、集电极,初次级绕组的节点等。2.使输入和输出端远离噪音元件,如变压器线包,变压器磁芯,开关管的散热片,等等。3. 使噪音 ...
-
- 【一定不能错过】如何做好开关电源的可靠性设计?
- 摘要:开关电源的重要性开关电源是各种系统的核心部分。开关电源的需求越来越大,同时对可靠性提出了越来越高的要求。涉及系统可靠性的因素很多。目前,人们认识上的主要误区是把可靠性完全(或基本上)归结于元器件的可靠 ...
-
- 【出口必看】各国电子产品认证大全
- 摘要:现在世界上无论是何种行业,所使用的电子家电产品都通过了各种各样的安全认证(这当然不包括那些“地下工厂”生产的产品哟)。为什么要有安全认证呢?这也是各厂家对自己产品的一种安全承诺,有关辐射的,有关电气安全 ...

扫码打开小程序

扫码安装APP