
-
- EMI整改直播
- 摘要:EMI主要来源:高di/dt,电感器,开关管,功率二极管等。先聊聊传导:顾名思义通过导线污染电网影响同一电网中的使用设备。我们先看小功率的,在调试中主要就是上图中3个地方:1、π滤波,小功率12W以内的我基本都用 ...
-
- 开关电源的16个发展现状
- 摘要: 高频开关电源从产生发展至今,其各方面性能有了普遍提高。随着现代电力电子技术的飞速发展,越来越多的高新技术被成功应用到高频开关电源中,极大地提高了高频开关电源的各方面性能。1逐渐淘汰线性电源高频开关 ...
-
- 滤波电容、去耦电容、旁路电容的总结
- 摘要:滤波电容用在电源整流电路中,用来滤除交流成分。使输出的直流更平滑。去耦电容用在放大电路中不需要交流的地方,用来消除自激,使放大器稳定工作。旁路电容用在有电阻连接时,接在电阻两端使交流信号顺利通过。1、 ...
-
- 开关电源中的高频磁元件的设计-磁性材料及铁氧体磁性材料
- 摘要:磁芯磁性能各种磁芯材质表面虽相似,但磁性能可能有极大差别。开关电源高频变压器磁芯多是低磁场下使用的软磁材料,它有较高磁导率,低的矫顽力,高的电阻率。磁导率高,在一定线圈匝数时,通过不大的激磁电流就能有 ...
-
- 逆变电源开关电源设计基本常识
- 摘要:电源,用通常理解的话说:是一种可以为我们电子电 器提供合适电压,电流,波形与频率的转换装置!比如:直流电源,可以理解为频率为零,波形为直线的电源。交流电源,可以理解为电压交替变换(正负在两电极 间转换) ...
-
- 基础讲解:有关电位器的那些注意事项
- 摘要:电位器在电路中的作用是平衡输入电压与输出电压之间的关系,对电路的运行起着较为重要的作用。在本文中,小编将为大家介绍关于电位器在日常使用中需要注意的那些注意事项,以防在使用电位器的过程中出现一些不必要的 ...
-
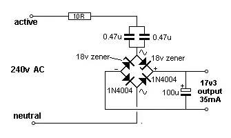
- 【巧妙】电容降压电源设计
- 摘要:电容降压电源这种巧妙的设计使用4个二极管桥产生一个固定的电压供电,能够提供35毫安电流。电路中,我们用两个稳压二极管替换普通的功率二极管组成桥式整流,无论是正半周还是负半周,都有一个稳压二极管突破齐纳电 ...
-
- 半桥式开关电源的优点和缺点
- 摘要:1、半桥式变压器开关电源输出功率很大,工作效率很高 半桥式变压器开关电源与推挽式变压器开关电源一样,由于两个开关管轮流交替工作,相当于两个开关电源同时输出功率,其输出功率约等于单一开关电源输出 功率的 ...
-
- 变压器空载关键参数剖析及计算讲解
- 摘要:变压器空载是在变压器运行过程中的一种现象。在进行电子电路设计时,有时会需要对变压器空载的损耗进行计算。在这对于刚刚接触变压器空载的设计者来说会有一些困难。本文就将对变压器空载的损耗计算方法进行讲解,帮 ...
-
- EMC零容忍!LED电源设计中应考虑的几大因素
- 摘要:了解电源电子的工程师肯定知道,电磁兼容多数是指是在电学中研究意外电磁能量的产生、传播和接收,以及这种能量所引起的有害影响。电磁兼容的目标是在相同环境下,涉及电磁现象的不同设备都能够正常运转,而且不对此 ...
-
- 经典的滤波电路(值得收藏)
- 摘要:往期文章光电耦合器设计中九大常用要点EMC原理 传导(共模 差模) 辐射(近场 远场) 详解光伏逆变电源设计中你该掌握的8个关键点开关电源EMI滤波器设计逆变电源开关电源设计基本常识
-
- 六种导致开关电源啸叫的情况及解决方法
- 摘要:开关电源控制着电路中开关管开通和关断的时间比率,维持着稳定的电路电压输出,是一种非常常见的电源设计。但是从事过开关电源设计的人都知道,在对开关电源进行测试的过程当中,经常会听到一些啸叫声,类似于打高压 ...
-
- 滴水不漏全桥电路的拓扑结构解析
- 摘要:全桥是将四个二极管封装在一起形成连接好的桥式整流电路。由于全桥电路封闭性较强,不容易产生泄流;而半桥电路在振荡转换之间就很容易出现使电流波形变坏的情况,并且产生干扰。所以有些电源的设计就选择了全桥电路 ...
-
- 可控硅调光中的LED闪烁原因总结
- 摘要:LED照明领域,已经有很多产品和设计者采用了可控硅调光的方法。但这种方法在使用过程当中会出现这样或者那样的问题,其中最常见的问题就是LED灯闪烁问题。 或许很多人会认为采用可控硅调光的LED灯出现闪烁是操作不当 ...
-
- 电源基本原理知识问答
- 摘要:1、电源的基本工作原理是什么?答:通过运行高频开关技术将输入的较高的交流电压(AC)转换为PC电脑工作所需要的较低的直流电压(DC)。2、电源的工作流程是怎样的?答:当市电进入电源后,先经过扼流线圈和电容滤波去除 ...

扫码打开小程序

扫码安装APP